
De Atmega168 är en 8-bitars mikrokontroller som använder CMOS-teknik och är designad för låg effektförbrukning.Den fungerar på AVR® RISC -arkitekturen, vilket gör att den kan utföra instruktioner i en enda klockcykel.Denna design hjälper till att optimera effekteffektiviteten samtidigt som bearbetningshastigheten bibehålls, vilket gör att enheten kan bearbeta upp till en miljon instruktioner per sekund per megahertz.Mikrokontrollern finns i tre pakettyper: PDIP, MLF och TQFP.PDIP- och MLF -paketen har 28 stift, medan TQFP -paketet innehåller 32 stift.
ATMEGA168 har 16KB flashminne för lagring av program, 1 kB RAM och 512 byte av EEPROM, vilket säkerställer långsiktig datalagring på cirka 20 år.Den innehåller också en ombord 10-bitars ADC-modul, som tillhandahåller 8 kanaler för att konvertera analoga signaler till digitala-användbara för sensorgränssnitt.
En av de framstående aspekterna av ATMEGA168 är att den stöder SPI, I2C och USART-kommunikationsprotokoll, vilket gör det flexibelt när det gäller kommunikation till enhet-till-enhet.Denna funktion gör det till ett mångsidigt val för projekt som kräver kommunikation med flera externa komponenter.
Andra användbara funktioner inkluderar en vakthundstimer, power-up timer, oscillatorstarttimer och brown-out detektion.Dessa inbyggda funktioner hjälper till att säkerställa att ditt system går smidigt utan oväntade avbrott.
ATMEGA168 skiljer sig från andra mikrokontroller som PIC -serien eftersom den utför de flesta instruktioner i en klockcykel, medan PIC -mikrokontroller kan ta flera cykler för liknande uppgifter.Dessutom kommer AVR-mikrokontrollern med 32 allmänna register, till skillnad från PIC: s "W" -register.Detta hjälper till att påskynda behandlingsuppgifterna och förbättrar flexibiliteten i programmeringen.




ATMEGA168 tillhör en familj av mikrokontroller som är utformade för att erbjuda hög prestanda samtidigt som man konsumerar minimal kraft.Denna saldo gör att du kan använda den i applikationer där både effektivitets- och bearbetningskraft behövs utan att offra batteritid eller energianvändning.
• 131 Instruktioner: Med 131 instruktioner tillgängliga, varav de flesta kan köras i en enda klockcykel, ger ATMEGA168 en lyhörd upplevelse, vilket gör ditt system snabbare.
• 32 x 8 arbetsregister: Du kan dra nytta av 32 allmänna register, så att du kan lagra och bearbeta data mer effektivt inom dina program.
• 20 MIPS -genomströmning: Vid 20MHz kan ATMEGA168 leverera upp till 20 miljoner instruktioner per sekund, vilket ger dig massor av hastighet för dina uppgifter.
• Multiplikator för 2-cykel: Den här funktionen hjälper dig att utföra multiplikationer snabbare och förbättra behandlingen i komplexa beräkningar.
• Flash -minne: Du kan välja mellan 4KB, 8KB, 16KB eller 32KB flashminne, beroende på dina applikationsbehov.Detta möjliggör programmering i systemet, så att du kan uppdatera mikrokontrollens programvara utan att ta bort den från kretsen.
• EEPROM: Med 512 byte till 1KB EEPROM kan du lagra små mängder data som kalibreringsvärden, konfigurationer eller andra inställningar som behöver fortsätta mellan kraftcykler.
• SRAM: Den interna SRAM, som sträcker sig från 512 byte till 2KB, är tillgänglig för snabb datalagring under programmets exekvering.
• Skriv/radera cykler: Flashminnet stöder upp till 10 000 skriv-/raderingscykler, och EEPROM stöder 100 000 cykler, vilket ger dig hållbarhet i datalagring.
• Datanhållning: Data lagrade i EEPROM kan pågå i upp till 20 år vid 85 ° C eller 100 år vid 25 ° C, vilket gör det tillförlitligt för långsiktiga applikationer.
• Kapacitiv beröring: ATMEGA168 stöder beröringssensorer som knappar, skjutreglage och hjul, så att du kan integrera beröringsinmatning i dina projekt.
• Sense -kanaler: Du kan ha upp till 64 beröringskanaler, vilket gör det möjligt att skapa komplexa beröringsgränssnitt för olika applikationer.
• Timer/räknare: Den innehåller två 8-bitars timers och en 16-bitars timer, vilket ger dig flexibilitet när du hanterar tidsinställda uppgifter eller genererar exakta förseningar.
• PWM -kanaler: Det finns sex PWM (pulsbreddmodulering) kanaler, användbara för applikationer som motorstyrning eller dimning lysdioder.
• ADC-kanaler: Mikrokontrollern levereras med en 10-bitars ADC (analog-till-digital-omvandlare) med 8 kanaler i TQFP och QFN/MLF-paket eller 6 kanaler i PDIP-paket.Detta är perfekt för gränssnitt med sensorer.
• Seriell kommunikation: Du kan använda olika kommunikationsprotokoll som USART, SPI och I2C, vilket möjliggör enkel kommunikation med andra enheter.
• Watchdog -timer: Den här funktionen hjälper till att säkerställa systemtillförlitlighet genom att återställa mikrokontrollern om den slutar svara.
• Power-On återställning och brun-out-upptäckt: Dessa funktioner säkerställer att ditt system börjar korrekt efter en strömcykel och att det kan hantera lågspänningsförhållanden på ett säkert sätt.
• Sömnlägen: ATMEGA168 erbjuder sex sömnlägen, inklusive tomgång, kraftspår och standby.Detta låter dig minska strömförbrukningen när full prestanda inte behövs, vilket sparar batteritid.
• Programmerbara I/O -linjer: Med 23 programmerbara ingångs-/utgångslinjer kan du enkelt ansluta olika sensorer, knappar eller andra kringutrustning till ditt system.
• Flera paketalternativ: ATMEGA168 finns i flera paket, till exempel 28-stifts PDIP och 32-ledande TQFP, så att du kan välja det lämpligaste paketet för ditt projekt.
Microchip Technology ATMEGA168A-AU Tekniska specifikationer, attribut, parametrar och delar med liknande specifikationer som Microchip Technology Atmega168A-AU.
| Typ | Parameter |
| Fabriksledning | 8 veckor |
| Kontaktplätning | Tenn |
| Montera | Ytfäste |
| Monteringstyp | Ytfäste |
| Förpackning / fodral | 32-TQFP |
| Antal stift | 32 |
| Datakonverterare | A/D 8x10b |
| Antal I/OS | 23 |
| Vakthundtider | Ja |
| Driftstemperatur | -40 ° C ~ 85 ° C TA |
| Förpackning | Bricka |
| Serie | AVR® ATMEGA |
| Publicerad | 1997 |
| JESD-609 kod | e3 |
| Pbfree -kod | ja |
| Delstatus | Aktiv |
| Fuktkänslighetsnivå (MSL) | 3 (168 timmar) |
| Antal avslutningar | 32 |
| Terminalposition | Fyrhjuling |
| Terminalform | Gullvinge |
| Toppens återflödetemperatur (° C) | 260 |
| Leveransspänning | 5V |
| Frekvens | 20MHz |
| Time @ Peak Reflow Temperatur (max) | 40S |
| Basdelnummer | Atmega168a |
| Tillförselspänning-max (VSUP) | 5.5V |
| Strömförsörjning | 2/5V |
| Tillförselspänning-min (VSUP) | 4.5V |
| Gränssnitt | 2-tråd, i2c, spi, serie, uart, USART |
| Minnesstorlek | 16 kb |
| Oscillator | Inre |
| Ramstorlek | 1k x 8 |
| Spänning - leverans (VCC/VDD) | 1.8V ~ 5.5V |
| UPS/UCS/perifer ICS -typ | Mikrokontroller, RISC |
| Grundprocessor | Avr |
| Kringutrustning | Brown-Out Detect/RESET, POR, PWM, WDT |
| Programminnetyp | FLASH |
| Kärnstorlek | 8-bitars |
| Programminnesstorlek | 16KB 8K x 16 |
| Anslutning | I2c, spi, uart/uart |
| Bitstorlek | 8 |
| Har ADC | JA |
| DMA -kanaler | INGA |
| Databussbredd | 8b |
| Antal timers/räknare | 3 |
| EEPROM -storlek | 512 x 8 |
| Gränsscanning | INGA |
| Låg effektläge | INGA |
| Formatera | Fastpunkt |
| Integrerad cache | INGA |
| Antal ADC -kanaler | 8 |
| Antal serie I/OS | 1 |
| Antal externa avbrott | 2 |
| Antal PWM -kanaler | 6 |
| Antal i2C -kanaler | 1 |
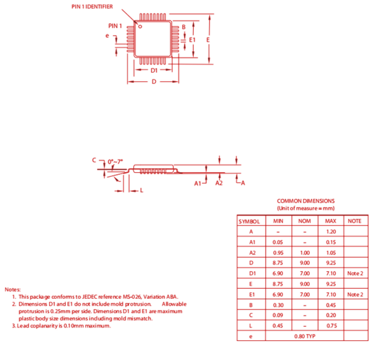
| Höjd | 1,05 mm |
| Längd | 7mm |
| Bredd | 7mm |
| Nå SVHC | Ingen SVHC |
| Strålning härdning | Inga |
| ROHS -status | ROHS3 -kompatibel |
| Blyfri | Blyfri |
De tre delarna som listas till höger har specifikationer som liknar de för Microchip Technology ATMEGA168A-AU.
| Artikelnummer | Atmega168a-au | Atmega88pa-au | Atmega48a-au | Atmega88a-au |
| Tillverkare | Mikrochip -teknik | Mikrochip -teknik | Mikrochip -teknik | Mikrochip -teknik |
| Förpackning / fodral | 32-TQFP | 32-TQFP | 32-TQFP | 32-TQFP |
| Antal stift | 32 | 32 | 32 | 32 |
| Databussbredd | 8 b | 8 b | 8 b | 8 b |
| Antal I/O | 23 | 23 | 23 | 23 |
| Gränssnitt | 2-tråd, i2c, spi, serie, uart | I2c, spi, serie, uart, uart | 2-tråd, i2c, spi, serie, uart | I2C, SPI, USART |
| Minnesstorlek | 16 kb | 4 kb | 8 kb | 8 kb |
| Leveransspänning | 5 v | 5 v | 5 v | 5 v |
| Kringutrustning | Brown-Out Detect/RESET | Brown-Out Detect/RESET | Brown-Out Detect/RESET | Brown-Out Detect/RESET |
| Visa jämför | Atmega168a-au vs atmega88pa-au | Atmega168a-au vs atmega88pa-au | Atmega168a-au vs atmega48a-au | Atmega168a-au vs atmeg |

AVR-kärnan i ATMEGA168 är utformad med 32 allmänna register, som interagerar direkt med den aritmetiska logikenheten (ALU).Denna installation gör det möjligt att komma åt två oberoende register samtidigt och genomföra instruktioner på bara en klockcykel.Denna effektivitet gör ATMEGA168 mycket effektivare jämfört med traditionella CISC -mikrokontroller, vilket levererar bearbetningshastigheter upp till tio gånger snabbare.
ATMEGA168 tillhandahåller upp till 8KBytes in-system-programmerbart flashminne, 1Kbyte SRAM och 1KBytes eepprom.Det kommer också med 23 allmänna I/O-linjer, tre timer/räknare och en rad kommunikationsgränssnitt, såsom USART, SPI och I2C.Dessutom innehåller mikrokontrollern en 6-kanals, 10-bitars ADC för uppgifter som kräver analog till digital omvandling.
Enheten stöder olika kraftbesparande lägen för att optimera prestanda och förlänga batteritiden.I viloläge är CPU: er avstängd medan du håller kringutrustning som tidtagare och kommunikationsgränssnitt aktiva.POTER-DOW-läge stänger av alla funktioner förutom den asynkrona timern, vilket möjliggör minimal strömförbrukning.Power-Save-läge håller timern aktiv medan du lägger resten av enheten i sömn, och ADC-brusreduceringsläget minskar brus under analoga till digitala omvandlingar genom att stänga av onödiga komponenter.Standby Mode erbjuder snabb start medan du håller strömförbrukningen låg genom att låta oscillatorn köra medan resten av systemet sover.
Med stöd för läs-medan-skrivning kan du uppdatera applikationens blixtminne utan att avbryta startflaskoperationerna.Detta möjliggör kontinuerlig drift medan omprogrammering av minnet, vilket gör ATMEGA168 till ett fast val för inbäddade styrsystem.
Den primära skillnaden mellan ATMEGA168 och ATMEGA328 är mängden tillgängligt flashminne.ATMEGA168 har 16KB flashminne, medan ATMEGA328 erbjuder 32KB, vilket är idealiskt om du arbetar med större projekt som kräver mer lagringsutrymme för programdata.För de flesta hobbyistiska applikationer kan emellertid denna skillnad inte vara betydande.Båda mikrokontrollerna delar liknande funktioner, stiftkonfigurationer och prestandaegenskaper, vilket gör dem utbytbara i många fall.
Om ditt projekt kräver mer minne för att lagra en större kodbas eller mer omfattande datahantering, kan du välja ATMEGA328.Annars, för mindre applikationer eller när minnesbegränsningar inte är ett problem, kommer ATMEGA168 att fungera lika bra.
| Artikelnummer | Beskrivning | Tillverkare |
| ATMEGA168-24AI MICROCONTROLLERS OCH processorer | RISC-mikrokontroller, 8-bitar, blixt, 24MHz, CMO, PQFP32, 7 x 7 mm, 1 mm höjd, 0,80 mm tonhöjd, plast, MS-026ABA, TQFP-32 | Atmel Corporation |
ATMEGA168 är ett utmärkt val för utbildningsprojekt.Dess användarvänlighet och omfattande funktioner gör det lämpligt för en mängd småskaliga applikationer, från enkla styrsystem till att lära sig att gränssnittssensorer och motorer.
Om du arbetar med inbäddade system eller robotik erbjuder ATMEGA168 alla de viktigaste komponenterna du behöver.Dess effektiva arkitektur och förmågan att hantera kommunikationsprotokoll som SPI och I2C gör det till ett utmärkt val för att kontrollera robotarmar, sensorer eller autonoma fordon.
Vid industriell automatisering används ATMEGA168 ofta för att styra maskiner eller processer.Dess timers, ADC: er och kommunikationsgränssnitt låter dig bygga system som automatiserar repetitiva uppgifter eller kontrollenheter i tillverkningsmiljöer.
Mikrokontrollern är idealisk för hemsäkerhetssystem, där det kan användas för att gränssnitt med sensorer, upptäcka intrång eller kontrolldörrlås.Med sin låga kraftförbrukning är den perfekt för batteridrivna enheter som måste köras pålitligt under långa perioder.
Om du är i drone -design kan ATMEGA168 vara hjärnan i din quadcopter.Den kan hantera motorstyrning med hjälp av PWM -kanaler, processsensordata med sina ADC: er och kommunicerar trådlöst med andra enheter, vilket gör det till ett bra alternativ för lätta, effektiva quadcopters.

Microchip Technology Inc. är företaget bakom ATMEGA168.Microchips huvudkontor, som är känd för att producera pålitliga och kostnadseffektiva mikrokontroller och analoga halvledarlösningar, ligger i Chandler, Arizona.Deras fokus är att tillhandahålla produkter som minskar utvecklingsriskerna, lägre övergripande systemkostnader och hjälper till att påskynda tiden för att marknadsföra för olika branscher.
ATMEGA168 erbjuder en fullständig uppsättning verktyg för att göra din utveckling enklare.Dessa inkluderar C-språkkompilerare, makromonterare, programbedikare och simulatorer, emulatorer i krets och utvärderingsbrädor.Dessa verktyg hjälper dig att programmera, felsöka och testa ditt system effektivt.Mikrokontrollern i sig levereras med 16KB programmerbar blixt i systemet, 512 byte av EEPROM, 1K SRAM, 23 allmänna I/O-linjer och flera kommunikationsgränssnitt som USART, SPI och en 8-kanals 10-bitars ADC.
ATMEGA48, ATMEGA88 och ATMEGA168 skiljer sig huvudsakligen i minnesstorlek, startlaststöd och hur de hanterar avbrott.ATMEGA88 och ATMEGA168 stöder samtidigt läs- och skrivoperationer genom ett oberoende startlastareområde, medan ATMEGA48 inte gör det.Atmega8, å andra sidan, saknar några avbrottsfunktioner och har en mindre minnesstorlek.Alla fyra chips delar samma PIN -konfiguration, så att du enkelt kan uppgradera mellan dem så länge paketet är detsamma.
ATMEGA168V-10PU är en variation av ATMEGA168-mikrokontrollern, utformad för att arbeta vid lägre spänningar.Det används ofta i system där låg effektförbrukning är en prioritering, vilket gör det till ett utmärkt val för batteridrivna applikationer.
Skicka en förfrågan, vi svarar omedelbart.
på 2024/10/21
på 2024/10/21
på 8000/04/18 147757
på 2000/04/18 111934
på 1600/04/18 111349
på 0400/04/18 83719
på 1970/01/1 79508
på 1970/01/1 66896
på 1970/01/1 63010
på 1970/01/1 63003
på 1970/01/1 54081
på 1970/01/1 52118