
De 74LS93 är en 4-bitars binär räknare designad med två inbyggda up-counters.Den kombinerar ett läge-2-disk med ett MOD-8-disk, vilket gör den mångsidig för applikationer som MOD-8 räknar eller delar signaler med 2 eller 8. Denna IC innehåller fyra JK-flip-flops som svarar på inmatade pulser,som kan tillhandahållas av en mikrokontroller eller en timer IC.
Utformningen av 74LS93 har två återställningsstift, två klockstift och fyra utgångsterminaler, vilket gör att den kan räkna från 0 till 15 i binär.Med sin kompatibilitet med olika mikrokontroller och TTL-baserade system är denna räknare ett flexibelt val för olika digitala projekt.Det är vanligtvis tillgängligt i format som DIP och SMD, som alltid innehåller 14 stift.Dessutom är IC byggt för att hantera höghastighetsinmatningar, vilket säkerställer tillförlitlig drift i dynamiska miljöer.

| Stiftnummer | Stiftnamn | Beskrivning |
| 1, 2, 3, 6 | Nc | Ingen anslutning |
| 4, 5, 8, 9 | Q0, Q1, Q2, Q3 | Utgångsstift |
| 7 | Jord | Ansluten till systemets mark |
| 10 | Cp0 | Klockinmatning - Dela med 2 |
| 11 | Cp1 | Klockinmatning - Dela efter 8 |
| 12, 13 | HERR | Master RESET - Rensa input |
| 14 | Vcc | Matningsspänning - 4.5V till 5.5V |
74LS93 är en 4-bitars binär räknare utformad för ett brett utbud av applikationer.Det erbjuder tillförlitlig prestanda i system som kräver räkning eller frekvensavdelning tack vare dess effektiva 4-bitars arkitektur.
Denna IC fungerar sömlöst vid en standardspänning på 5V, vilket gör den kompatibel med många digitala system.Dess förmåga att utföra konsekvent vid denna spänning säkerställer dess tillförlitlighet i olika projekt.
IC stöder ett spänningsspektrum mellan 4,5V och 5,5V.Denna flexibilitet gör att du kan använda den i system med små variationer i kraftförsörjningen samtidigt som du bibehåller stabilitet.
När IC matar ut ett högt tillstånd levererar det 3,5V, och när det är i lågt tillstånd matar det ut 0,25V.Dessa nivåer gör det kompatibelt med andra TTL -enheter, vilket säkerställer smidig integration i dina kretsar.
IC hanterar -0,4 mA under hög utgång och 8mA under låg utgång.Dessa nuvarande nivåer gör det möjligt för IC att interagera med andra komponenter effektivt utan att orsaka överbelastningar.
Klockfrekvensen för ingångsstift CP0 kan nå upp till 32MHz, medan CP1 stöder upp till 16 MHz.Denna höghastighetsprestanda gör IC lämplig för uppgifter som kräver snabb räkning eller frekvensavdelning.
CP0 kräver en pulsbredd på minst 15Ns, medan CP1 behöver minst 30Ns.Dessa specifikationer säkerställer korrekt drift och förhindrar eventuella missade signaler under snabbväxling.
IC finns i format som 14-stifts PDIP, GDIP och PDSO, vilket gör det mångsidigt och enkelt att integrera i olika mönster.Dessa format låter dig välja den som bäst passar din specifika applikation.
Du kan driva IC: s klockingångar med hjälp av enheter som 555 timers eller mikrokontroller.Denna flexibilitet gör det enkelt att använda i olika applikationer, från enkla timers till mer komplexa digitala system.
IC: s utgång är i TTL -format, vilket säkerställer kompatibilitet med ett brett utbud av ICS- och mikrokontrollersystem.Denna funktion förenklar integrationen i dina digitala kretsdesign.
IC presterar bra i temperaturer som sträcker sig från 0 till 70 grader Celsius, vilket gör den lämplig för standardmiljöer.Det ger konsekventa resultat utan att påverkas av måttliga temperaturförändringar.
• 74HC19
• 74LS192
• 4516
• 74LS90
• CD4017
• 74LS02
• CD4020
• CD4060
• CD4022
• CD4026
• CD40102
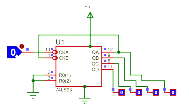
För att få 74LS93 binärräknare, börja med att ansluta strömförsörjningen.Fäst VCC -stiftet på den positiva terminalen och GND -stiftet på marken.När detta är gjort, anslut den första klockingången (stift 1) till den sista bitutgången (stift 12).Denna anslutning är nyckeln till att möjliggöra räkningsmekanismen.

Ställ sedan upp återställningsstiften (stift 2 och 3).Mark dessa stift för att säkerställa att räknaren börjar från noll.Om du behöver återställas för att fungera annorlunda kan du ansluta dessa stift till extern logik baserat på dina applikationsbehov.Denna flexibilitet gör att du kan konfigurera räknaren enligt dina kretskrav.
För klockingången, anslut den andra klockstiftet (stift 2) till en extern pulsgenerator, som en timer IC eller någon enhet som kan generera klocksignaler.Denna klockpuls styr IC: s binära räkning, som visas på stift 8, 9, 11 och 12.
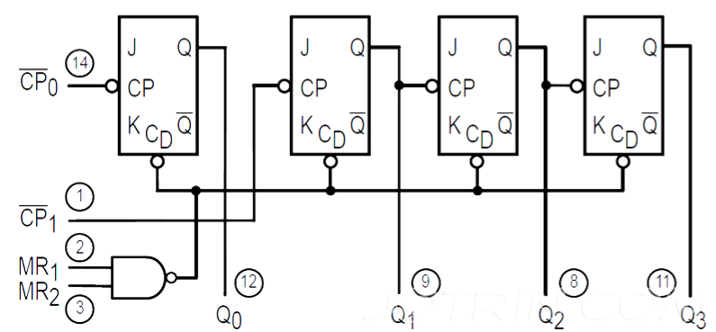
Den inre kretsen för 74LS93 är uppdelad i två huvuddelar: MOD 2 -räknaren och MOD 8 -räknaren.Mod 2 -räknaren hanterar den första biten och växlar mellan 0 och 1 med varje klockpuls när signalövergångarna från högt till lågt.Denna utgång fungerar som klockingång för MOD 8-räknaren, som använder tre sammankopplade JK-flip-flops för att generera de återstående tre bitarna.
Varje JK-flip-flop i Mod 8-räknaren får sin klocksignal från utgången från föregående flip-flop.Tillsammans producerar MOD 2- och MOD 8-räknarna ett 4-bitars binärt antal som sträcker sig från 0000 till 1111. Denna binära utgång visas över de fyra utgångsstiften, vilket ger en tydlig representation av räkningen.
För att förstå 74LS93 -motkretsen hjälper det att undersöka dess interna design och funktionalitet.Kretsen är baserad på JK-flip-flops, var och en som kan växla mellan två tillstånd: 1 och 0. Dessa tillstånd representerar binära värden, och räknaren fortskrider genom att ändra dessa tillstånd som svar på klockpulser.

I 74LS93 förändras varje flip-flops tillstånd när utgången från de föregående flip-flop-övergångarna från högt till lågt.Den första flip-flopen är emellertid inte direkt ansluten till den andra.För att skapa en funktionell sekvens länkar du den första klockstiftet (CP1) till utgången från Mod 8-räknarens första flip-flop.Detta säkerställer att sekvensen flyter ordentligt.
Med fyra flip-flops anslutna i sekvens, var och en får en klockpuls från utgången från föregående flip-flop, börjar räknaren vid 0000 och räknas upp till 1111 innan de återställs tillbaka till 0000. Varje tillstånd representerar ett unikt binärt antal, fortskrider ibeställa.
Tabellen nedan visar hur den binära utgången ändras med varje räkning:
| RÄKNING | PRODUKTION | F3 | F2 | F1 | Q0 |
| 0 | 0 | 0 | 0 | 0 | |
| 1 | 0 | 0 | 0 | 1 | |
| 2 | 0 | 0 | 1 | 0 | |
| 3 | 0 | 0 | 1 | 1 | |
| 4 | 0 | 1 | 0 | 0 | |
| 5 | 0 | 1 | 0 | 1 | |
| 6 | 0 | 1 | 1 | 0 | |
| 7 | 0 | 1 | 1 | 1 | |
| 8 | 1 | 0 | 0 | 0 | |
| 9 | 1 | 0 | 0 | 1 | |
| 10 | 1 | 0 | 1 | 0 | |
| 11 | 1 | 0 | 1 | 1 | |
| 12 | 1 | 1 | 0 | 0 | |
| 13 | 1 | 1 | 0 | 1 | |
| 14 | 1 | 1 | 1 | 0 | |
| 15 | 1 | 1 | 1 | 1 |
Dessutom visar ett timingdiagram hur utgångarna från Q0 till Q3 uppför sig som svar på ingångsklocksignalen.Denna visualisering gör det lättare att se hur den binära räknaren fortskrider steg för steg:

74LS93 är en mångsidig diskbänk med fyra JK-flip-flops.Genom att kombinera sina MOD-2- och MOD-8-räknare används det vanligtvis för att skapa en MOD-16-räknare.Det används ofta i kretsar som kräver räkning från 0 till 15 i binära eller skapa sekvenser för tidsändamål, vilket gör det till ett enkelt och pålitligt val för sådana applikationer.
Denna IC används också allmänt i frekvensdelningskretsar, där den kan dela frekvenser med 2, 8 eller 16 med precision.Dess design gör det möjligt att hantera kontrollerade tidsuppgifter effektivt, vilket gör det lämpligt för användning i digitala tidssystem som digitala klockor eller sekventiella evenemangshanteringsuppsättningar.
Dessutom används 74LS93 i pulsräkningsapplikationer, där den räknar inkommande signaler i binär.Dess förmåga att kombinera MOD-2 och MOD-8-funktionalitet gör det till en effektiv och pålitlig komponent i projekt som kräver korrekt binär räkning.
Att använda den 74LS93 binära räknaren är enkelt och effektivt.Börja med att driva IC genom VCC och markstift med en +5V strömförsörjning.Detta fastställer de nödvändiga driftsförhållandena för IC.74LS93 innehåller två MR (Master RESET) stift som gör att du kan konfigurera det önskade driftssättet.För standardräkningsfunktionalitet, anslut båda återställningsstiften till marken (låg), som visas i läget för val av läge.

Därefter levererar du klockpulser till CP0- och CP1 -ingångsstiften för att initiera räkningsprocessen.Varje pulsingång till dessa stift ökar det binära antalet av en.CP1 -stiftet styr Q0 -utgången, medan CP0 styr utgångarna från Q1, Q2 och Q3.För att aktivera alla fyra utgångsbitar, anslut klockpulsen vid CP1 till Q0 -utgången.
IC stöder en toppklockfrekvens på 32MHz för CP0 och 16MHz för CP1.Se till att pulsbredden är minst 15N för CP0 och 30N för CP1 för att upprätthålla korrekt drift.Vanligtvis kan du generera klocksignalen med en 555-timer eller en liknande pulsproducerande krets.
|
RÄKNA |
PRODUKTION |
|||
|
Q0 |
F1 |
F2 |
F3 |
|
|
0 |
L |
L |
L |
L |
|
1 |
H |
L |
L |
L |
|
2 |
L |
H |
L |
L |
|
3 |
H |
H |
L |
L |
|
4 |
L |
L |
H |
L |
|
5 |
H |
L |
H |
L |
|
6 |
L |
H |
H |
L |
|
7 |
H |
H |
H |
L |
|
8 |
L |
L |
L |
H |
|
9 |
H |
L |
L |
H |
|
10 |
L |
H |
L |
H |
|
11 |
H |
H |
L |
H |
|
12 |
L |
L |
H |
H |
|
13 |
H |
L |
H |
H |
|
14 |
L |
H |
H |
H |
|
15 |
H |
H |
H |
H |
För att bättre förstå dess funktionalitet kan du överväga att simulera IC: s operation.Till exempel, i MODE-0 (standardräkningsläge), jordning av både MR-stift och manuellt växlar det logiska tillståndet klockpulser.Med varje övergång från högt till lågt ökar IC -räkningen.Nedan följer ett exempel simulering som illustrerar detta beteende.

För ytterligare tydlighet kan du hänvisa till videohandledning eller ytterligare resurser.Den praktiska användningen av 74LS93 i olika kretsar, inklusive timing och räkningsapplikationer, visar dess anpassningsförmåga och användarvänlighet i digitala mönster.
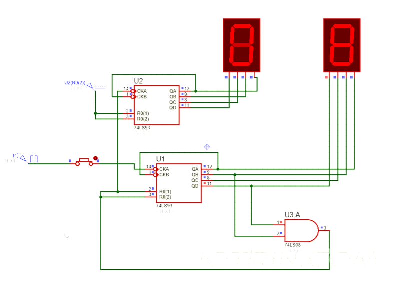
För att skapa en ensiffrig räknare med 74LS93 behöver du komponenter som en 74LS20 (fyra-ingångs Nand-grind) och en 74LS04 (tre inte grindar).Dessa komponenter fungerar tillsammans med IC för att driva en BCD-segmentskärm, vilket gör att räknaren kan cykla genom siffror från 0 till 9.
Även om 74LS93 är en 4-bitars räknare som kan hantera upp till 16 binära räkningar, måste den återställa efter att ha nått 9 för att säkerställa att skärmen förblir inom decimalområdet.Om räknaren inte återställs vid denna punkt kan utgången visa felaktiga eller oväntade värden.För att hantera detta används en återställningskrets med återkoppling som kombinerar signaler från NAND och inte grindar för att återställa räknaren automatiskt.

I denna krets är två inte grindar anslutna till QA- och QC -utgångarna, medan QB och QD är direkt kopplade till NAND -grindingångarna.NAND -porten producerar endast en hög utgång när alla dess ingångar är noll.Vid det binära värdet 1010 vänder inte grindarna signalerna från QA och QC, vilket utlöser en hög produktion från NAND -porten.Denna utgång inverteras av 74LS04 och återställer räknaren till noll.Denna design säkerställer att räknaren uppdateras konsekvent och visar rätt decimalvärden.
Den tvåsiffriga motkonfigurationen utvidgar konceptet för den ensiffriga räknaren, vilket gör att den kan visa nummer från 00 till 99. Samma grundläggande logik gäller, men i detta fall fortskrider den första sju segmentet när den andra skärmen skickar enKlockåterställningssignal.Denna design säkerställer sömlös räkning över två siffror genom att använda återställningssignalen för en skärm för att driva klockingången till den andra.

Logiken bakom den tvåsiffriga räknaren förblir i överensstämmelse med den ensiffriga installationen, vilket erbjuder ett effektivt sätt att visa upp större numeriska värden med hjälp av två sju segmentskärmar.Genom att länka de två räknarna genom deras återställnings- och klocksignaler fungerar skärmarna i tandem för att representera siffror från 00 till 99.
74LS93 baserad 2-siffrig decimalräknare
För en tvåsiffrig räknare kan 74LS93 konfigureras för att räkna och visa nummer från 00 till 99. Logiken för den tvåsiffriga räknaren bygger på samma principer som ensiffrig räknare men förlänger sin funktionalitet genom att kaskadera två BCD-räknare.
I denna installation avancerar den första BCD-sju-segmentet-displayen sitt räkning baserat på återställningssignalen från den andra displayen.I huvudsak härstammar klocksignalen för den första skärmen från återställningen av den andra skärmen.Detta kaskadarrangemang säkerställer att räknaren utvecklas logiskt genom två siffror, med den första skärmen som ökar endast när den andra skärmen slutför sin cykel från 0 till 9.

Denna tvåsiffriga motkrets gör det möjligt att räkna upp till 99 och ger en tydlig och läsbar skärm med två sju-segmentskärmar.De underliggande logik- och återkopplingsmekanismerna säkerställer smidig drift, vilket gör den idealisk för applikationer som kräver ett större antal räkning.
74LS93 är väl lämpad för att generera utökade tidpunkt i digitala kretsar.Genom att konfigurera sina räknare på lämpligt sätt kan du uppnå långa och konsekventa förseningar som är användbara vid tidsrelaterade applikationer.
Denna IC fungerar som en pålitlig frekvensavdelare.Det kan minska ingångsklockfrekvenserna med faktorer på 2, 8 eller 16, vilket gör det till ett pålitligt val för system där stabil frekvensdelning behövs för synkroniserade operationer.
När korrekt tidpunkt är nödvändig ger 74LS93 en enkel lösning.Dess förutsägbara räkningsbeteende säkerställer precision i uppgifter som sekvensering och tidsbaserad kontroll i digitala projekt.
74LS93 är idealisk för projekt där det kanske inte är praktiskt att använda en mikrokontroller.Den hanterar räkning och tidsfunktioner effektivt, vilket minskar behovet av mer komplexa och kostsamma komponenter.
Denna IC är effektiv i applikationer som involverar pulsräkning eller frekvenspartitionering.Dess binära räkningsmekanism gör det enkelt att spåra pulser eller dela frekvenser utan ytterligare kretsar.
74LS93 fungerar sömlöst med sju segmentskärmar för att visa numeriska utgångar.Dess kompatibilitet med binära till decimala omvandlare förenklar processen att skapa digitala räknare och avläsningar.
Genom att använda sina räkningsfunktioner hjälper 74LS93 att ställa in kretsar som kräver intervall med lång varaktighet.Detta gör det särskilt användbart för applikationer som digitala klockor och timers.
IC används ofta för att utforma tillförlitliga motkretsar.Dess robusta prestanda och enkel konfiguration gör det till ett vanligt val för att bygga både fristående räknare och frekvensavdelningskretsar.
När tidsbehov är specifika kan 74LS93 anpassas för att uppfylla dessa krav.Oavsett om det är för industriella timing-lösningar eller DIY-projekt, säkerställer dess flexibilitet att det passar en mängd olika tidsrelaterade uppgifter.
74LS93 är en mångsidig och pålitlig binär räknare som förenklar digitala räkningar och tidsuppgifter.Med sin förmåga att dela frekvenser, räkna pulser och köra skärmar passar den sömlöst in i olika projekt.Oavsett om du bygger räknare, hanterar timing eller skapar frekvensdelare, erbjuder 74LS93 en effektiv och enkel lösning.Dess flexibilitet och användarvänlighet gör det till ett praktiskt val för många applikationer.
Skicka en förfrågan, vi svarar omedelbart.
Nej, 74LS93 är utformad som ett diskussion, vilket bara betyder det Räknar uppåt i binärt format.Det har inte förmågan att Räkna i omvända eller dekrementvärden.
74LS93 är bekvämt att använda och minimera behovet av extern Ledningar, vilket gör det enkelt att integrera i projekt.Emellertid en Begränsning är att dess flip-flops inte kan förinställas, så räkningen börjar alltid från noll, och du kan inte börja räkna från en annan antal.
74LS93 innehåller fyra JK-flip-flops som svarar på inmatade pulser, Oavsett om de kommer från en mikrokontroller eller en timer IC.Den har två Återställ stift, två klockingångar och fyra utgångsstift, vilket gör att den kan räkna Binära siffror effektivt som svar på klockpulser.
74LS93 fungerar som en frekvensavdelare och en räknare.Det är Vanligtvis används för att skapa tidsförseningar eller hantera räkningsuppgifter i kretsar.Denna IC är särskilt användbar i applikationer där du delar upp Vid 2, 8 eller 16 krävs.
74LS93N är en 4-bitars binär räknare som använder fyra master-slave JK flip-flops.Det stöder en uppdelande-för-åtta räkningsmekanism, vilket är utlöses av en övergång från hög till låg på sin klockingång.Varje Klockpuls som tillämpas på sina ingångsstifter främjar räkningen med ett steg.
på 2024/11/29
på 2024/11/29
på 8000/04/18 147757
på 2000/04/18 111934
på 1600/04/18 111349
på 0400/04/18 83719
på 1970/01/1 79508
på 1970/01/1 66895
på 1970/01/1 63010
på 1970/01/1 63001
på 1970/01/1 54081
på 1970/01/1 52118