
De ISPPAC-CLK5320S-01TN64C är en mångsidig, in-system-programmerbar noll-fördröjningsfläktbuffert utformad för klocka distributionsapplikationer.Det erbjuder upp till 12 ultra-låga skevutgångar, med varje par utgångar anpassningsbara för att stödja olika I/O-standarder som LVTTL, LVCMO, SSTL och HSTL.Användare kan justera utgångsfrekvenser, uppsägning, svängningshastighet och tidpunkten skev oberoende för varje utgång.
Tack vare den högpresterande PLL säkerställer den här enheten minimal förökningsfördröjning.Den innehåller tre programmerbara 5-bitars räknare för att generera flera frekvenser, som kan dirigeras till valfri utgångsstift.Enheten erbjuder fyra driftslägen, inklusive noll-fördröjningsalternativ och icke-nollfördröjningsbuffertalternativ.
Oavsett om du behöver en enda enhet eller bulkkvantiteter ger ISPCOLK5300S-01TN64C tillförlitliga, flexibla klockhanteringslösningar.Kontakta oss för bulkköpsalternativ och dra nytta av vår konkurrenskraftiga priser!

ISPPAC-CLK5320S-01TN64C erbjuder fyra flexibla driftslägen, så att du kan välja den bästa installationen för dina klockdistributionsbehov.Nollfördröjningsbuffertläget synkroniserar ingångs- och utgångsklockor med minimal fördröjning, medan nollfördröjningen och icke-nollfördröjningsbuffertläget kombinerar båda funktionerna för extra flexibilitet.Det dubbla buffertläget för icke-noll fördröjning ger två oberoende fördröjningsvägar, och den icke-nollfördröjningsbufferten med utgångsdelarläge möjliggör uppdelade klockutgångar med anpassade timingjusteringar.
Med stöd för frekvenser som sträcker sig från 8MHz till 267 MHz ger den här enheten ett brett utbud av klockalternativ, vilket gör den lämplig för olika timingapplikationer.Oavsett om ditt system kräver låg- eller högfrekventa signaler, säkerställer denna flexibilitet sömlös drift över olika enheter.
Den här enheten levererar exakt signaltidpunkt med mindre än 100ps utgång till utgång skev och under 70PS topp-till-topp-jitter.Dessa låga värden hjälper till att upprätthålla signalintegritet och minimera tidsfel i höghastighetsapplikationer, vilket säkerställer smidig drift i komplexa kretsar.
ISPPAC-CLK5320S-01TN64C ger upp till 20 oberoende programmerbara fläktbuffertar, vilket ger dig full kontroll över utgångskonfigurationer.Det stöder flera enskilda utgångsstandarder, inklusive LVTTL, LVCMOS, HSTL, EHSTL och SSTL.Du kan justera utgångsimpedansen mellan 40Ω till 70Ω i steg om 5Ω och modifiera svängningshastigheten för bättre signalövergångar.Dessutom har enheten upp till 10 utgångsbanker, var och en med sin egen strömförsörjning (1,5V, 1,8V, 2,5V eller 3,3V), vilket möjliggör separata spänningsnivåer för olika utgångar.
De integrerade PLL säkerställer stabila och pålitliga klocksignaler med programmerbar låsdetektering för övervakning av noggrannhet.Det innehåller tre programmerbara utgångsdelare som verkar i krafter på 2 (1, 2, 4, 8, 16, 32), vilket gör frekvensjusteringar enkla.On-chip-slingfiltret hjälper till att minska brus, medan spridning av spektrumklockkompatibilitet minimerar elektromagnetisk störning.Enheten stöder både intern och extern feedback och erbjuder flexibla klocksynkroniseringsalternativ.
Du kan finjustera varje utgång med upp till ± 5ns fasjustering för att anpassa signaler exakt.Enheten ger åtta programmerbara fasinställningar med en minsta stegstorlek på 156PS, vilket säkerställer exakt tidskontroll.Det stöder grova och fina justeringslägen, så att du kan uppfylla olika systemkrav.
ISPPAC-CLK5320S-01TN64C stöder upp till tre separata klockfrekvensdomäner, vilket gör att flera tidssignaler kan hanteras effektivt inom en enda enhet.Denna funktion är idealisk för system som kräver oberoende klockkällor för olika komponenter.
Den här enheten tillhandahåller en rad programmerbara ingångs- och feedback -standarder, inklusive LVTTL, LVCMOS, SSTL, HSTL, LVDS, LVPECL, Differential HSTL och Differential SSTL.Klockan A/B -valmultiplexer möjliggör växling mellan ingångskällor, medan den programmerbara återkopplingsvägen stöder LVTTL, LVCMOS, SSTL och HSTL.Dessutom förenklar inbyggd programmerbar avslutning signalhantering, vilket förbättrar den totala prestandan.
ISPPAC-CLK5320S-01TN64C är Hot Socket-kompatibel, vilket innebär att alla ingångar och utgångar förblir fullt funktionella även under heta byte.Detta säkerställer kontinuerlig drift utan risk för dataförlust eller avbrott.
Enheten stöder JTAG-gränsskanning och programmering i systemet, gör det enkelt att konfigurera och testa utan att behöva ta bort den från kretsen.Detta förenklar felsökning och påskyndar utvecklingstiden.
Denna enhet är utformad för att motstå strömförsörjningsbrus och säkerställer stabil och pålitlig drift även i elektriskt bullriga miljöer.Detta gör det till ett idealiskt val för högpresterande applikationer som kräver precisionsklockhantering.
ISPPAC-CLK5320S-01TN64C finns i både kommersiella (0 ° C till 70 ° C) och industriella (-40 ° C till 85 ° C) temperaturintervall, vilket säkerställer tillförlitliga prestanda i olika miljöförhållanden.Den finns i 48-stifts och 64-stifts TQFP-paket, vilket gör det enkelt att integrera i olika system.
Tekniska specifikationer för Lattice Semiconductor, ISPPAC-CLK5320S-01TN64C.
|
Attribut |
Värde |
|
Tillverkare |
Gitterhalvledare |
|
Serie |
ISPCOCK ™ |
|
Typ |
Klockgenerator, Fanout -distribution, nollfördröjningsbuffert |
|
Antal kretsar |
1 |
|
Spänning - försörjning |
3V ~ 3,6V |
|
Operativ temp. |
0 ° C ~ 70 ° C |
|
Frekvens - max |
267MHz |
|
Förhållande - ingång: utgång |
2:20 |
|
Poll |
Ja med förbikoppling |
|
Avdelare/multiplikator |
Ja/Nej |
|
Differential - Ingång: utgång |
Ja/Nej |
|
Input |
HSTL, LVCMOS, LVDS, LVPECL, LVTTL, SSTL |
|
Produktion |
EHSTL, HSTL, LVCMOS, LVTTL, SSTL |
|
Paket / fodral |
64-LQFP |
|
Leverantörspaket |
64-TQFP (10x10) |
|
Monteringstyp |
Ytfäste |
|
Paket |
Bricka |
|
Basproduktnummer |
ISPPAC-CLK53 |

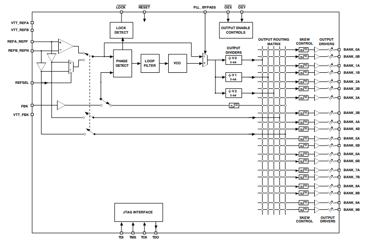
Diagrammet visar hur ISPPAC-CLK5320S-01TN64C fungerar som en programmerbar klockgenerator.Det tar flera referensklocksignaler (REFA, REFB) och en feedbacksignal (FBK) för att hålla allt synkroniserat.En urvalsinmatning (RefSel) väljer vilken referens som ska användas.Fasdetektorn jämför den valda referensen med återkopplingssignalen, och slingfiltret jämnar ut eventuella variationer innan signalen överförs till spänningsstyrd oscillator (VCO).VCO genererar en högfrekvent klocka, som sedan är uppdelad i olika klockutgångar.Dessa utgångar går igenom en routingmatris, där de kan justeras för timing (skevkontroll) innan de skickas ut via utgångsdrivrutiner.Systemet inkluderar också utgångsaktivering av kontroller, ett PLL -bypass -alternativ och en låsdetekteringsfunktion för att visa när allt är stabilt.Dessutom ingår ett JTAG -gränssnitt för programmering och testning.Denna installation säkerställer exakt klockafördelning över olika delar av ett system, vilket gör det användbart för processorer, kommunikationsenheter och andra digitala kretsar.
ISPPAC-CLK5320S-01TN64C används i stor utsträckning för att distribuera en gemensam klocksignal över kretskort.Det säkerställer att alla anslutna komponenter får synkroniserade tidssignaler och förbättrar kommunikationen mellan olika delar av systemet.Med sin låga skev och jitter hjälper det att upprätthålla signalnoggrannhet, vilket minskar fel vid dataöverföring.
Den här enheten har en högpresterande PLL, så att du kan generera stabila och programmerbara klockfrekvenser.Oavsett om du behöver multiplicera, dela eller synkronisera frekvenser ger ISPPAC-CLK5320S-01TN64C flexibel klockhantering för en rad applikationer, inklusive databehandling, kommunikationssystem och inbäddade enheter.
När en enda klocksignal behöver driva flera komponenter fungerar ISPPAC-CLK5320S-01TN64C som en pålitlig hög fläktbuffert.Med upp till 20 programmerbara utgångar kan den distribuera klocksignaler effektivt samtidigt som låg skevning bibehålls mellan utgångarna.Detta är användbart i stora system där flera delsystem kräver en synkroniserad klocka.
Nollfördröjningsbuffertfunktionen för ISPPAC-CLK5320S-01TN64C säkerställer att utgångsklockan förblir i linje med referensklockan, vilket förhindrar att timing-missanpassningar.Detta är särskilt användbart i applikationer där exakt synkronisering krävs, såsom minnesgränssnitt, nätverksenheter och höghastighetsdatabehandlingssystem.

Diagrammet ger de fysiska dimensionerna och layoutdetaljer för ISPPAC-CLK5320S-01TN64C-paketet.Det innehåller olika vyer-TO, BOTTOM, SIDE och ett tvärsnitt-för att ge en tydlig uppfattning om dess form och storlek.Paketet har 64 stift ordnat runt sina kanter.Toppvyen visar stiftarrangemanget, med en liten markör som indikerar stift 1 för korrekt orientering.Den nedre vyen ger ett liknande perspektiv men från under.
Sidovyn belyser paketets höjd, ledningens form och hur de sträcker sig från kroppen.En detaljerad zoom-in (detalj 'a') visar hur ledningarna böjs och berör kretskortet.Sittplanet är den del som tar kontakt med brädet när den är monterad.
En tabell visar olika mätningar, inklusive pakethöjd, blybredd och avstånd mellan stift.Alla dimensioner finns i millimeter.Anteckningarna förklarar toleranser, hur paketet mäts och ytterligare detaljer som mögelprövningar och blyfinish.Den exakta formen på hörnen är inte fixerad, vilket innebär att det kan vara små variationer.Denna ritning säkerställer korrekt montering och placering av komponenten på ett kretskort.
|
Artikelnummer |
Tillverkare |
Nyckelfunktioner |
Använd fall/anteckningar |
|
Gitterhalvledare |
Liknar ISPPAC-CLK5320S men med en 2:16 Input-to-output-förhållande.Stöder samma spänningsområde, frekvens och Flera utgångsformat.Levereras i ett 64-TQFP-paket. |
Lämplig för klockdistribution i medelhögskalig digital System där 16 utgångar är tillräckliga. |
|
|
Gitterhalvledare |
En version med lägre utgång med ett 2:12 input-to-output-förhållande. Stöder samma klockafunktioner men fungerar i ett bredare temperaturintervall (-40 ° C till 85 ° C).Levereras i ett mindre 48-TQFP-paket. |
Bäst för industriella applikationer som kräver robust Temperaturtolerans och måttlig klockafördelning. |
|
|
Gitterhalvledare |
Erbjuder en 8-utgångsklockdistribution med en liknande funktionsuppsättning, inklusive en PLL, flera ingångs-/utgångsformat och ett max Frekvens på 267 MHz.Det fungerar också inom -40 ° C till 85 ° C -intervallet. |
Designad för kompakt klockhantering med hög tillförlitlighet i hårda miljöer eller rymdbegränsade applikationer. |
Gitterhalvledare utvecklar låg effekt, högpresterande programmerbara lösningar för klockhantering, anslutning och bearbetning.Som tillverkare av ISPPAC-CLK5320S-01TN64C tillhandahåller Lattice tillförlitlig och flexibel klocka distributionsteknik utformad för korrekt tidpunkt och synkronisering.Med fokus på innovation och effektivitet fortsätter gitteret att stödja modern elektronik med pålitliga lösningar av hög kvalitet.
ISPPAC-CLK5320S-01TN64C är en flexibel och pålitlig klockhanteringslösning utformad för att hålla ditt system smidigt.Med sina programmerbara funktioner, låga skev och flera utgångsalternativ garanterar det korrekt tidpunkt för olika applikationer.Oavsett om du behöver en nollfördröjningsbuffert, frekvensgenerering eller hög flod-distribution, ger den här enheten den prestanda och flexibilitet du behöver.Om du letar efter ett pålitligt sätt att hantera klocksignaler är detta ett bra val.
Skicka en förfrågan, vi svarar omedelbart.
Det är en programmerbar klockgenerator och Fan-Out-buffert utformad för att hantera och distribuera klocksignaler.Det hjälper till att hålla olika delar av ett system synkroniserat genom att säkerställa korrekt tidpunkt.
Ja, enheten låter dig ställa in olika utgångsfrekvenser med programmerbara avdelare.Varje utgång kan justeras för att matcha specifika tidsbehov.
Det stöder flera ingångs- och utgångsstandarder, inklusive LVTTL, LVCMOS, SSTL, HSTL, LVDS och LVPECL.Detta gör det kompatibelt med olika system och enheter.
I noll-fördröjningsläge förblir ingångs- och utgångsklockorna i linje med minimal fördröjning.Detta hjälper till att upprätthålla synkronisering mellan olika komponenter i en krets.
Ja, det har ett JTAG-gränssnitt för programmering och testning i systemet.Detta gör att du kan konfigurera den utan att ta bort den från kretsen.
på 2025/02/24
på 2025/02/21
på 8000/04/18 147758
på 2000/04/18 111958
på 1600/04/18 111349
på 0400/04/18 83725
på 1970/01/1 79510
på 1970/01/1 66922
på 1970/01/1 63078
på 1970/01/1 63017
på 1970/01/1 54086
på 1970/01/1 52153