I den industriella och kommersiella sektorn spelar trefastransformatorer en roll för effektiv överföring och distribution av elektrisk kraft.Genom att kombinera tre enfastransformatorer till en enhet minskar de kostnader, storlek och vikt.Dessa transformatorer säkerställer jämn fördelning av elektrisk energi mellan lindningar med höga och lågspänningar, oavsett deras konstruktionstyp.Den här artikeln förklarar deras konstruktion, drift och anslutningskonfigurationer, vilket hjälper dig att förstå deras funktionalitet och applikationer.Det börjar med kärntyp och skal-typkonstruktioner, som hanterar magnetflöde och minimerar energiförluster.Det täcker också operativa principer, magnetflödesbalansering och anslutningstyper som Delta/Delta, Delta/Wye, Wye/Delta och Wye/Wye, tillsammans med specialiserade anslutningar som Scott och Zig-Zag.Exempel och jämförelser mellan torrtyp och vätskefyllda transformatorer tillhandahålls för att hjälpa ingenjörer att välja rätt transformator för optimal prestanda och tillförlitlighet.

Figur 1: trefas transformatorkonstruktion
De kombinerar tre enfastransformatorer till en och sparar pengar, utrymme och vikt.Kärnan har tre magnetiska kretsar som balanserar magnetflödet mellan höga och lågspänningsdelar.Denna design skiljer sig från trefasskal-typtransformatorer, som grupp tre kärnor tillsammans men inte smälter samman dem.Det gör systemet mer effektivt och pålitligt jämfört med enfas-system.
En vanlig design för trefastransformatorer är tre-lemens kärntyp.Varje lem stöder sitt eget magnetiska flöde och fungerar som en returväg för de andra, vilket skapar tre flöden som är vardera 120 grader ur fas.Denna fasskillnad håller magnetflödets form nästan sinusformad, vilket säkerställer en stabil utgångsspänning, minskar snedvridningar och förluster och förbättrar prestanda och livslängd.Denna enkla och effektiva design är populär för standardanvändning.

Bild 2: Kärntyp
I kärntypkonstruktion för trefastransformatorer fokuserar designen på tre huvudkärnor, var och en parade med två ok.Denna struktur distribuerar effektivt magnetiskt flöde.Varje kärna stöder primära och sekundära lindningar, som är lindade i en spiral runt kärnbenen.Denna installation säkerställer att varje ben bär både högspänning (HV) och lågspänning (LV) -lindningar, vilket balanserar den elektriska belastningen och magnetflödesfördelningen.
En annan egenskap hos kärntyptransformatorer minskar virvelströmförlusterna.Eddy -strömmar, inducerade inom ledare av ett förändrat magnetfält, kan orsaka energiförluster och minska effektiviteten.För att minimera dessa förluster är kärnan laminerad.Detta innebär att stapla tunna skikt av magnetiskt material, var och en isolerade från de andra, för att begränsa virvelströmmarna och minska deras påverkan.
Positioneringen av lindningar är en annan designaspekt.Lågspänningslindningar placeras närmare kärnan.Denna placering förenklar isolering och kylning, eftersom LV -lindningar fungerar vid lägre spänningar, vilket kräver mindre isolering.Isolering och oljekanaler införs mellan LV -lindningarna och kärnan för att förbättra kylningen och förhindra överhettning, vilket säkerställer transformatorns livslängd.
Högspänningslindningar placeras ovanför LV -lindningarna, också isolerade och fördelade med oljekanaler.Dessa oljekanaler är bäst för kylning och upprätthållande av isoleringssystemets effektivitet under högspänning.Detta detaljerade arrangemang av lindningar och laminerad kärna gör det möjligt för kärntyptransformatorer att hantera höga spänningar effektivt, med minimala energiförluster och hög stabilitet.Dessa designprinciper gör kärntyptransformatorer idealiska för applikationer som kräver effektiv magnetisk flödeshantering och högspänningsdrift.
Transformatorer i skaletyp erbjuder ett annat tillvägagångssätt för trefastransformatorkonstruktion, kännetecknad av en unik design och driftsfördelar.Denna design involverar stapling av tre individuella enfastransformatorer för att bilda en trefasenhet, till skillnad från kärntyptransformatorer där faserna är beroende av varandra.I shell -transformatorer har varje fas sin egen magnetkrets och fungerar oberoende.De oberoende magnetiska kretsarna är arrangerade parallella med varandra, vilket säkerställer att de magnetiska flödena är i fas men inte stör varandra.Denna separation bidrar starkt till transformatorns stabilitet och konsekventa prestanda.

Bild 3: Shell Type
Fördelen med transformatorer för skaltyp är minskad vågformsförvrängning.Den oberoende driften av varje fas resulterar i renare och mer stabila spänningsvågformer jämfört med kärntyptransformatorer.Detta är viktigt i applikationer där spänningskvaliteten äventyras, till exempel i känsliga industriella och kommersiella system där distorsion kan leda till utrustningens fel.
Transformatorer i skaltyp är också effektiva.Varje fas kan optimeras för sina specifika belastningsförhållanden oberoende, vilket förbättrar tillförlitligheten och effektiviteten.Den reducerade vågformsförvrängningen minimerar harmoniska förluster, vilket ytterligare förbättrar transformatorns effektivitet och livslängd.
Konstruktion och drift av både kärntyp och shell -transformatorer hjälper ingenjörer och tekniker att välja rätt transformator för sina elektriska system.Huruvida behovet är för att hantera höga spänningar, minimera energiförluster eller säkerställa stabil spänningsförsörjning, att välja lämplig transformatortyp säkerställer optimal prestanda.

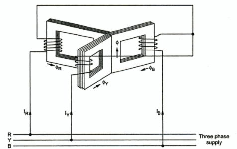
Bild 4: Arbeta med trefastransformator
Tre kärnor med 120 grader från varandra används i trefastransformatorer för att garantera effektiv interaktion mellan de magnetiska flödena som genereras av de primära lindningarna.Transformatorns kärna hanterar magnetflöde som genereras av strömmar IR, IY och IB i de primära lindningarna.Dessa strömmar skapar magnetiska flöden ɸR, ɸy och ɸb.Dessa strömmar är anslutna till en trefas kraftförsörjning och inducerar magnetflöde i kärnorna.
I ett balanserat system är summan av trefasströmmarna (IR + IY + IB) noll, vilket leder till noll kombinerat magnetflöde (ɸr + ɸy + ɸb) i mittbenet.Således kan transformatorn fungera utan mittbenet, eftersom de andra benen hanterar flödet oberoende.Trefastransformatorer fördelar kraft jämnt över tre faser, minskar energiförluster och förbättrar kraftförsörjningsstabiliteten.Flödesbalans i kärnstrukturen som krävs för effektiv transformatordrift.Fördelningen av magnetflöde inom kärnan i en trefastransformator måste balanseras för att den ska fungera.120-graders placering av kärnor och exakt induktion av strömmar säkerställer effektiv drift.
För att uppfylla olika krav kan trefastransformatorlindningar kopplas på olika sätt."Star" (WYE), "Delta" (Mesh) och "Interconnected-Star" (Zig-Zag) är de tre primära typerna av anslutningar.Kombinationer kan inkludera primära delta-anslutna med sekundär stjärnansluten eller vice versa, beroende på applikationen.

Bild 5: Tre-fas transformatoranslutningar
Delta/delta-anslutningen används ofta när en enda sekundärspänning kräver eller när den primära belastningen huvudsakligen består av trefasutrustning.Denna installation är vanligt i industriella inställningar med stora trefasmotorbelastningar som arbetar vid 480 V eller 240 V, och med minimal 120 V-belysnings- och behållarbehov.Vändningsförhållandet mellan de primära och sekundära lindningarna är i linje med de erforderliga spänningarna, vilket gör denna installation mindre lämplig för olika spänningsomvandlingar.

Bild 6: Symbol för delta/delta -transformator

Bild 7: Anslutningsdiagram för delta/delta -transformator
Delta/Delta -anslutningen erbjuder flera fördelar.En fördel är den reducerade fasströmmen, som endast är 57,8% av linjen.Denna reduktion möjliggör mindre ledare för varje enfasstransformator jämfört med linjeledarna som levererar trefasbelastningen, sänker materialkostnaderna och förenklar systemet.Dessutom tenderar harmoniska strömmar att avbryta, vilket förbättrar transformatorns förmåga att isolera elektriskt brus mellan primära och sekundära kretsar.Detta resulterar i en stabil sekundärspänning med minimala fluktuationer under belastningsvågor.Om en enfastransformator misslyckas kan systemet fortfarande leverera trefasspänning genom en öppen delta-konfiguration, om än med en reducerad kapacitet på 58%.
Trots dessa fördelar har Delta/Delta -anslutningen anmärkningsvärda nackdelar.Det ger endast en sekundärspänning, som kan kräva ytterligare transformatorer för olika spänningsbehov, vilket ökar systemkomplexiteten och kostnaden.De primära lindningsledarna måste isoleras för den fulla primära spänningen, vilket kräver extra isolering för högspänningsapplikationer.En annan nackdel är bristen på en gemensam markpunkt på sekundärsidan, vilket kan leda till höga spänningar till marken, utgöra säkerhetsrisker och potentiell skador på utrustning.
Delta/Wye -anslutningen är en vanlig transformatorinställning som används på olika sekundära spänningar.Det är bra för system som måste tillhandahålla olika spänningsnivåer samtidigt.Till exempel, i fabriker och kommersiella byggnader finns det ofta ett behov av högspänning för tunga maskiner och lägre spänning för belysning och allmän användning.En typisk användning kan inkludera att tillhandahålla 208 V för motorer och 120 V för ljus och uttag.Delta/Wye -anslutningen kan hantera dessa olika spänningsbehov väl.
I denna installation är den primära lindningen i en delta -form (5), och den sekundära lindningen är i en Wye (y) -form.Delta -anslutningen på primärsidan är bra för att hantera höga effektbelastningar, vilket ger en stark och stabil strömförsörjning.Detta är användbart i industriella miljöer med stora motorer och tung utrustning.Delta -arrangemanget hjälper också till att minska vissa typer av elektriskt brus, vilket säkerställer en renare strömförsörjning till de anslutna enheterna.

Bild 8: Symbol för delta/wye transformator

Bild 9: Anslutningsdiagram för delta/wye -transformator
WYE-anslutningen gör det möjligt för den sekundära linjespänningen att vara 1,73 gånger större med samma antal varv på de primära och sekundära lindningarna för varje enfasstransformator, vilket är fördelaktigt för step-up transformatorapplikationer.De sekundära lindningarna kräver mindre isolering eftersom de inte behöver isoleras för hela sekundär linjespänningen.Tillgången på flera spänningar på sekundärsidan kan eliminera behovet av ytterligare transformatorer för att leverera 120 V-belastningar i ett trefas-system med en 208 V-linjespänning.Fördelen är närvaron av en gemensam punkt på sekundärsidan för att markera systemet, vilket begränsar spänningspotentialen till marken och förhindrar att den överskrider sekundärfasspänningen.
Delta/Wye -anslutningen har emellertid sina nackdelar.De primära lindningarna måste isoleras för hela trefasens linjespänning, vilket kräver extra isolering, särskilt för avstängningsapplikationer med hög spänningar.Den sekundära WYE -anslutningen avbryter inte harmoniska strömmar, vilket påverkar transformatorns stabilitet och effektivitet.De sekundära lindningarna måste bära hela trefaslinjen, vilket innebär att de måste vara större än i ett delta-system med samma kapacitet.
Y/5 -transformatoranslutningen, även kallad WYE/Delta -anslutning, är en vanlig installation i elektriska kraftsystem.Det är användbart när du behöver en enda sekundärspänning eller när huvudbelastningen är trefasutrustning som industriella motorer och tunga maskiner.Denna installation används också ofta i avstängda transformatorer för att sänka höga primära spänningar för säkrare och effektivare lägre sekundära spänningar.
I detta sammanhang är de primära lindningarna arrangerade i en WYE (Y) -form, med varje lindning ansluten till en gemensam neutral punkt, som vanligtvis är jordad.De sekundära lindningarna är arrangerade i en delta (5) form och bildar en slinga.Fasförhållanden och spänningsnivåer stabiliseras medan trefaseffekt transformeras med hjälp av denna installation.

Bild 10: Symbol för WYE/DELTA -transformator

Bild 11: Anslutningsdiagram för WYE/DELTA -transformator
Vridningsförhållandet resulterar i en sekundär linjespänning som reduceras med en faktor på 1,73 (eller 57,8%) på grund av WYE-anslutningen, vilket gör det fördelaktigt för avstängda transformatorapplikationer.Detta säkerställer att sekundära harmoniska strömmar avbryter, vilket ger utmärkt brusisolering mellan primära och sekundära kretsar.De primära lindningarna behöver inte isoleras för hela trefaslinjespänningen, vilket potentiellt kan minska isoleringskraven när de går ner från höga spänningar.Trefaseffekt kan fortfarande levereras med ett öppet delta-system i händelse av en enfasstransformatorfel, men vid en 58% lägre kapacitet.
WYE/DELTA -anslutningen har sina nackdelar.Liksom Delta/Delta -anslutningen erbjuder den bara en enda sekundärspänning, som kräver ytterligare transformatorer för att leverera belysning och behållare.Det finns ingen gemensam markpunkt på sekundärsidan, vilket leder till höga spänningar till marken.De primära lindningsledarna måste bära hela trefasslinjströmmen, vilket kräver större ledare jämfört med en delta-ansluten primär med samma kapacitet.Slutligen bör den gemensamma punkten för WYE -primära lindningar anslutas till ett system neutralt för att undvika spänningsfluktuationer med obalanserade belastningar.
WYE/WYE -transformatoranslutningen används sällan på grund av dess brusöverföring, harmonisk distorsion, kommunikationsstörningar och fasspänningsinstabilitet.I en WYE/WYE -installation är de neutrala punkterna för både de primära och sekundära lindningarna jordade.Medan denna jordning ger en referenspunkt och kan hjälpa till att balansera belastningar, tillåter det också att brus kan överföra mellan de primära och sekundära kretsarna.Detta innebär att allt elektriskt brus på ena sidan enkelt kan flytta till den andra, skada känslig elektronisk utrustning och orsaka ineffektivitet.
WYE/WYE -anslutningar är benägna att harmonier, som är oönskade frekvenser som snedvrider elektriska strömmar och spänningar.Harmonics kan komma från icke-linjära laster som likriktare och variabla frekvensenheter.Till skillnad från andra konfigurationer som Delta/Wye, avbryter WYE/WYE -transformatorer inte dessa harmonier effektivt.

Bild 12: Symbol för WYE/WYE -transformator

Bild 13: Anslutningsdiagram för WYE/WYE -transformator
• Känslig för obalanserade belastningar, orsakar obalanserade strömmar i lindningarna, vilket kan leda till överhettning och minskad effektivitet.
• Cirkulerande neutrala strömmar kan uppstå, särskilt med obalanserade belastningar, vilket kräver ytterligare skyddsåtgärder.
• Jordning av en WYE/WYE -transformator är mer komplex jämfört med andra konfigurationer, vilket resulterar i markslingor och säkerhetsrisker.
• Spänningsförvrängning från harmoniska strömmar som genereras av icke-linjära laster kan påverka prestandan för känslig utrustning och kan kräva ytterligare filtrerings- eller begränsningsåtgärder.
• Implementering av en WYE/WYE -transformator kan vara dyrare på grund av komplexiteten i anslutningarna och de ytterligare åtgärder som är involverade för att ta itu med problem som obalanserade laster och neutrala strömmar.

Bild 14: Öppet delta eller V-V-anslutning
Två enfastransformatorer används i en öppen delta-anslutning.Denna installation är användbar när en transformator bryts ned eller behöver underhåll.Trots att den initiala installationen använde tre transformatorer kan de återstående två fortfarande ge trefaseffekt men med en reducerad kapacitet på 58%.
I detta arrangemang är de primära lindningarna för de två transformatorerna anslutna i ett delta med ett ben öppet.Fasspänningarna VAB och VBC produceras i de två sekundära lindningarna för de två transformatorerna, medan VCA skapas från de sekundära spänningarna för de andra två transformatorerna.På detta sätt kan en trefas strömförsörjning fortsätta arbeta med bara två transformatorer istället för tre.
När du byter från en balanserad delta-delta-anslutning till ett öppet delta måste varje transformator hantera mycket mer aktuell.Denna ökning är cirka 1,73 gånger den normala mängden, vilket kan överbelasta transformatorerna med 73,2% mer än deras normala kapacitet.För att förhindra överhettning och skada under underhåll bör du minska belastningen med samma faktor på 1,73.
Om en fas förväntas gå ut kan den öppna delta -anslutningen användas för att hålla saker igång medan du arbetar med transformatorerna.

Bild 15: Scott -anslutning
För att skapa tvåfasspänningar med 90 ° fasförskjutning använder Scott-anslutningen av en trefastransformator två transformatorer: den ena har en mittkran på båda lindningarna, och den andra har en 86,6% kran.Denna installation möjliggör omvandling av kraft mellan en- och trefas-system med bara två transformatorer.
De två transformatorerna är magnetiskt separata men elektriskt anslutna.Hjälptransformatorn ansluts parallellt med en 30 ° fasförskjutning, medan huvudtransformatorn får trefasförsörjningsspänningarna på sin primära lindning.För enfasbelastningar är lindningarna anslutna parallellt på sekundärsidan.Källspänningen går till de kombinerade sekundärerna för att ändra enfas till trefas, vilket ger en balanserad trefasutgång.
Genom att hålla transformatorkärnor separata tillåter denna magnetiska separation två transformatorer att skapa den tredje fasspänningen som behövs för trefaselektricitet utan överbelastning.För att ändra enfas till trefas eller trefas till enfasspänning med färre delar är Scott-anslutningen ett kostnadseffektivt val.Scott-anslutningen används ofta för att konvertera trefas-system till tvåfas-system.
Sick-zag-transformatoranslutningen involverar att dela upp varje fas som lindas i två lika halvor, med första halvlek på en kärna och andra halvlek på en annan kärna.Detta mönster upprepas för varje fas, vilket resulterar i delar av två faser på varje lem, med en lindning på varje lem ansluten vid slutpunkterna.
När balanserade spänningar appliceras förblir systemet passivt, med inducerade spänningar som avbryter varandra, vilket skapar transformatorn som en hög impedans för positiva och negativa sekvensspänningar.Under obalanserade tillstånd, såsom markfel, ger lindningarna en låg impedansväg för nollsekvensströmmar, delar strömmen jämnt i tre och återlämnar den till respektive faser.Impedansen kan justeras för att ställa in den maximala markfelsströmmen, eller transformatorn kan användas med ett markmotstånd för att upprätthålla ett konsekvent värde över ett medellångsspänningssystem.

Bild 16: Zig-zag trefasanslutning
Trefastransformatorer ingår i två huvudkategorier: torrtyptransformatorer och vätskefyllda transformatorer.Varje typ har unika egenskaper baserat på deras kylmetoder och konstruktion.

Bild 17: Torktyptransformator
Transformatorer av torrtyp använder luft för kylning.De är indelade i öppna ramtransformatorer och gjutbesökspoltransformatorer.
Öppna ramtransformatorer: Öppna ramtransformatorer har exponerat hart-impregnerade kärnor och spolar och är designade för slutna utrymmen.De hanterar vanligtvis spänningar upp till 1000V och driver upp till 500 kVa.Deras design möjliggör effektiv kylning, vilket gör dem lämpliga för miljöer som kräver lågt brus och minimalt underhåll.Men deras exponerade natur kräver en kontrollerad miljö för att undvika förorening.
Gjut-bosattransformatorer: I gjutningsresinspoltransformatorer är varje spole gjuten i epoxi, vilket ger bättre skydd och tillförlitlighet.De kan hantera spänningar upp till 36,0 kV och kraft upp till 40 MVA.Epoxi -kapslingen erbjuder utmärkt isolering, mekanisk styrka och motstånd mot fukt och föroreningar.Detta gör dem idealiska för industriella och utomhusinställningar.

Bild 18: Vätskefylld transformator
Vätskefyllda transformatorer är nedsänkta i mineralolja inuti vakuumtätade metallbehållare.Oljan fungerar som ett kylande och isolerande medium.Dessa transformatorer är lämpliga för högre effekt- och spänningsapplikationer, med betyg som sträcker sig från 6,0 kV till 1 500 kV och kraft upp till 1000+ MVA.Mineraloljan tillhandahåller överlägsen kyleffektivitet och isolering, vilket gör dem idealiska för hög efterfrågade industri- och verktygsapplikationer.
De vakuumtätade behållarna skyddar komponenterna från miljöfaktorer, vilket säkerställer hållbarhet och tillförlitlighet.Vätskefyllda transformatorer föredras för storskalig kraftfördelning på grund av deras förmåga att hantera höga belastningar och upprätthålla stabila prestanda.För att få saker att gå smidigt och undvika överhettning, måste värmen vara tillräckligt spridd via oljedrivning.
Tre-fas transformatorer konstruktion, vare sig kärntyp eller skal-typ, värdefull för att hantera magnetflöde och minska förluster.Kärntyptransformatorer är lämpliga för högspänningsoperationer, medan skal-typ transformatorer erbjuder bättre vågformstabilitet och effektivitet.Deras operativa principer, inklusive balanserad magnetisk flödesfördelning och 120-graders kärnplacering, säkerställer effektivitet och minskade energiförluster.Specialiserade anslutningar, såsom Scott och Zig-Zag, förbättrar deras mångsidighet för specifika applikationer.Att välja mellan torrtyp och vätskefyllda transformatorer beror på kylbehov, spänningsnivåer och miljöförhållanden.Att förstå de tekniska detaljerna och fördelarna med olika transformatortyper och konfigurationer gör det möjligt för ingenjörer att optimera kraftsystem för stabilitet, effektivitet och livslängd.
När en 3-fasmotor förlorar en av sina faser kallas tillståndet som enstaka fasning.Motorn kommer att försöka fortsätta arbeta, men den kommer att uppleva flera negativa effekter.Först kommer motorn att producera mindre kraft och köra med ökad vibration och brus.Det kommer också att dra mer aktuell på de återstående två faserna, vilket leder till överhettning och potentiella skador på motorlindningarna.Om den lämnas under dessa förhållanden kan motorn drabbas av skador och dess livslängd kommer att reduceras.Praktiskt taget kommer operatörerna att märka ett ovanligt brummande ljud, minskad prestanda och eventuellt en ökning av temperaturen på motorhöljet.
Trefastransformatorer är anslutna i antingen en delta (5) eller WYE (Y) -konfiguration.Delta-anslutningen bildar en sluten slinga med varje transformatorlindning ansluten ände till ände, vilket skapar en triangel.Wye -anslutningen ansluter varje transformator som lindas till en gemensam neutral punkt och bildar en "y" -form.Dessa konfigurationer påverkar spänningsnivåerna, fördelningen av belastningar och jordningsmetoden i det elektriska systemet.
En 3-fas transformator har sex terminaler på primärsidan och sex på sekundärsidan.Dessa terminaler motsvarar de tre faserna (A, B och C) och deras respektive ändar (H1, H2, H3 för primärsidan och x1, x2, x3 för sekundärsidan).Om transformatorn är konfigurerad i en WYE (Y) -anslutning kan det också finnas en neutral terminal på både de primära och sekundära sidorna.
En 3-fas transformator har tre primära ledningar och tre sekundära ledningar om de är anslutna i delta-delta- eller delta-wye-konfiguration.Om den är ansluten i Wye-Wye eller Wye-Delta-konfiguration kan det finnas en ytterligare neutral tråd på antingen den primära sidan, den sekundära sidan eller båda.Således kan den ha mellan tre till fyra ledningar på varje sida, beroende på konfigurationen och närvaron av neutrala anslutningar.
Ett 3-fas-system använder tre kraftkablar, var och en med en fas av den elektriska tillförseln.Om systemet innehåller en neutral tråd kommer det att ha fyra kablar totalt.För system som inkluderar en jord (mark) kan det finnas fem kablar helt: trepastrådar, en neutral tråd och en jordtråd.
Om en fas av en 3-fas transformator misslyckas kan det leda till flera problem.Transformatorn kommer inte att kunna leverera balanserad trefaseffekt, vilket resulterar i en obalanserad belastning.Detta tillstånd kan orsaka överhettning, ökad ström i de återstående faserna och möjliga skador på ansluten utrustning.Kraftkvaliteten kommer att försämras, vilket leder till potentiellt fel eller misslyckande av enheter som förlitar sig på trefaseffekt.Operatörer kommer att märka en nedgång i prestanda, ökat brus och möjlig överbelastning av det elektriska systemet.
Den vanligaste anslutningen av 3-fas är Delta-Wye (Δ-y) -anslutningen.I denna konfiguration är den primära lindningen ansluten i ett delta -arrangemang och den sekundära lindningen är ansluten i ett WYE -arrangemang.Denna installation används ofta eftersom den möjliggör omvandling av spänningar och ger en neutral punkt för jordning, vilket förbättrar säkerheten och stabiliteten i det elektriska distributionssystemet.
Kraftfördelning: De är värdefulla vid överföring och distribution av elektrisk kraft över långa avstånd, vilket minskar spänningsnivåerna för säkert bostads-, kommersiellt och industriellt bruk.
Industriutrustning: Många industrimaskiner och motoriska enheter kräver trefaseffekt för effektiv drift, vilket gör dessa transformatorer bra i industriella miljöer.
HVAC-system: Stora uppvärmnings-, ventilations- och luftkonditioneringssystem använder ofta trefaseffekt för sina kompressorer och motorer.
Förnybara energisystem: De används i inställningar för förnybar energi, såsom vind- och solkraftverk, för att omvandla och distribuera genererad kraft effektivt.
Elektriska rutnät: De spelar roll i transformatorstationer och kraftnät och avgår ner höga transmissionsspänningar till lägre fördelningsnivåer.
Skicka en förfrågan, vi svarar omedelbart.
på 2024/06/29
på 2024/06/28
på 8000/04/18 147757
på 2000/04/18 111936
på 1600/04/18 111349
på 0400/04/18 83721
på 1970/01/1 79508
på 1970/01/1 66911
på 1970/01/1 63048
på 1970/01/1 63012
på 1970/01/1 54081
på 1970/01/1 52128