
Bild 1: Upp/ned mot disken
En upp/ner -räknare, eller dubbelriktad räknare, övervakar och justerar numeriska värden i både uppåt och nedåtriktningar baserat på en insignal.Denna dubbla funktionalitet är grundläggande i system som kräver ökande och minskande räkningar och svarar dynamiskt på förändringar i den operativa miljön.Dessa räknare börjar vanligtvis på noll och ökning tills de når en förutbestämd gräns, som utlöser en åtgärd i systemet.Alternativt kan de börja med ett inställt maximivärde och minska ner till noll, och aktivera ett liknande svar när de når den nedre gränsen.

Bild 2: TTL 74LS190 -modeller
Till exempel är TTL 74LS190 och 74LS191 -modellerna vanliga versioner av denna räknare.De har en läge ingångsstift som möjliggör växling mellan uppåt och nedåt räkning.Denna lägesbrytare sker smidigt utan att avbryta räkningssekvensen.

Bild 3: 4-bitars upp/ned mot disken
En typisk 4-bitars upp/ner-räknare illustrerar tydligt denna operativa flexibilitet.När den är konfigurerad för att räkna uppåt rör sig räknaren från det binära värdet 0000 till 1111, som täcker alla möjliga kombinationer inom ett 4-bitars system (0 till 15 i decimal).Att byta till räkning nedåt vänder denna process och minskar tillbaka till 0000. Förändringen mellan varje nummer sker med precision, kontrollerad av en klocksignal som driver räkningen synkroniserad med systemets tidsbehov.

Bild 4: D-typ flip-flop
Var och en av de fyra bitarna styrs av en flip-flop av D-typ i en kantutlöst installation.Dessa flip-flops fungerar tillsammans i en kedja, med utgången från varje flip-flop som matas in i nästa.För att säkerställa korrekt räkning använder räknaren den inverterade utgången från varje flip-flop som feedback till dess datainmatning, särskilt under antalet nedåt.Denna design skapar en smidig, förutsägbar övergång mellan siffror.Varje flip-flops tillståndsförändring påverkar direkt nästa, vilket håller räkningsprocessen pålitlig och i följd.

Bild 5: 3-bitars upp/ner räknaren
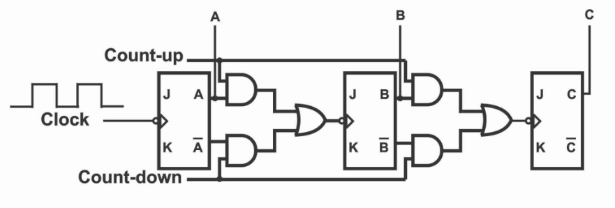
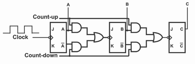
Kretsdesignen för en 3-bitars upp/ner-räknare använder en effektiv installation där JK-flip-flops konfigureras om som T-typ (växel) flip-flops.Denna modifiering gör det möjligt för räknaren att växla smidigt mellan att räkna upp från 0 (binär 000) till 7 (binär 111) och räkna ner i omvänd riktning.Enkelheten i denna design förbättrar dess funktionalitet och tillförlitlighet.
I uppräkningsläget styrs sekvensen av utgången från varje flip-flop.Specifikt är "Q" -utgången från en flip-flop ansluten direkt till klockingången till nästa flip-flop.Denna installation säkerställer att varje flip-flop växlar som svar på den före den.När klockpulserna tas upp, ökar räknaren ett steg i taget, börjar från 000 och rör sig i följd upp till 111. Denna direkta koppling mellan flip-flops säkerställer en smidig och logisk utveckling under uppräkningen, med varje flip-Flops statliga förändring som driver nästa i raden.
När räknaren är inställd på att räkna ner vänder mekanismen.Istället för att använda de direkta "Q" -utgångarna förlitar sig systemet på de inverterade utgångarna för varje flip-flop.Dessa inverterade signaler matas in i klockingångarna till följande flip-flops, vilket får räknaren att avgå på ett kontrollerat, sekventiellt sätt.Varje klockpuls utlöser nu en minskning i den binära sekvensen, från 111 tillbaka till 000. Denna metod säkerställer att övergångarna förblir ordnade och undviker eventuella störningar i räkningsprocessen.
Driften av en upp/ner -räknare styrs av en upp/nedgångssignal, som direkt ställer in räkningsriktningen.Denna ingång säkerställer att räknaren antingen räknas upp eller ner, men aldrig båda samtidigt.Systemet uppnår denna exklusivitet genom att använda en inverterare, som vänder styrsignalen och ser till att endast ett räkningsläge är aktivt vid varje givet ögonblick.
Uppräkningsläge: När räknaren är inställd på att räkna upp aktiveras en specifik uppsättning logikgrindar.Dessa grindar leder räknaren genom en steg-för-steg-progression, börjar vid binära 000 och flyttar upp till 111 (eller från 0 till 7 i decimal).Varje klockpuls utlöser ett hopp till nästa binära nummer och upprätthåller en smidig och förutsägbar sekvens.Konstruktionen säkerställer att räknaren följer ett tydligt och konsekvent mönster och följer standardbinära progressionsregler.
Nedräkningsläge: Att byta räknaren för att räkna ner får kretsarna att anpassa sig på ett kontrollerat sätt.De logiska grindarna som hanterar uppåträkningen är nu avstängd, medan en annan uppsättning grindar tar över för att hantera den nedåtgående räkningsprocessen.I detta läge förlitar sig systemet på inverterade signaler som flyter genom flip-flops, som är ansvariga för att kontrollera nedräkningen.När klockpulserna fortsätter, går räknaren bakåt från 111 till 000, lika smidigt och pålitligt som det räknas uppåt.Denna driftsförändring visar räknarens förmåga att hantera båda riktningarna effektivt.
Vägen upp/ner räknare interagerar med klockpulser ger värdefull insikt i deras förmåga att hantera timing och sekvenskontroll.I en asynkron räknare påverkar varje klockpuls direkt tillstånden i räknarens flip-flops och driver räkningsprocessen.
I ett typiskt nedgångsläge kan räknaren börja till ett binärt värde av 111 (vilket motsvarar 7 i decimal).Systemet reagerar på den negativa kanten på varje klockpuls, vilket får utgången från den första flip-flop (QA) att förändras.Denna förändring utlöser sedan en kaskadeffekt, där utgången från QA påverkar nästa flip-flop (QB) och så småningom påverkar den tredje flip-flop (QC).När varje klockpuls anländer fortsätter denna kaskad och minskar räkningen steg för steg från 7 ner till 0. Varje flip-flop påverkas i sekvens av den föregående, vilket säkerställer att räkningen fortskrider smidigt och förutsägbart.
Under räkningen är processen något annorlunda.Här utlöser utgången från varje flip-flop nästa flip-flop i linje.Från 000 (binär 0) ökar varje klockpuls räknaren, med den första flip-flopen som utlöser den andra och den andra utlöser den tredje.Denna process fortsätter tills räknaren når 111 (binär 7).Varje åttonde klockpuls slutför räkningscykeln, vid vilken tidpunkt räknaren återställs tillbaka till 000 och börjar igen.Detta säkerställer en konsekvent och repetitiv cykel som upprätthåller exakt tidpunkt.
74193 IC är en mångsidig 4-bitars synkron upp/ner binär räknare som kan räkna i båda riktningarna, upp till Modulo-16.Den använder ingångar med dubbla klockor - en för att räkna upp och en för att räkna ner - tillåter exakt kontroll över räkningsriktningen.Denna design säkerställer att räknarens utgång stannar i perfekt synkronisering med insatslocksignalerna och förbättrar både noggrannhet och lyhördhet i sin verksamhet.
En nyckelfunktion i 74193 IC är dess masteråterställning.Denna stift rensar direkt det aktuella antalet och ställer in alla utgångar till noll.Det är särskilt användbart under systemtestning eller när du behöver starta om räknaren i ett känt tillstånd.Detta gör att rekonfigurering eller felsökningssystem snabbare och effektivare.Dessutom har IC dedikerade räkningar och nedräkningsterminaler, vilket ytterligare förbättrar dess flexibilitet, vilket gör den lämplig för olika digitala räkningsapplikationer där exakt kontroll behövs.

Bild 6: 74193 IC Pinout
Pinoutlayouten för 74193 IC är utformad för maximal funktionalitet.Det innehåller ingångsstift som gör det möjligt för användare att förinställa räknaren att starta från ett specifikt värde, vilket är idealiskt för anpassade applikationer som kräver specifika initiala tillstånd.Utgångsstift ger realtidsåterkoppling på det aktuella antalet, vilket gör det enkelt att övervaka eller integrera räknaren i större system som behöver liveuppdateringar.Ett anmärkningsvärt drag i 74193 IC är rippelbärande utgångsstiftet.Denna stift gör det enkelt att utöka räknarens kapacitet genom att ansluta (eller kaskad) flera IC: er.Genom att använda den här funktionen kan du bygga högordningsräknare som hanterar större räkningar, vilket är lämpligt för mer avancerade digitala system som kräver högre precision eller större räknare.
IC 74193 är en mångsidig komponent som används för att bygga flexibla räkningskretsar som kan anpassas för ett brett utbud av applikationer.I kärnan fungerar den pålitligt genom att ansluta stift 16 till VCC, vilket säkerställer en stabil strömförsörjning.Denna anslutning används för att upprätthålla konsekvent drift i alla system.IC 74193 är designad med flera ingångsstift som möjliggör konfigurering av olika operativa lägen.En av de viktigaste funktionerna är dess aktiva låga parallella lastingång, som ger användarna möjlighet att börja räkna från alla förinställda värdet.Denna funktion är särskilt användbar när exakt kontroll över räkningssekvensen krävs, eftersom den gör att räknaren kan hoppa till ett specifikt värde innan räkningen startar.
En stor fördel med IC 74193 är dess förmåga att enkelt växla mellan upp och ner räkningslägen.Detta kan göras genom att göra enkla justeringar av relevanta stift.Möjligheten att växla mellan dessa lägen utan komplicerade konfigurationer gör IC mycket flexibel, vilket gör det möjligt att hantera både grundläggande och mer komplexa räkningsuppgifter.
Upp räknare och nedräknare tjänar olika syften baserat på deras räkningsriktningar.En uppräknare börjar vid noll och steg till en fast gräns, vilket gör den väl lämpad för uppgifter som kräver spårning av framsteg i en framåtsekvens.Exempel inkluderar applikationer som tidsspårning eller evenemangssekvensering, där varje steg rör sig uppåt på ett linjärt sätt tills ett målvärde har uppnåtts.
Å andra sidan börjar en nedre räknare till ett definierat maximivärde och räknas nedåt till noll.Denna typ av räknare är särskilt användbar i scenarier där du behöver spåra en process i omvänd riktning.Vanliga användningsområden inkluderar nedräkningstider, där den återstående tiden spåras när den minskar eller resursspårning, där du övervakar hur mycket av en resurs som finns kvar när den konsumeras.
Upp/ner räknare är mycket värderade för sin enkla design och synkron drift, vilket gör dem fördelaktiga i system som kräver snabb och pålitlig räkning.Deras förmåga att räkna både upp och ner säkerställer flexibel kontroll, vilket är särskilt användbart i applikationer där timingprecision och snabba svar sätter sig.Oavsett om det används för att spåra händelser, tidtagning eller hantera resurser, ger dessa räknare en enkel och effektiv lösning i en mängd digitala system.
Deras design möjliggör smidiga och förutsägbara övergångar mellan stater, vilket gör dem idealiska för realtidsapplikationer.Till exempel används de ofta i evenemangsräknare, timers eller system som behöver sekventiell räkning i båda riktningarna, till exempel i industriell automatisering eller digitala klockor.
Trots deras styrkor kan upp/ned -räknare möta utmaningar med högre hastigheter.När klockhastigheten ökar blir förseningar av utbredningen mer märkbara, vilket kan leda till räkningsfel.Dessa förseningar inträffar eftersom signalen tar längre tid att röra sig genom varje steg i räknaren, vilket minskar noggrannheten i systemets tidpunkt, särskilt i höghastighetsmiljöer.
En annan begränsning uppstår när bitarnas bitstorlek växer.Större räknare, som hanterar högre siffror, lägger till komplexiteten i systemet.Denna ökning av komplexitet kan införa synkroniseringsproblem eller felaktiga räkningar, särskilt när flera räknare är anslutna i en större digital krets.System som förlitar sig på exakt synkronisering över flera räknare, till exempel storskaliga digitala system, kan uppleva fel eller felaktigheter om designen inte noggrant hanteras.
Upp/ner räknare används allmänt över många industriella och tekniska tillämpningar på grund av deras förmåga att räkna i båda riktningarna.

Bild 7: Auto-återvändande mekanismer
En av de mest betydelsefulla användningarna av upp/ned-räknare är i auto-vändningsmekanismer.I system som transportband eller motorstyrning möjliggör dessa räknare dubbelriktad räkning, vilket möjliggör exakt hantering av mekaniska rörelser.Till exempel säkerställer de att maskiner kan byta vägbeskrivning smidigt vid behov, vilket förbättrar kontrollen över produktionsprocesser.

Bild 8: Tid och signalhantering
Upp/ner -räknare spelar också en viktig roll i klockdivisionskretsar, där de hanterar tidsintervall för att hålla digitala signaler ordentligt tidsinställda.I dessa system delar räknaren klocksignalen i mindre intervaller, vilket säkerställer att hela kretsen fungerar synkroniserad.Detta är allvarligt i digitala enheter som förlitar sig på korrekt signaltid för korrekt funktion, till exempel processorer eller kommunikationssystem.

Bild 9: Fordonsparkeringssystem
En annan praktisk applikation är i fordonsparkeringssystem, där upp/nedbänker håller reda på tillgängliga parkeringsplatser.Varje gång en bil kommer in eller går ut justerar räknaren räkningen för att återspegla antalet öppna platser.Denna automatiska spårning förbättrar rymdhanteringen och förbättrar den totala effektiviteten för parkeringsanläggningar genom att tillhandahålla exakta data i realtid om beläggningsnivåer.

Bild 10: Frekvensdivision inom digital elektronik
Inom området digital elektronik fungerar upp/nedräknare som frekvensdelare och delar upp en ingångsfrekvens till mindre och mer hanterbara.Detta är särskilt betydelsefullt vid signalbehandlings- och kommunikationssystem, där olika komponenter kräver exakt frekvenskontroll.Genom att modulera ingångsfrekvenser säkerställer dessa räknare smidig drift över enheter som förlitar sig på korrekt signaltid och modulering.
Under hela artikeln har komplexiteten och mångsidigheten hos upp/ned -räknare analyserats grundligt, vilket visar upp deras användbara roll i digital kretsdesign.Den detaljerade utforskningen i olika modeller, till exempel 74193 IC, belyser anpassningsförmågan och precisionen som dessa komponenter erbjuder digitala system.Genom att jämföra upp och ner räknare betonar diskussionen deras specifika fördelar i olika applikationer, från enkel händelseräkning till komplex frekvensavdelning.Dessutom behandlar artikeln potentiella begränsningar, till exempel förseningar i förökning och synkroniseringsutmaningar, vilket ger insikt i effektiva designöverväganden som kan förbättra systemets tillförlitlighet.Avsnittet om utvidgade applikationer bekräftar räknarenas erforderliga användbarhet i precisionskontroll och signalhantering, vilket bevisar att upp/ned -räknare är grundläggande för utvecklingen och effektiviteten i samtida tekniska infrastrukturer.Denna detaljerade undersökning understryker inte bara de operativa nyanserna av upp/ned -räknare utan också deras betydande inverkan på designen och funktionaliteten hos moderna digitala system.
74193 är en specifik typ av integrerad krets (IC) utformad som en synkron upp-ner-räknare.Det kan räknas i båda riktningarna: ökning (upp) och minskning (ned).Den har en 4-bitars binär utgång och kan ställas in för att räkna i valfri sekvens inom dess 4-bitarsintervall.Operatörer använder det vanligtvis i applikationer där reversibel räkning krävs, till exempel i digitala klockor eller evenemangsräknare i industriella system.
IC 74192 är en annan modell av en synkron upp-ned-räknare.Till skillnad från 74193 är 74192 utformad för att räkna upp eller ner genom ett decennium (0 till 9 eller 9 till 0) och är således ett decenniumräknare.Det används där räkningar måste visas eller beräknas i decimal snarare än binär form, till exempel i kalkylatorer eller digitala mätare.
En upp-ner-räknare fungerar genom att ändra sitt tillstånd med varje puls från en klockingång, räkna upp eller ner beroende på det valda läget.Varje puls får räknarens utgång till antingen ökning eller minskning av en enhet.I praktiska tillämpningar kan tekniker använda dessa räknare för att mäta frekvens och tidsintervall, eller bestämma positionen i mekaniska system genom att spåra antalet framåt- eller omvända rörelser.
Vanliga IC-nummer för upp-ner-räknare inkluderar 74193 och 74192, såsom diskuterats ovan.Dessa siffror är en del av 7400 -serien av digitala logik IC: er, vilket indikerar att de är designade för digitala räkningsuppgifter bland andra funktioner.
Integrerade kretsar (ICS) som används i räknare inkluderar en mängd olika typer baserade på räkningsbehovet.Vanliga IC: er är 74193 respektive 74192 för binär respektive decimalräkning.Andra kan inkludera 4029, som är en programmerbar upp-ner-räknare, lämplig för mer komplexa applikationer där förinställda räkningsgränser och flera räkningslägen behövs.I praktiska scenarier, såsom tillverkningslinjer eller digitala system, hjälper dessa IC: er att upprätthålla exakta räkningar för operationer eller objekt.
Skicka en förfrågan, vi svarar omedelbart.
på 2024/09/21
på 2024/09/20
på 8000/04/18 147758
på 2000/04/18 111949
på 1600/04/18 111349
på 0400/04/18 83722
på 1970/01/1 79508
på 1970/01/1 66920
på 1970/01/1 63077
på 1970/01/1 63012
på 1970/01/1 54081
på 1970/01/1 52145