
En typisk ensiffrig 7-segmentskärm har 10 stift.Varje stift styr ett specifikt segment, med undantag för de två stiften som fungerar som vanliga terminaler för kraft.Till exempel ansluter stift 1 till segmentet 'E' (längst ner till vänster), medan stift 2 styr segmentet 'D' (botten).Stift 3 och 8 är de vanliga terminalerna antingen alla anslutna till marken (vanlig katod) eller kraft (vanlig anod).Resten av stiften lyser upp segmenten 'c', 'b', 'a', 'f', 'g' och decimalpunkten.

Bild 2. 7-segment Display Pin Configuration
| Stiftnummer | Stiftnamn | Beskrivning |
| 1 | e | Kontrollerar den vänstra nedre lysdioden på 7-segmentsdisplayen |
| 2 | d | Kontrollerar den nedre LED av 7-segmentskärmen |
| 3 | Com | Ansluten till mark/VCC baserat på typ av display |
| 4 | c | Kontrollerar den högra LED på 7-segmentskärmen |
| 5 | Kardp | Kontrollerar decimalpunkten för 7-segmentskärmen |
| 6 | b | Styr den övre högra lysdioden för 7-segmentskärmen |
| 7 | en | Kontrollerar den mest LED av 7-segmentskärmen |
| 8 | Com | Ansluten till mark/VCC baserat på typ av display |
| 9 | f | Styr den övre vänstra lysdioden på 7-segmentskärmen |
| 10 | g | Styr den mellersta lysdioden i 7-segmentskärmen |
• Segmentstruktur: En 7-segmentskärm innehåller sju lättare staplar arrangerade för att bilda nummer, som liknar formen på en "8."Dessa segment är märkta 'A' genom 'G', med ett valfritt åttonde segment, decimalpunkten (DP), vanligtvis belägen längst ner till höger.Genom att kombinera dessa segment i olika mönster kan skärmen representera siffror 0–9 och några enkla bokstäver som A - F.Denna enkla layout gör den idealisk för numeriska skärmar på grund av dess användarvänlighet.
• Visningsteknik: Dessa skärmar använder vanligtvis lysdioder, där varje segment tänds när elektrisk ström flyter genom den.LED-baserade modeller är ljusa, energieffektiva och synliga i olika ljusförhållanden.Vissa versioner använder LCD-teknik, som konsumerar mindre kraft och är väl lämpad för batteridrivna enheter, även om LCD-skivor i allmänhet är dimmer och mindre synliga i ljusa miljöer.
• Konfigurationstyper: Det finns två primära ledningsmetoder: Common Cathode (CC) och Common Anode (CA).I CC -skärmar är alla negativa terminaler anslutna samman och segmenten aktiveras genom att leverera en positiv spänning.I CA -skärmar är alla positiva terminaler anslutna och segmenten slås på genom att grunda de enskilda katoderna.Valet beror på kretsdesignen och hur skärmen drivs.
• Karaktärsrepresentation : Även om de huvudsakligen är utformade för siffror, kan dessa skärmar också visa ett begränsat utbud av bokstäver, särskilt A till F, vilket är användbart för hexadecimala utgångar.På grund av att de bara har sju segment kan de inte exakt bilda de flesta bokstäver eller komplexa symboler, men de räcker för grundläggande alfanumeriska behov.
• Kontroll och gränssnitt: Varje segment kan slås på eller av individuellt, ofta styrda av mikrokontroller GPIO -stift.För att förenkla kontrollen kan avkodare/drivrutiner som 7447 eller CD4511 konvertera binära ingångar till rätt segmentkombinationer, vilket minskar antalet anslutningar som behövs.
• Fördelar: Deras huvudsakliga styrkor inkluderar låg kostnad, enkel kontroll och läsbarhet.LED -typer är ljusa och hållbara, medan LCD -varianter sparar kraft.Dessa egenskaper gör dem populära för många elektroniska enheter, särskilt där enkel numerisk utgång är tillräcklig.
• Begränsningar: Den största nackdelen är den begränsade teckenuppsättningen, de kan inte visa fulltext eller intrikat grafik.LED -modeller kan ha smala visningsvinklar, medan LCD -skivor kan kämpa med synlighet i starkt ljus.Dessa begränsningar bör beaktas när du väljer en visningstyp för ett projekt.
|
Visa
Typ |
Beskrivning |
Fördelar |
Begränsningar |
|
7-segmentskärmar |
Sju LED -segment för siffror
och några karaktärer. |
Mycket lätt att använda |
Visar bara siffror och begränsade tecken |
|
Dot Matrix -skärmar |
Rutnät av lysdioder (t.ex. 5x7 eller 8x8) som bildar anpassningsbara
karaktärer och animationer. |
Billigt och allmänt tillgängligt |
Inte lämplig för text eller grafik |
|
Låg effektförbrukning |
Mer komplex att programmera |
||
|
Används i skyltar, klockor, etc. |
|||
|
LCD -skivor |
Preformaterade LCD -skivor (t.ex. 16x2, 20x4) som visar rader av
Tecken med fast storlek (vanligtvis 5x8 prickformat). |
Enkelt att gränssnitt (standardprotokoll) |
Tecken med fast storlek |
|
Perfekt för menyer/statusdisplayer |
Begränsade grafikfunktioner |
||
|
Läsbar i olika belysning |
Långsammare uppdatering än grafiska skärmar |
||
|
OLED -skärmar |
Självemitterande skärmar med hög kontrast;Finns i
monokrom eller fullfärg. |
Hög kontrast och bred visningsvinklar |
Högre kostnad |
|
Tunt och lätt |
Kortare livslängd (särskilt blå pixlar) |
||
|
Låg effekt när du visar mörkt innehåll |
Behöver mer minne och bearbetning |
||
|
TFT -skärmar |
LCD-skivor med full färg, högupplöst med aktiv matris,
ofta beröring. |
Rik färg & detalj |
Högeffektförbrukning |
|
Kan inkludera beröring |
Kräver mer RAM/bearbetning |
||
|
Perfekt för videor, GUIS, instrumentpaneler |
Dyrare och komplex att integrera |
Driften av en 7-segmentskärm är baserad på att förspänna de ljusemitterande dioderna (lysdioder) inom varje segment.När en spänning appliceras i rätt riktning, från anoden till katoden, tänds segmentet.Varje segment kan styras oberoende, vanligtvis genom en mikrokontrollers digitala utgångsstift eller en specialiserad skärmdrivrutin.Dessa styrenheter bestämmer vilka segment som är aktiverade vid varje given tidpunkt baserat på önskad karaktär.
För att förhindra skador på lysdioderna från överdriven ström, är ett strömbegränsande motstånd anslutet i serie med varje segment.Detta motstånd säkerställer att strömmen som strömmar genom varje LED förblir inom ett säkert intervall, vilket vanligtvis är cirka 20 till 30 milliamper (MA).Det exakta värdet kan emellertid variera beroende på vilken typ av LED som används och den nödvändiga ljusstyrkan.Det finns två huvudsakliga operativa lägen för 7-segmentskärmar:
1. Statisk läge: I detta läge slås varje siffra och dess motsvarande segment kontinuerligt.Denna installation kräver en separat kontrolllinje för varje segment av varje siffra, vilket kan bli ineffektivt om många siffror används.Men det erbjuder enkelhet och konstant ljusstyrka.
2. Multiplexerat läge : För att minska antalet kontrolllinjer och strömförbrukning körs ofta skärmar i multiplexerat läge.I detta läge tänds bara en siffra åt gången, men systemet växlar snabbt mellan siffrorna med en hastighet som är tillräckligt hög för att uppfatta alla siffror som kontinuerligt upplysta.Denna omkoppling hanteras ofta med hjälp av mikrokontrolltider eller skiftregister, som möjliggör exakt tidpunkt och kontroll.

Bild 3. Segmentkartläggning i en 7-segment LED-display
Figuren ovan illustrerar strukturen och märkningen av en 7-segmentskärm.Den visar det rektangulära arrangemanget av de sju segmenten (a, b, c, d, e, f och g) över tio olika vyer av skärmen.I varje bild är olika segment skuggade gröna för att representera deras aktivering.Detta hjälper till att visualisera hur varje enskilt segment bidrar till att bilda siffror.Figuren belyser systematiskt olika kombinationer, vilket hjälper till att förstå hur man slår på specifika segment skapar igenkännliga karaktärer.
För att visa en siffra skickar mikrokontrollern en binär kod som slår på den högra kombinationen av segment.Till exempel för att visa "0", segment A, B, C, D, E och F är påslagen och G är av.För en vanlig katodskärm är detta binärt 0B00111111 (eller 0x3f i hex).För en vanlig anod är logiken inverterad 0B11000000 (0xc0).Koden måste matcha visningstypen, eller fel segment kommer att tändas.Att använda binära uppslagstabeller sparar behandlingstid och säkerställer snabba, exakta uppdateringar, särskilt i dynamiska applikationer som räknare eller timers.
Tabellen nedan illustrerar hur siffror visas på en 7-segmentskärm med en vanlig anodkonfiguration:
|
Antal |
g f e d c b a |
Hexkod |
|
0 |
1000000 |
C0 |
|
1 |
1111001 |
F9 |
|
2 |
0100100 |
A4 |
|
3 |
0110000 |
B0 |
|
4 |
0011001 |
99 |
|
5 |
0010010 |
92 |
|
6 |
0000010 |
82 |
|
7 |
1111000 |
F8 |
|
8 |
0000000 |
80 |
|
9 |
0010000 |
90 |
Tabellen nedan visar siffrorna när de visas på en 7-segmentskärm med en gemensam katodkonfiguration:
|
Antal |
g f e d c b a |
Hexkod |
|
0 |
0111111 |
3f |
|
1 |
0000110 |
06 |
|
2 |
1011011 |
5b |
|
3 |
1001111 |
4f |
|
4 |
1100110 |
66 |
|
5 |
1101101 |
6d |
|
6 |
1111101 |
7d |
|
7 |
0000111 |
07 |
|
8 |
1111111 |
7f |
|
9 |
1001111 |
4f |
I denna installation är varje segment av en dubbelsiffrig 7-segmentskärm ansluten till Arduino UNO genom ett strömbegränsande motstånd (vanligtvis 220Ω till 330Ω).Segmenten märkta A till G (och valfri decimalpunkt DP) är kopplade parallellt över båda siffrorna och anslutna till digitala stift D2 till D9 på Arduino.Till exempel är segmentet 'A' anslutet till D2, 'B' till D3, och så vidare.Varje siffra har sin egen gemensamma katodstift (CC), som styr om den siffran är aktiverad.Dessa vanliga stift är anslutna till Arduino -stiften D10 och D11 och används för multiplexering: endast en siffra aktiveras åt gången, men växling mellan dem tillräckligt snabbt (vanligtvis> 50Hz) gör att båda siffrorna verkar tänd samtidigt.Använd DigitalWrite () för att kontrollera vilka segment som är på och vilken siffra som är aktiv.En uppslagstabell i dina skisskartor (0–9) till deras motsvarande segmentkombinationer.För att hantera flera siffror effektivt använder du multiplexering i din kod eller ett bibliotek som stöder den.Detta minskar antalet nödvändiga Arduino I/O -stift samtidigt som de aktiverar dynamiska visningsuppdateringar.

Bild 4. 7-segment Display Circuit med Arduino
I en vanlig katod (CC) 7-segmentskärm är alla katodterminaler för de enskilda lysdioderna som bildar visningssegmenten internt anslutna och dirigerade till en eller flera externa vanliga katodstift.Dessa vanliga katodstift är vanligtvis anslutna till marken (GND) i kretsen.Var och en av de enskilda segmenten, märkta från 'A' till 'G', liksom den valfria decimalpunkten (DP), har sin egen anodstift, som styrs oberoende.
För att belysa ett specifikt segment på denna typ av skärm måste en högspänning (vanligtvis +5V eller +3,3V, beroende på systemet) appliceras på motsvarande anodstift.Eftersom katoderna är jordade kommer strömmen att strömma från anoden till katoden, vilket gör att LED -segmentet kan tändas.Användningen av en gemensam katod förenklar gränssnittet med mikrokontroller, eftersom styrenheten aktivt kan källa till de enskilda segmentstiften snarare än att sjunka den.
Denna konfiguration är populär i nybörjarelektronikprojekt på grund av dess enkla ledningar och programmeringslogik.Det gör det möjligt att skapa numeriska eller begränsade alfabetiska tecken genom att kombinera olika segment.Till exempel för att visa numret "2" är segmenten A, B, D, E och G på.Mikrokontrollern aktiverar varje segment genom att ställa in sin respektive stift högt.
Hänsyn uppstår emellertid när man försöker visa tecken som "8", som kräver att alla sju segment ska vara på samtidigt.Varje LED-segment drar en viss mängd ström (vanligtvis cirka 10-20 mA), och belysning av alla segment kan lägga till upp till 140 mA eller mer.De flesta mikrokontroller I/O -stift är inte utformade för att källa till en så stor totalström över flera stift samtidigt.Om för mycket ström dras kan det skada mikrokontrollern eller få den att fungera.För att mildra detta använder många externa drivrutiner (som ULN2003A), transistoruppsättningar eller strömbegränsande motstånd för att säkert hantera belastningen utan att överbelasta mikrokontrollern.

Bild 5. Vanlig katod 7-segment Display Circuit Diagram
Figuren visar de interna och externa ledningarna för en gemensam katod 7-segmentskärm.Displayen är märkt med segment A till G och en decimalpunkt (DP).Varje segment är anslutet till en diodsymbol (D1 till D8), vilket representerar de enskilda LED -segmenten.Alla katoder är anslutna och kopplade till marken, vilket indikerar den vanliga katodkonfigurationen.Att tillämpa en hög signal på alla segmentets anod gör det möjligt för ström att flyta genom segmentet och belysa den.
I en vanlig anod (CA) 7-segment-display är alla anodterminaler för LED-segmenten internt anslutna samman och föras ut till en gemensam stift märkt som den vanliga anoden (CA).Denna vanliga stift är ansluten till en positiv spänningsförsörjning, ofta +5V.Varje enskilt segment på displayen, märkt A till G (med en valfri decimalpunkt märkt DP), har sin katod utsatt för extern anslutning och kontroll.
För att belysa ett specifikt segment måste dess katod vara ansluten till marken (låg) medan den vanliga anoden förblir vid +5V (hög).Detta innebär att logiken för att kontrollera segmenten är inverterad till skillnad från i en vanlig katodskärm, där segment är påslagen med en hög signal, i en vanlig anoddisplay, är de aktiverade med en låg signal.Som ett resultat måste din kontrollkod invertera det binära mönstret som används för en gemensam katodskärm.Till exempel kan ett mönster som lyser upp siffran "0" i en vanlig katodskärm använda ett hexadecimalt värde som 0x3f;Samma mönster för en vanlig anoddisplay skulle vara 0xc0, vilket är den bitvisa omvända.
Mikrokontroller som kan sjunka strömmen (dvs att dra ut utgångsstiftet till marken) är bättre lämpade för att köra CA -skärmar, eftersom de effektivt kan slutföra kretsen för alla segment som måste slås på.Dessa skärmar är också fördelaktiga i system där andra komponenter fungerar med aktiv-låg logik, till exempel när man använder NPN-transistorer eller vissa typer av logikgrindar.Du måste dock se till att firmware eller förarlogik är korrekt konfigurerad för att redogöra för detta inverterade beteende för att undvika visningsfel.

Bild 6. Vanlig anod 7-segment Display Circuit Diagram
Figuren består av två delar.Till vänster finns det ett diagram över en vanlig anod 7-segmentskärm som visar de interna segmentetiketterna (A till G och DP) och hur de är ordnade för att bilda siffror.En enda vanlig anodstift visas ansluten överst.Till höger illustrerar ett förenklat schematiskt kretsmatik hur varje segment (A till G, DP) är ansluten till dess motsvarande diod (D1 till D8), med alla anoder bundna till en gemensam högspänning (CA).Varje katod kan styras individuellt genom jordning för att slå på motsvarande segment.

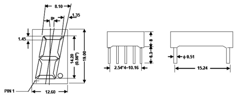
Bild 7. 7-segment DIP-displayöversikt
Diagrammet ovan illustrerar standarddimensionerna för en 7-segmentskärm i ett dubbelt in-line-paket (DIP) -format, som vanligtvis används för genomgångshål PCB-installationer.Displayen står 19,00 mm lång från bas till topp, med siffror som mäter 14,20 mm (0,56 tum) i höjd, en allmänt använt storlek som säkerställer god sikt i både inomhus- och utomhusinställningar.Segmenten är vinklade inåt vid 8 °, vilket förbättrar läsbarheten ur ett overheadperspektiv.
Displayens kropp är cirka 12,60 mm bred och har en tjocklek optimerad för standard PCB -layouter.Stiftavstånd följer den konventionella 2,54 mm tonhöjden, med varje rad som innehåller fyra stift och mäter 10,16 mm i total längd.Raderna är åtskilda 15,24 mm från varandra över paketet.Varje stift har en diameter på 0,51 mm, kompatibel med standarddiputtag eller dimensioner genom hål.Avståndet mellan PCB -ytan och displaybasen sträcker sig från 6,3 mm till 8,0 mm, vilket ger tillräckligt med lödning och luftflöde.
För att välja rätt 7-segment-display börjar du med att bestämma rätt storlek.Mindre fungerar bra för handhållna enheter, medan större förbättrar läsbarheten i meter eller offentliga skärmar.Tänk sedan på färg.Röda lysdioder är vanliga eftersom de är energieffektiva och behöver lägre spänning.Andra färger som grön eller blå använder mer kraft och kräver högre spänning.
Du måste också matcha skärmens typ (vanlig anod eller vanlig katod) till din krets.Till exempel, om din mikrokontroller kan leverera ström (källa), är en vanlig katodskärm en bättre passform.Om den bara kan sjunka ström, gå med en gemensam anod.Kontrollera alltid databladet för aktuella betyg, ljusstyrka och PIN -tilldelningar.Detta säkerställer att din skärm fungerar som förväntat och undviker skador från felaktiga spänningar eller strömmar.
En av de vanligaste användningarna av 7-segmentskärmar är i digitala klockor och armbandsur.Dessa skärmar är idealiska för att visa tid i timmar, minuter och sekunder på grund av deras tydlighet och enkelhet.Oavsett om det är en väckarklocka på ett sängbord eller en väggmonterad kontorsklocka, ger 7-segmentskärmar ett snabbt och enkelt sätt att läsa tiden på avstånd.Deras ljusa belysning gör dem också synliga i svagt ljus eller mörka miljöer.
I både hem- och medicinska miljöer använder digitala termometrar ofta 7-segmentskärmar för att visa temperaturavläsningar.De används i termometrar inomhus/utomhus, kroppstermometrar och VVS -system.Eftersom de bara behöver visa nummer, vanligtvis två eller tre siffror, är 7-segmentskärmar en perfekt passform, och erbjuder snabb, lättlästa utgång utan att kräva en fullständig grafisk skärm.
7-segmentskärmar är en standardfunktion i digitala voltmetrar och multimetrar, som är verktyg som används för att mäta spänning, ström och motstånd.Dessa skärmar gör det möjligt att omedelbart se exakta numeriska avläsningar.Deras snabba responstid och läsbarhet gör dem väl lämpade för elektroniktestning och felsökning.
På bensinstationer använder bränsleutdelare stora, robusta 7-segmentskärmar för att visa mängden bränsleutdelningar, kostnaden per gallon/liter och den totala kostnaden.Deras förmåga att förbli läsbar i solljus och hårda utomhusförhållanden gör dem idealiska för denna miljö.De är också robusta och långvariga, vilket minskar underhållsbehovet.
Många köksapparater, särskilt mikrovågor, använder 7-segmentskärmar för att visa tillagningstid, nedräkningar eller kraftinställningar.Displayen är intuitiv och lätt att tolka, även du inte är tekniskt benägen.Eftersom de kräver minimal kraft och utrymme är de kostnadseffektiva lösningar för tillverkare av apparater.
Både hembadrumskalor och vägningssystem för industriklass använder 7-segmentskärmar för att presentera viktvärden.Dessa skärmar väljs ofta för sin tillförlitlighet och läsbarhet.I industriella sammanhang kan skärmarna vara tillräckligt stora för att ses på avstånd i lager eller produktionsgolv.
I professionella inställningar finns ofta 7-segmentskärmar på mätinstrument, strömförsörjning och övervakningssystem.De används för att visa viktiga numeriska data som frekvens, tryck, spänning eller driftstid.Dessa skärmar erbjuder hållbarhet, noggrannhet och enkel integration i panelmonterade system.
I många inbäddade applikationer där endast siffror krävs, såsom räknare, timers, resultattavlor eller grundläggande diagnostiska verktyg, erbjuder 7-segmentskärmar ett billigt alternativ till mer komplexa grafiska gränssnitt.De konsumerar liten kraft och är enkla att programmera, vilket gör dem lämpliga för batteridrivna eller resursbegränsade system.
Ett enkelt sätt att styra en 7-segmentskärm är att sätta ett motstånd framför varje segment.Detta hjälper till att skydda de små lamporna inuti displayen, kallade lysdioder, från att få för mycket el.För mycket ström kan få lysdioderna att överhettas eller sluta fungera.Dessa motstånd hjälper också till att hålla ljusnivån även över alla segment.Värdet på varje motstånd är vanligtvis mellan 220 ohm (ω) och 470 ohm (ω).Det exakta antalet beror på två saker: strömförsörjningsspänningen och hur ljus du vill att skärmen ska vara.Om du till exempel använder en 5-volt strömförsörjning och varje segment använder cirka 2 volt kommer ett 150-ohm-motstånd att låta cirka 20 milliamps ström genom strömmen.Detta är en bra mängd ström för att göra skärmen tillräckligt ljus men ändå säker för lysdioderna.
Om du använder större motstånd kommer mindre ström att flyta och skärmen kommer att se dimmer ut.Men detta kan hjälpa lysdioderna att hålla längre och använda mindre kraft.Om du använder mindre motstånd ser fler strömflöden och skärmen ljusare ut, men den kan slitna snabbare och bli varmare.I mer avancerade inställningar, som när ett motstånd delas mellan flera segment (kallas multiplexering), kan ljusstyrkan se ojämn ut.Det beror på att olika segment kan dra olika mängder ström.I dessa fall är det bättre att använda ett motstånd för varje segment eller använda specialchips som kontrollerar strömmen automatiskt.Dessa metoder gör att skärmen ser bättre ut och fungerar mer pålitligt ut.

Bild 8. Grundläggande motståndsbaserat 7-segmentets visningsdiagram
Figuren illustrerar ett grundläggande kretsdiagram för att driva en enda 7-segment LED-display med enskilda motstånd för varje segment.Var och en av skärmens segment (märkt A, B, C, D, E, F, G och DP (decimalpunkt)) är ansluten i serie med ett 220Ω -motstånd, vilket begränsar strömmen till säkra nivåer.Dessa motstånd styrs genom switchar som växlar ingången mellan logik "hög" och logik "låg", vilket gör att varje segment kan slås på eller av oberoende.Den gemensamma stiftet på 7-segmentskärmen är ansluten till en delad spänningskälla, vilket möjliggör drift av de enskilda lysdioderna inom displayen baserat på ingångslogiksignalerna.Denna konfiguration exemplifierar det enklaste och mest direkta sättet att testa och använda en 7-segmentskärm manuellt.
Transistorer är som små elektroniska switchar som hjälper till att kontrollera vilka delar av en 7-segmentskärm som lyser upp.I en "vanlig katod" -uppsättning förenas alla negativa ändar (katoder) av lysdioderna och anslutna till marken.För att tända ett segment skickar mikrokontrollern en signal till det positiva änden (anod).Eftersom marken måste slås på och av för att styra varje siffra används NPN -transistorer.Mikrokontrollern skickar en liten signal till transistorns bas (mittben), och detta gör att strömmen kan flyta genom den och tända upp segmentet.
I en "vanlig anod" -uppsättning är alla positiva ändar (anoder) anslutna samman och ansluts till kraft (vanligtvis 5V).Här kan du använda PNP-transistorer eller specialomkopplare som N-kanal MOSFETS för att kontrollera de negativa ändarna (katoder).Displayen tänds när mikrokontrollern skickar en signal för att dra katoden låg (nära 0V).För skärmar med mer än en siffra används multiplexering.Detta innebär att mikrokontrollern slår på en siffra åt gången mycket snabbt, så snabbt att det ser ut som att alla siffror är på en gång.Varje siffra använder sin egen transistor, som mikrokontrollern slår på och av i ordning, medan du skickar rätt signaler till segmenten.
För att skydda mikrokontrollern och se till att transistorerna fungerar korrekt placeras ett litet motstånd (vanligtvis cirka 1 000 ohm) mellan mikrokontrollern och transistorbasen.Detta begränsar hur mycket ström flyter in. Det är också viktigt att välja transistorer som kan hantera mängden ström som behövs av lysdioderna.Om transistorerna är för svaga kan de överhettas eller sluta fungera, och skärmen kanske inte ser rätt ut.Att välja rätt delar och hantera värme hjälper noggrant att fungera bra och hålla längre.

Figur 9. Transistorbaserad kontroll av ett 7-segmentdisplaydiagram
Diagrammet illustrerar en enkel metod för att driva en ensiffrig sju-segmentskärm med åtta switchar (SW1 till SW8), var och en ansluten genom ett 220Ω-motstånd till de enskilda segmenten på skärmen.Segmentstyrningslinjerna dirigeras till displayingångarna, som drivs via en transistoromkopplare (Q1).Ett 1KΩ -motstånd (R9) ansluter transistorbasen till 5V -kontrolllinjen, vilket gör att skärmen kan aktiveras när transistorn är påslagen.Denna installation säkerställer korrekt strömkontroll och effektiv drift av displayen.
En 7-segmentskärmar är ett enkelt och användbart sätt att visa nummer i elektroniska enheter.Varje segment är som ett litet ljus, och genom att slå på rätt kan du visa vilken siffra som helst från 0 till 9. Du kan använda antingen en vanlig katod eller vanlig anoddisplay, beroende på din krets.För att skydda skärmen och din mikrokontroller måste du använda motstånd eller transistorer.Om du har mer än en siffra kan du använda en metod som kallas multiplexering för att tända dem upp en åt gången riktigt snabbt, så att de alla ser upplysta.Dessa skärmar används i många saker som digitala klockor, skalor, mätare och köksapparater eftersom de är billiga, enkla att använda och tydliga att läsa.Med tips från den här guiden kan du säkert och enkelt lägga till 7-segmentskärmar till dina egna projekt.
Skicka en förfrågan, vi svarar omedelbart.
De vanligaste IC: erna som används för att driva 7-segmentskärmar är BCD till 7-segment avkodare/förarens IC: er, såsom 74LS47 (för vanlig anod) eller CD4511 (för vanlig katod).Dessa IC: er tar en 4-bitars binär kodad decimal (BCD) ingång och belyser automatiskt rätt segment för att visa nummer 0–9.Detta sparar mikrokontrollstift och förenklar ledningarna.För avancerad kontroll kan skiftregister som 74HC595 eller displaydrivrutiner som MAX7219 användas för multisiffriga eller multiplexerade skärmar.
Ett BCD till 7-segment-visningsinställning innebär att du använder ett binärt kodat decimal (BCD) -värde (fyra digitala bitar som representerar ett nummer från 0 till 9) och konverterar det till rätt mönster för att tända en 7-segmentskärm.En speciell IC som CD4511 läser BCD -värdet och slår på rätt segment automatiskt.Till exempel kommer BCD-ingång 0100 (decimal 4) att lysa upp segment som visar nummer 4 på 7-segmentet.
För att ansluta en 7-segmentavkodare som CD4511:
Anslut BCD -ingångsstiften (vanligtvis märkta A, B, C, D) till fyra digitala utgångar från din mikrokontroller.
Anslut segmentutgångarna (A till G) från avkodaren till de matchande segmentstiften på skärmen.
Fäst strömbegränsande motstånd (vanligtvis 220Ω till 470Ω) mellan avkodarnas utgångar och visningssegment för att skydda lysdioderna.
Se till att matcha avkodaren till visningstypen: CD4511 är för Common Cathode och 74LS47 är för vanlig anod.
Ge kraft (+5V och GND) till IC och aktivera dess utgång genom att ställa in alla styrstift (som BI eller LE) ordentligt.
Var och en av de sju segmenten (exklusive decimalpunkten) kan vara oberoende på eller av, så det totala antalet kombinationer är 2⁷ = 128. Men inte alla dessa kombinationer representerar meningsfulla siffror eller bokstäver.I de flesta praktiska användningsfall (som BCD) används endast kombinationerna för 0 till 9, och ibland A till F för hexadecimal.Det betyder att cirka 16 standardteckenmönster används regelbundet i vardagliga elektronik.
De flesta 7-segment LED-skärmar fungerar med cirka 2V per segment, vilket är den främre spänningsdroppen för ett typiskt rött LED-segment.Den faktiska matningsspänningen som behövs beror emellertid på kretskonstruktionen.Om det drivs direkt från en mikrokontroller eller genom motstånd, körs skärmen vanligtvis på +5V eller +3,3V -system, och motstånd används för att släppa den extra spänningen och begränsa strömmen.För LCD -typer kan spänningen vara lägre, ofta runt 1,5V till 3V och styras med olika tekniker.
på 2025/05/6
på 2025/05/6
på 8000/04/18 147757
på 2000/04/18 111931
på 1600/04/18 111349
på 0400/04/18 83719
på 1970/01/1 79508
på 1970/01/1 66883
på 1970/01/1 63010
på 1970/01/1 62977
på 1970/01/1 54081
på 1970/01/1 52108