
EPF10K30AFC484-1 är en fältprogrammerbar gate-array som används för att implementera konfigurerbar digital logik i inbyggda elektroniska system.Enheten innehåller programmerbara logiska element, interna minnesblock och routingresurser som gör att anpassade digitala funktioner kan skapas inom en enda komponent.Dess interna struktur stöder kontrolllogik, datahantering och gränssnittshantering över ett brett utbud av elektronisk utrustning.Enheten fungerar från ett 4,75 V till 5,25 V matningsintervall och ger upp till 246 programmerbara in- och utgångsanslutningar.Paketet använder ett BGA-format med 484 kulor som är lämpligt för ytmonterade kretskort i kompakta systemdesigner.
Letar du efter EPF10K30AFC484-1?Kontakta oss för att kontrollera aktuellt lager, ledtid och pris.

Paketlayouten visar hur enheter i FLEX 10K-familjen delar en konsekvent kulrutnätsstruktur över olika förpackningsstorlekar.Ett tryckt kretskort utformat för ett 484-stifts FineLine BGA-paket stöder enheter med olika I/O-antal genom att behålla samma yttre kulpositioner.Diagrammet jämför en 256-stifts FineLine BGA-enhet och en 484-stifts FineLine BGA-enhet, där det mindre paketet använder ett minskat antal aktiva anslutningar samtidigt som de håller samma kortlayout.Detta arrangemang tillåter kretskort utformade för det större paketet att rymma mindre versioner av enheten när färre in- eller utsignaler eller logiska resurser krävs.
Enheten integrerar en programmerbar logikstruktur som gör att digitala kretsar kan konfigureras efter installationen.Designers kan implementera styrlogik, signalrouting och bearbetningsfunktioner inuti chippet genom att definiera kopplingar mellan interna logikelement.
Totalt 1728 logiska element är arrangerade i multipla logiska arrayblock som bildar den interna bearbetningsstrukturen.Varje logikelement kan utföra aritmetik, kombinationslogik eller lagringsoperationer, vilket gör att enheten kan stödja ett brett utbud av digitala kretsdesigner.
Enheten inkluderar 12288 bitar internt minne organiserat i dedikerade arrayblock.Dessa block tillhandahåller datalagring på chip som kan konfigureras för temporär buffring, uppslagstabeller eller små minnesfunktioner som används av digitala system.
Upp till 246 programmerbara in- och utgångsanslutningar gör att enheten kan kommunicera med externa komponenter.Dessa anslutningar stöder dubbelriktade signalvägar och kan konfigureras för olika digitala gränssnittskrav.
Signaler rör sig genom enheten med hjälp av en routingstruktur som bildas av rad- och kolumnsammankopplingsvägar.Detta interna nätverk distribuerar data mellan logiska block, minnesområden och ingångsutgångsstift över den programmerbara arrayen.
Enheten fungerar från ett 4,75 V till 5,25 V strömförsörjningsområde som är anpassat till många digitala elektroniska system.Detta spänningsområde stödjer tillförlitligt signalbeteende under kontinuerlig systemdrift.
Enheten är designad för kommersiella temperaturmiljöer och fungerar över ett temperaturområde på 0°C till 70°C.Detta driftfönster stöder elektronisk utrustning inomhus och kontrollerade systemmiljöer.
Komponenten är inrymd i ett BGA-paket med 484 bollar som mäter cirka 23 gånger 23 millimeter.Det här formatet stöder täta kretslayouter samtidigt som det upprätthåller stabila elektriska anslutningar på kretskort med flera lager.
| Produktattribut | Attributvärde |
| Tillverkare | Altera (Intel) |
| Spänning - Matning | 4,75V ~ 5,25V |
| Totalt RAM-bitar | 12288 |
| Leverantörsenhetspaket | 484-FBGA (23x23) |
| Serie | FLEX-10KA® |
| Paket/fodral | 484-BBGA |
| Paket | Bulk |
| Driftstemperatur | 0°C ~ 70°C (TA) |
| Antal logiska element/celler | 1728 |
| Antal LAB/CLB | 216 |
| Antal I/O | 246 |
| Antal grindar | 69 000 |
| Monteringstyp | Ytmontering |
| RoHS-status | RoHS icke-kompatibel |
| Moisture Sensitivity Level (MSL) | 3 (168 timmar) |
| REACH-status | REACH Opåverkad |
| ECCN | 3A991D |
| HTSUS | 8542.39.0001 |

Intern layout arrangerar programmerbar logik över ett rutnät av logiska arrayblock som innehåller flera logiska element som används för att bygga digitala kretsar.Inbäddade arrayblock visas i arrayen och tillhandahåller dedikerade minnesresurser som lagrar data under enhetens drift.Horisontella och vertikala routingkanaler märkta som rad- och kolumnkopplingar bildar det interna signalnätverket som länkar samman logikblocken och minnesregionerna.Ingångs- och utgångselement är placerade runt enhetens yttre kanter, vilket skapar det elektriska gränssnittet mellan intern logik och externa stift.Lokala sammankopplingsvägar inuti varje logikmatrisblock tillåter närliggande logikelement att utbyta signaler snabbt, medan den större routingstrukturen distribuerar signaler över hela den programmerbara matrisen.

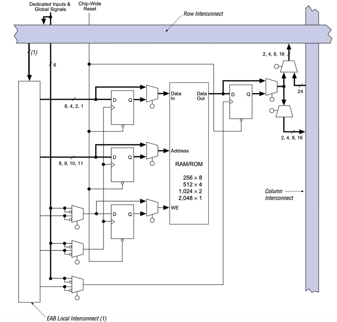
Minnesstrukturen inuti den programmerbara arrayen innehåller ett Embedded Array Block som tillhandahåller dedikerad lagring i FPGA-strukturen.Blocket stöder konfigurerbara minnesstorlekar inklusive 256 × 8, 512 × 4, 1 024 × 2 och 2 048 × 1, vilket tillåter flexibel databredd och djuparrangemang beroende på design.Datainmatning, datautgång, adressval och skrivaktiveringsvägar kopplar minnescellen till omgivande logik genom interna register och styrmultiplexorer.Lokala sammankopplingslinjer dirigerar signaler från närliggande logikmatrisblock direkt till minnesgränssnittet, medan rad- och kolumnsammankopplingskanaler länkar blocket till det bredare routingnätverket över enheten.Dedikerade ingångsvägar och globala styrsignaler hanterar timing och synkronisering så att lagrad data kan nås av programmerbara logiska element inom FPGA.
Enheten kan hantera digitala kontrolluppgifter inom automatiserad utrustning.Programmerbar logik tillåter systemdesigners att implementera tidsstyrning, sensorbearbetning och ställdonkoordinering inom industriella maskiner och produktionssystem.
Inbäddade logiska resurser och internt minne tillåter enheten att stödja signalmanipulation och filtreringsuppgifter.Den kan användas i system som behandlar samplade dataströmmar, där digitala operationer måste ske i förutsägbara tidsintervall.
Kommunikationsutrustning kräver ofta konfigurerbar logik för att hantera protokollhantering och signaldirigering.Enheten kan koordinera datavägar mellan kommunikationskanaler och digitala bearbetningsenheter inom nätverksutrustning.
Elektroniska mätsystem samlar in signaler från flera sensorer och omvandlar dem till digitala dataströmmar.Enheten kan hantera signaltiming, buffring och gränssnittskontroll i system som används för övervakning och mätning.
Nätverksgränssnittsutrustning använder programmerbar logik för att hantera pakethantering och intern signalkoordinering.Enheten kan organisera datavägar mellan bearbetningsenheter och externa kommunikationsgränssnitt.
Utvecklingssystem använder ofta programmerbara logiska enheter för att testa och utvärdera digitala kretsdesigner.Enheten gör det möjligt för ingenjörer och utvecklare att verifiera systemets beteende innan de bestämmer designen till fasta hårdvaruimplementationer.
• Högt antal I/O-stift möjliggör anslutning med många externa komponenter i komplexa system
• Stort antal logiska element möjliggör implementering av sofistikerade digitala logiska kretsar
• Inbyggt RAM stöder intern databuffring och minnesfunktioner
• Programmerbar arkitektur tillåter designändringar utan att ändra hårdvarulayouten
• Ytmonterad FBGA-paket stöder integrering av kompakt kretskort
• Lämplig för anpassad hårdvaruacceleration och parallell logikbehandling
• Kräver specialiserade FPGA-utvecklingsverktyg och kunskap om hårdvarudesign
• Högre strömförbrukning jämfört med mindre programmerbara logiska enheter
• Äldre FPGA-familj med lägre effektivitet jämfört med moderna FPGA-arkitekturer
• Utvecklings- och felsökningsprocessen kan vara komplex för nybörjare
| Artikelnummer | Tillverkare | Nyckelfunktioner | Använd fall/anteckningar |
| EPF10K30AFC484-2 | Intel | Medlem av FLEX-10KA FPGA-familjen med cirka 1 728 logiska element och 12 288 bitar inbäddat RAM.Ger upp till 246 I/O-stift och stöder ett 5 V-matningsområde.Enheten gör det möjligt för designers att implementera programmerbara digitala logiska funktioner i en enda integrerad krets. | Används vanligtvis i industriella styrsystem, telekommunikationshårdvara och inbyggda datorplattformar där konfigurerbar logik behövs för anpassad digital bearbetning. |
| EPF10K30AFC484-3 | Intel | FPGA-enhet baserad på FLEX-10KA-arkitekturen med programmerbara logikblock, interna RAM-resurser och ett gränssnitt med högt antal stift.Det gör det möjligt för designers att konfigurera digitala kretsar utan att producera en anpassad ASIC. | Används ofta i kommunikationsutrustning, signalbehandlingskort och digitala prototyper där hårdvaruflexibilitet krävs under utveckling. |
| EPF10K30AFC484-3 | Altera | Programmerbar logikenhet med hög densitet från FLEX-10KA-serien som kombinerar konfigurerbara logiska celler, inbyggda minnesblock och flexibla routingresurser.Arkitekturen stöder komplexa digitala konstruktioner med stor grindkapacitet. | Lämplig för telekommunikationssystem, inbyggd processhårdvara och anpassade digitala styrkort där programmerbar logik ersätter fasta hårdvarukretsar. |
Altera var ett halvledarföretag känt för att designa programmerbara logiska enheter som används i digitala elektroniska system.Företaget utvecklade ett brett utbud av fältprogrammerbara grindmatriser och programmerbara logiska komponenter som används i kommunikation, datorer, industriell utrustning och inbyggda plattformar.Dess produkter gjorde det möjligt för designers att skapa anpassade digitala kretsar som kunde konfigureras om efter tillverkning.Altera introducerade flera programmerbara logikfamiljer inklusive MAX-, FLEX- och Stratix-enheter som blev allmänt använda i elektronisk design.Företaget blev senare en del av Intel, där dess programmerbara logikteknologi fortsätter att utvecklas för databehandling, nätverkssystem och inbyggda digitala plattformar.
Att förstå EPF10K30AFC484-1 hjälper dig att se hur programmerbar logik kan förenkla komplexa digitala system.Den här enheten kombinerar konfigurerbara logiska element, internt minne och flexibel routing så att du kan bygga anpassade logiska funktioner inuti en enda komponent.Du såg också hur dess paketstruktur, enhetsarkitektur och inbäddade minnesblock stödjer tillförlitlig datarörelse över en krets.Dess applikationer spänner över industriell styrning, signalbehandling, kommunikationsutrustning och systemprototyper.Genom att granska dess funktioner och designstruktur får du en tydligare uppfattning om hur denna FPGA kan stödja anpassningsbar och effektiv utveckling av elektroniska system.
Skicka en förfrågan, vi svarar omedelbart.
EPF10K30AFC484-1 är en fältprogrammerbar gate array som tillåter digitala logiska kretsar som ska konfigureras efter att enheten har installerats i ett system.
Enheten stöder upp till 246 programmerbara in- och utgångar anslutningar som tillåter kommunikation med externa komponenter i en krets.
Enheten arbetar inom ett matningsspänningsområde på 4,75 V till 5,25 V, vilket är i linje med många digitala elektroniska system.
Enheten inkluderar inbäddade minnesblock som ger 12 288 bitar lagring för att buffra data och stödja interna logiska operationer.
Det används ofta i industriella styrsystem, kommunikation utrustning, datainsamlingshårdvara och digitala systemprototyper plattformar.
på 2026/03/13
på 2026/03/13
på 8000/04/17 147711
på 2000/04/17 111658
på 1600/04/17 111314
på 0400/04/17 83579
på 1970/01/1 79218
på 1970/01/1 66746
på 1970/01/1 62925
på 1970/01/1 62793
på 1970/01/1 54020
på 1970/01/1 51937