
Den S29GL256N11FFI020 är en 256 Mbit NOR flashminne som används för icke-flyktig kod och datalagring i inbyggda elektroniska system.Den fungerar från ett 2,7 V till 3,6 V matningsintervall och kommunicerar via ett parallellt gränssnitt som stöder 8-bitars eller 16-bitars dataåtkomst.Minnet är organiserat som 32M x 8 eller 16M x 16, vilket möjliggör flexibel anslutning med kontroller och processorer.En åtkomsttid på 110 ns stöder tillförlitlig läsprestanda i firmwarelagring och startminnesuppgifter.Enheten använder ett kompakt 64-kulars FBGA-paket designat för ytmonterade kretskort och stabil drift över industriella temperaturförhållanden.
Letar du efter S29GL256N11FFI020?Kontakta oss för att kontrollera aktuellt lager, ledtid och pris.

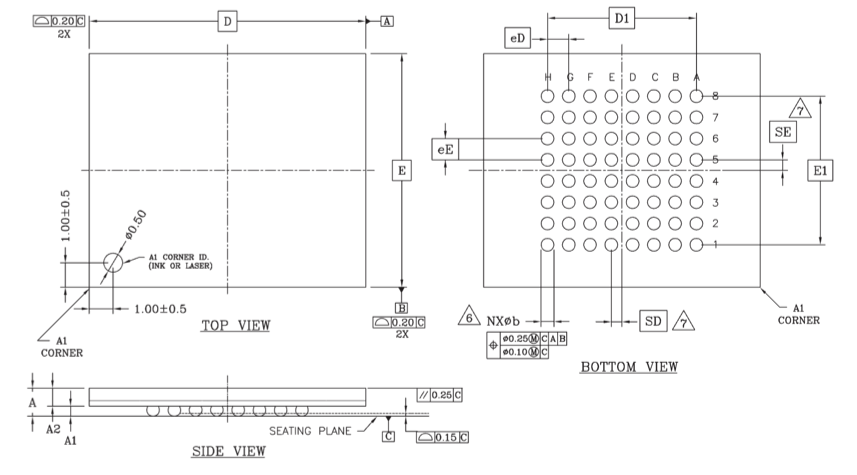
Kullayouten i rutmönster arrangerar sextiofyra lödkulor i en åtta gånger åtta matris märkta från A till H och 1 till 8, som definierar de elektriska anslutningspunkterna på undersidan av paketet när de är monterade på ett kretskort.Adressrader märkta A0 till A23 visas över flera positioner för att stödja minnesadressering för den interna flash-arrayen.Datastiften DQ0 till DQ15 tillhandahåller det parallella datagränssnittet som används för att överföra information mellan enheten och en extern styrenhet.Styrsignaler inklusive CE#, OE#, WE#, RESET#, BYTE# och WP#/ACC hanterar minnesåtkomst, enhetsval, skrivoperationer och konfigurationslägen.Strömanslutningar VCC, VIO och VSS levererar driftspänning och jordreferens för enheten.Flera positioner markerade NC indikerar oanvända kulor som förblir elektriskt oanslutna i paketlayouten.



Enheten tillhandahåller 256 Mbit NOR-flashlagring som behåller data när strömmen kopplas bort.Denna kapacitet gör att firmware, konfigurationskod och systemdata förblir lagrade även när enheten är avstängd.Den är lämplig för inbyggda system som kräver stabil programlagring under upprepade strömcykler.
Minnet kommunicerar via en parallell databuss som stöder antingen 16 bitars eller 8 bitars dataöverföring.Detta arrangemang tillåter processorer och registeransvariga att snabbt och direkt komma åt lagrad data.Den parallella strukturen stöder konsekvent timing och stabil kommunikation med extern logik.
Minnet kan nås som antingen 32M gånger 8 eller 16M gånger 16 beroende på systemkonfiguration.Denna flexibilitet gör att designers kan matcha enheten med olika processordatabredder.BYTE-styrsignalen tillåter växling mellan datalägen för att stödja olika inbyggda plattformar.
En typisk åtkomsttid på cirka 110 ns gör att enheten kan svara snabbt på läsförfrågningar.Denna svarshastighet stöder körning av firmware och systemstartoperationer där förutsägbar minnestid krävs.
Enheten fungerar över ett temperaturområde från negativa 40 grader Celsius till 105 grader Celsius.Detta sortiment gör att minnet kan fungera i miljöer som upplever breda termiska variationer, såsom industriell utrustning och elektroniska utomhussystem.
Flash-minnessektorer kan raderas individuellt istället för att rensa hela minnesarrayen.Denna design tillåter firmwareuppdateringar att endast modifiera valda områden samtidigt som resten av lagrad data bevaras.
Intern kontrolllogik hanterar programmering och raderingssekvenser.Enheten reglerar timing och interna spänningar som krävs för dessa operationer så den externa styrenheten behöver bara skicka kommandoinstruktioner.
Minnet är förpackat i en kompakt 64-kulor förstärkt BGA-layout som mäter cirka 13 mm gånger 11 mm.Detta paket stöder ytmontering och möjliggör effektiv användning av kortutrymmet i täta kretsdesigner.
| Produktattribut | Attributvärde |
| Tillverkare | Spansion (Cypress Semiconductor) |
| Skriv cykeltid - Word, Sida | 110 ns |
| Spänning - Matning | 2,7V ~ 3,6V |
| Teknik | FLASH - NOR |
| Leverantörsenhetspaket | 64-FBGA (13x11) |
| Serie | GL-N |
| Paket/fodral | 64-LBGA |
| Paket | Bulk |
| Driftstemperatur | -40°C ~ 105°C (TA) |
| Monteringstyp | Ytmontering |
| Minnestyp | Icke-flyktig |
| Minnesstorlek | 256 Mbit |
| Minnesorganisation | 32M x 8, 16M x 16 |
| Minnesgränssnitt | Parallellt |
| Minnesformat | FLASH |
| Basproduktnummer | S29GL256 |
| Åtkomsttid | 110 ns |
| RoHS-status | ROHS3-kompatibel |
| Moisture Sensitivity Level (MSL) | 3 (168 timmar) |
| REACH-status | Leverantör odefinierad |
| ECCN | 3A991B1A |
| HTSUS | 8542.32.0071 |

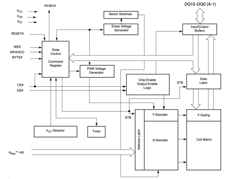
Internminnesarkitektur organiserar enheten runt en flashcellsmatris ansluten till rad- och kolumnavkodningslogik som väljer specifika minnesplatser under läs-, programmerings- eller raderingsoperationer.Adresssignalerna Amax till A0 fångas upp av en adresslås och dirigeras till X-avkodaren och Y-avkodaren, som styr åtkomsten inom minnesuppsättningen.Data flyttas mellan arrayen och externa DQ15–DQ0-linjer genom Y-gate-kretsar, en datalås och in- och utgångsbuffertar som hanterar dubbelriktat dataflöde.Styringångar inklusive CE#, OE#, WE#, RESET#, WP#/ACC och BYTE# tolkas av kommandoregistret och tillståndskontrollblocket för att koordinera enhetens operationer.Programmera och radera spänningsgeneratorer tillhandahåller de interna spänningar som krävs för att skriva och rensa flashceller, medan sektoromkopplare dirigerar dessa spänningar till utvalda minnesområden.Ytterligare stödblock såsom en VCC-detektor och tidskrets övervakar strömtillstånd och reglerar drifttid för att upprätthålla stabil minnesåtkomst.

Rektangulär enhetssymbol organiserar de externa gränssnittsanslutningarna som används av flashminnet under systemdrift.Adressingångar märkta A23 till A0 tillhandahåller tjugofyra adresslinjer som väljer specifika minnesplatser inuti enheten.Dubbelriktade datastift märkta DQ15 till DQ0 bildar den parallella databussen, som stöder antingen sexton bitars eller åtta bitars dataöverföring beroende på BYTE#-konfigurationen.Styrsignaler inklusive CE#, OE# och WE# hanterar enhetsval, utgångsaktivering och skrivoperationer.Ytterligare kontrollingångar som RESET#, WP#/ACC och BYTE# hanterar enhetsåterställning, skrivskydd och databreddskonfiguration.Vio levererar ingångs- och utgångsgränssnittsspänningen, medan RY/BY#-signalen ger en statusutgång som indikerar när interna program- eller raderingsoperationer är aktiva.
Inbyggda processorer kräver ofta en tillförlitlig plats för att lagra startkod och operativ firmware.Den här enheten tillhandahåller stabil icke-flyktig lagring som gör att ett system kan ladda sina instruktioner omedelbart efter att strömmen anslutits.
Industriella kontroller använder externt flashminne för att lagra kontrollprogram och konfigurationsdata.Enheten stöder dessa system genom att tillhandahålla stabil datalagring och förutsägbar minnesåtkomst över ett brett temperaturområde.
Routrar, switchar och kommunikationsmoduler kräver minne för att lagra startkod och systemkonfiguration.Enheten tillhandahåller den lagringskapacitet som behövs för att hålla fast programvara och driftsparametrar tillgängliga under enhetens start.
Elektroniska styrmoduler för fordon förlitar sig ofta på flashminne för att lagra systemfirmware och kalibreringsdata.Enheten stöder denna användning genom att tillhandahålla stabil drift under längre temperaturförhållanden som är vanliga i fordonsmiljöer.
Digitala enheter som mediautrustning och hemelektronik använder externt flashminne för att lagra operativsystem och konfigurationsdata.Minnet gör att dessa system kan ladda mjukvara snabbt under uppstart.
Många mikrokontrollersystem förlitar sig på extern NOR-blixt för startoperationer när internminnets kapacitet är begränsad.Enheten tillhandahåller förutsägbar lästid som gör det möjligt för styrenheter att ladda programinstruktioner under systeminitiering.


Paketlayouten definierar den fysiska strukturen och monteringsgeometrin för det 64-bollars förstärkta BGA-paketet som används av enheten.Ovanifrån visar den fyrkantiga stommens kontur som mäter cirka 13,00 mm gånger 11,00 mm med en A1-hörnindikator som används för att identifiera orienteringen av paketet under kortmontering.Den nedre vyn visar kulrutnätsarrangemanget som består av sextiofyra lödkulor organiserade i en åtta gånger åtta matris, märkta över rader och kolumner för att styra placeringen på det tryckta kretskortet.Kullutningen i både horisontell och vertikal riktning är specificerad till cirka 1,00 mm, medan enskilda lödkulor har en diameter som sträcker sig ungefär från 0,50 mm till 0,70 mm.Sidovyn illustrerar den vertikala strukturen av förpackningen inklusive kroppstjocklek, lodkulans avståndshöjd och sätesplan som används för att upprätthålla rätt avstånd mellan enheten och PCB-ytan under lödning.Den medföljande dimensionstabellen ger numeriska toleranser och referensmått som definierar kroppsstorlek, kulavstånd och förpackningshöjd som används för exakt fotavtrycksdesign och mekanisk integration.
• Stor 256-Mbit lagringskapacitet lämplig för firmware och kodlagring
• Pålitlig NOR-blixtteknik som möjliggör direkt exekvering av kod
• Snabb åtkomsttid som stöder effektiva systemstartprocesser
• Brett driftstemperaturområde lämpligt för industriella miljöer
• Parallellt gränssnitt möjliggör stabil och förutsägbar minneskommunikation
• Icke-flyktigt minne behåller data även när strömmen kopplas bort
• Kompakt FBGA-paket stöder PCB-designer med begränsad utrymme
• Parallellt minnesgränssnitt kräver fler stift och kortrouting jämfört med seriell blixt
• Högre strömförbrukning jämfört med vissa moderna seriella blixtlösningar
• Större förpackningsstorlek än små SPI-flashminnen
• Programmering och radering är långsammare jämfört med RAM-baserat minne
| Artikelnummer | Tillverkare | Nyckelfunktioner | Använd fall/anteckningar |
| S29GL256N11FFA020 | Spansion | 256 Mbit parallellt NOR-flashminne från GL-N-familjen designat för pålitlig icke-flyktig datalagring.Stöder snabb slumpmässig läsåtkomst och fungerar inom ett typiskt 2,7 V till 3,6 V matningsintervall.Enheten använder ett 196-bollars FBGA-paket som är lämpligt för kompakta kretskort. | Används vanligtvis i nätverksutrustning, inbyggda processorer och industriella kontroller där firmware eller startkod måste lagras och snabbt nås. |
| S29GL256N11FFA020 | Infineon Technologies | NOR-flashminne med hög densitet utformat för system som kräver pålitlig parallell dataåtkomst.Lagrar programkod och konfigurationsdata utan ström och ger stabil läsprestanda för inbäddad firmware. | Används i kommunikationshårdvara, industriella automationskort och inbyggda styrenheter som kräver tillförlitlig firmwarelagring. |
| S29GL256N11FFIS40 | Infineon Technologies | Parallellt NOR-flashminne designat för inbäddad firmware-lagring med ett kompakt 64-stifts VQFN-paket och exponerad pad för förbättrad termisk prestanda.Stöder industriell temperaturdrift och tillförlitlig datalagring. | Lämplig för täta inbäddade konstruktioner som industriell elektronik, kommunikationsmoduler och styrsystem som kräver stabilt icke-flyktigt minne. |
Spansion var ett halvledarföretag känt för att utveckla flashminnesprodukter som används i inbyggda system och elektronisk utrustning.Företaget fokuserade på NOR- och NAND-flashteknologier designade för kodlagring och datalagring i industri-, fordons- och kommunikationsenheter.Dess produktportfölj inkluderade parallella och seriella flashminnesenheter som används för firmwarelagring, systemstartkod och konfigurationsdata.Spansion blev senare en del av Cypress Semiconductor och utökade sina flashminnesteknologier inom en bredare portfölj av mikrokontroller, minnesprodukter och anslutningskomponenter som används i inbyggda elektroniska system.
S29GL256N11FFI020 erbjuder ett praktiskt sätt att lagra firmware och systemdata i inbyggd elektronik.Du får 256 Mbit NOR-flashminne som håller informationen säker även när strömmen är borta.Dess parallella gränssnitt tillåter styrenheter att komma åt lagrad data med förutsägbar timing, vilket hjälper system att starta tillförlitligt.Det kompakta FBGA-paketet stöder utrymmeseffektiva kretskortslayouter.Med sektorbaserad raderingsförmåga och stabil drift över ett brett temperaturintervall, passar enheten många industriella och inbyggda användningsområden.När du behöver pålitlig icke-flyktig lagring erbjuder denna minnesenhet en konsekvent lösning.
Skicka en förfrågan, vi svarar omedelbart.
Det är en NOR-flashminne som lagrar data utan ström och ger direkt läsåtkomst för firmware och startkod.
Enheten erbjuder 256 Mbit minneskapacitet, som kan organiseras som 32M gånger 8 eller 16M gånger 16 beroende på databusskonfigurationen.
Den använder ett parallellt gränssnitt med DQ0 till DQ15 datalinjer, tillåter antingen 8-bitars eller 16-bitars kommunikation med externa processorer.
Chipet är förpackat i ett 64-bollars FBGA-format som stöder ytmontering på kretskort.
Det används vanligtvis för lagring av firmware, systemstartminne, industriell kontrollutrustning, nätverksenheter och inbyggd elektroniska system.
på 2026/03/13
på 2026/03/10
på 8000/04/17 147746
på 2000/04/17 111828
på 1600/04/17 111346
på 0400/04/17 83682
på 1970/01/1 79419
på 1970/01/1 66830
på 1970/01/1 62984
på 1970/01/1 62879
på 1970/01/1 54057
på 1970/01/1 52053