
De 1N5822 är en Schottky -diod som är känd för sin exceptionellt låga spänningsfall, vilket gör det till ett gynnsamt val för applikationer som kräver snabb omkoppling vid reducerade nuvarande nivåer.Detta ger en fördel i strömförsörjning av switchläge och högfrekventa DC-till-DC-omvandlare, där effektiviteten kan påverka den totala systemets prestanda.Innehållen i ett DO-201D-paket används denna diod ofta i lågspännings- och högfrekvensoperationer, inklusive användningsområden som lågspänningsomvandlare, freewheeling-applikationer, polaritetsskydd och eleganta batteriladdare.Dess förmåga till övergångstillstånd med lätthet säkerställer minimerad energiförlust och därigenom förbättrar effektiviteten hos system som förlitar sig på den.
I praktiska tillämpningar utmärker 1N5822: s design i sin förmåga att hantera termisk spridning, vilket ofta är en utmaning i kompakta system som kräver hög effektivitet.Denna konstruktion tillåter den att fungera pålitligt över olika förhållanden, vilket gör det till ett föredraget val för prototyper som kräver stabil prestanda i föränderliga miljöer.Diodens låga framspänning är avgörande för att hjälpa kraftbevarande, vilket mestadels är fördelaktigt för att upprätthålla energi i bärbara elektroniska enheter.
Ur ett analytiskt perspektiv, medan 1N5822 lyser i lågspänningsscenarier, är det grundläggande att säkerställa att hela kretsen utnyttjar fördelarna med dess låg-framåtspänningsfall.Med tanke på att anpassa diodens attribut till systemets andra komponenter kan avsevärt lyfta enhetens prestanda och hållbarhet.Att utforska djupare i designeffektiviteten kan avslöja ytterligare strategier för att fullt ut utnyttja denna komponents potential i banbrytande applikationer.

|
Stiftnamn |
Beskrivning |
|
Anod |
Ström kommer alltid in genom anoden |
|
Katod |
Strömmen går alltid ut genom katoden |



|
Särdrag |
Beskrivning |
|
Mycket små ledningsförluster |
Minskar energiförlusten under ledningen |
|
Försumbar växlingsförluster |
Minimerar förluster under växlingen |
|
Extremt snabb byte |
Tillåter snabba övergångar |
|
Låg spänningsfall |
Ger lägre effektförlust |
|
Avalanche -kapacitet specificerad |
Tål högspänningsförhållanden |
|
Skyddsring för överspänningsskydd |
Skyddar mot överspänningsskador |
|
Hög framåtspökningsförmåga |
Hanterar höga strömmar |
|
Högfrekvensoperation |
Lämplig för högfrekventa applikationer |
|
Löddopp 275 ° C Max.10 s, per JESD 22-B106 |
Säkerställer hållbarhet i lödningsprocesser |
|
Typ |
Parameter |
|
Fabriksledning |
6 veckor |
|
Montera |
Genom hålet |
|
Monteringstyp |
Genom hålet |
|
Förpackning / fodral |
Do-201ad, axiell |
|
Antal stift |
2 |
|
Vikt |
4.535924G |
|
Diodelementmaterial |
KISEL |
|
Antal element |
1 |
|
Förpackning |
Tape & Box (TB) |
|
JESD-609 kod |
e3 |
|
Delstatus |
Aktiv |
|
Fuktkänslighetsnivå (MSL) |
1 (obegränsad) |
|
Antal avslutningar |
2 |
|
ECCN -kod |
Örat99 |
|
Terminal |
Matt tenn (sn) - glödgad |
|
Max driftstemperatur |
150 ° C |
|
Min driftstemperatur |
-65 ° C |
|
Ansökningar |
DRIVA |
|
Tilläggsfunktion
|
Gratis hjuldiod |
|
HTS -kod |
8541.10.00.80 |
|
Kapacitans |
190pf |
|
Spännings - klassad DC |
40V |
|
Terminalform |
TRÅD |
|
Aktuellt betyg |
3A |
|
Basdelnummer |
1n58 |
|
Räkning |
2 |
|
Polaritet |
Standard |
|
Elementkonfiguration |
Enda |
|
Hastighet |
Snabb återhämtning =< 500ns, > 200mA (IO) |
|
Diodtyp |
Schottky |
|
Aktuell - omvänd läckage @ VR |
2MA @ 40V |
|
Framström |
3A |
|
Spänning - framåt (VF) (max) @ if |
525mv @ 3a |
|
Fallanslutning |
ISOLERAD |
|
Framåtström |
3A |
|
Max omvänd läckström |
2mA |
|
Driftstemperatur - korsning |
150 ° C max |
|
Max Surge Current |
80a |
|
Framspänning |
525 mV |
|
Max Reverse Voltage (DC) |
40V |
|
Genomsnittlig korrigerad ström |
3A |
|
Antal faser |
1 |
|
Topp omvänd ström |
2mA |
|
Max Repetitive Reverse Spänning (VRRM) |
40V |
|
Topp icke-repetitiva överspänningsström |
80a |
|
Max Forward Surge Current (IFSM) |
80a |
|
Max korsningstemperatur (TJ) |
150 ° C |
|
Höjd |
5,3 mm |
|
Längd |
9,5 mm |
|
Bredd |
5,3 mm |
|
Nå SVHC |
Ingen SVHC |
|
Strålning härdning |
Inga |
|
ROHS -status |
ROHS3 -kompatibel |
|
Blyfri |
Blyfri |
|
Artikelnummer |
Beskrivning |
Tillverkare |
|
SR304HA0 -dioder |
Liktagdiod |
Taiwan Semiconductor Manufacturing Company Limited |
|
SR304HB0 -dioder |
Liktagdiod |
Taiwan Semiconductor Manufacturing Company Limited |
|
SR340 dioder |
Liktagdiod |
Changzhou Starsea Electronics Co Ltd |
|
SR304A0 -dioder |
3A, 40V, kisel, likriktare diod, do-201ad, ROHS
Kompatibelt, plastpaket-2 |
Taiwan Semiconductor Manufacturing Company Limited |
|
SR304HX0 -dioder |
Liktagdiod |
Taiwan Semiconductor Manufacturing Company Limited |
|
1N5822_R2_00001 |
Likriktare diode, schottky, 1 fas, 1 element, 3A, 40V
(VRRM), kisel, do-201ad |
Halvledare |
|
1N5822_AY_00001 |
Likriktare diode, schottky, 1 fas, 1 element, 3A, 40V
(VRRM), kisel, do-201ad |
Halvledare |
|
SR304X0G -dioder |
Likriktare diode, schottky, 1 fas, 1 element, 3A, 40V
(VRRM), Silicon, Do-201D, Green, Plastic Package-2 |
Taiwan Semiconductor Manufacturing Company Limited |
|
1N5822_AY_10001 |
Likriktare diode, schottky, 1 fas, 1 element, 3A, 40V
(VRRM), kisel, do-201ad |
Halvledare |
|
1N5822-T3 |
Likriktare diode, schottky, 1 fas, 1 element, 3A, 40V
(VRRM), kisel, do-201ad, plastpaket-2 |
Sangdest Microelectronics (Nanjing) Co Ltd |
I samtida elektroniska ramar spelar 1N5822 Schottky Diode dynamiska roller på grund av dess egenskaper som låg spänningsfall och snabb växlingsfunktioner, och formar dess lämplighet för lågspännings- och energibesparande uppgifter.Dessa funktioner bidrar väsentligt till applikationer som involverar krafträttning, spänningsklämmor och skyddskretsar genom att minimera kraftförlust och värmeproduktion.Att hantera höga strömtätheter med minimal energiförlust kan i hög grad påverka kretsprestanda, vilket ger noggranna överväganden i designmetoder.
Följande krets illustrerar den framåtriktade förspänningen av 1N5822-dioden för att aktivera en LED som drivs av ett 3,7V-batteri, vilket visar dess effektivitet i lågspänningsscenarier.Schottky -dioder gynnas för att upprätthålla ingångsspänningsnivåer och minska energispridningen över dioden, vilket främjar längre batteritid och optimal LED -prestanda.Omfamning av faktorer som termisk hantering och belastningsförhållanden används vid användning av Schottky -dioder.Tillräcklig värmeavledning är hanterbar genom lämpliga kylflänsar eller termiska kuddar.Att välja en diod med ett aktuellt betyg som matchar kretsens krav hjälper till att undvika för tidiga nedbrytningar och ökar tillförlitligheten.Att införliva dessa strategier höjer kretsens motståndskraft och förlänger komponentens hållbarhet.

Att maximera fördelarna med 1N5822 kräver tankeväckande kretsintegration med precision.Att placera dioden nära strömförsörjningen minskar linjen förluster, vilket förbättrar kretseffektiviteten.Konfigurera återkopplingsmekanismer för att anpassa förspänningsförhållanden flytande kan optimera prestanda under olika operativa scenarier.Schottky-dioder är instrumentella i system som kräver snabb omkoppling och låg spänningsspänning, såsom strömförsörjning av switch-mode (SMP) och högfrekventa applikationer, på grund av deras kunskaper i att begränsa växlingsförlusterna.
Inverterare som arbetar vid lågspänning och högfrekvens är starkt beroende av effektiva komponenter för att minska effektförluster.Dioden 1N5822 sticker ut på grund av dess låga spänningsfall och snabba återvinningsfunktioner.Dessa egenskaper kan förbättra energieffektiviteten och tillförlitligheten avsevärt, främst värdefulla i bärbara elektroniska anordningar där att bevara energi är en prioritering.
Freewheeling -kretsar syftar till att erbjuda en alternativ strömväg när huvudomkopplaren är öppen.Dioden 1N5822 utmärker sig här och hjälper till att minska energiförlusterna och undertrycka spänningspikar och därmed säkerställa kretsstabilitet.Du kan upptäcka att att använda 1N5822 ger bättre skydd mot övergående spänningar och förlänger livslängden för din utrustning medan du producerar vindkraftverk och andra förnybara energisystem.
DC/DC -omvandlare växer avsevärt från 1N5822: s snabbkopplingsfunktioner och låg effekt.Att integrera denna diod leder till högre effektivitet och förbättrad spänningsreglering.Du kan notera att dess robusta prestanda hjälper till att minimera värmeuppbyggnad - en nödvändig funktion i tätt packade kretskort som vanligtvis finns i moderna elektroniska enheter.
I världen av signaldetektering är dioder som 1N5822 uppskattade för sina lyhörda egenskaper, vilket förbättrar detekteringsnoggrannheten för svaga signaler i RF -kretsar.Detta förbättrar digital kommunikation genom att möjliggöra mer pålitlig signalmottagning även med fluktuerande styrkor.
Polaritetsskydd skyddar elektronisk utrustning från oavsiktliga omvända polaritetsanslutningar.Dioden 1N5822 erbjuder en enkel och effektiv lösning, vilket leder till en märkbar minskning av komponentfel.Sådana resultat betonar dess värde för att skapa robusta kretskonstruktioner.
RF -applikationer kräver minskad brusinterferens och förbättrad signalklart.Dioden 1N5822 stöder dessa krav genom att minimera signalförvrängning.Du kan uppskatta att det att integrera denna diod leder till förbättrad prestanda i ljud- och kommunikationssystem med hög trohet, där exakt signalhantering används.
Logikkretsar som kräver snabbväxlingskomponenter drar nytta av 1N5822: s snabba växlingstider.Med hjälp av denna diod uppnår kretsar snabbare responstider, farliga i höghastighetsberäkning och databehandling.Branschledare föreslår att införlivande av 1N5822 kan förbättra datorsystemens totala hastighet och effektivitet.
Switched-Mode Power Supplies (SMP) kräver hög effektivitet och tillförlitlighet.1N5822 -dioden minskar avsevärt energiförlust under drift och förbättrar termisk prestanda, aktiv för livslängden för kraftförsörjningskomponenter.Du kan betrakta dioden som instrumental för att öka SMPS -energieffektiviteten och stärka dess roll i moderna krafthanteringslösningar.
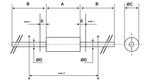
1N5822 -paketkontur

1N5822 Mekaniska data
|
Ref. |
MÅTT |
Anteckningar |
|||
|
Millimeter |
Tum |
||||
|
Min. |
Max. |
Min. |
Max. |
1. ledningen diameter ▲ D är inte kontrollerad över zon E. 2. Den minsta axiella längden inom vilken enheten kan placeras med sina ledningar böjda i vinklar är 0,59 "(15 mm) |
|
|
En |
9.50 |
0,374 |
|||
|
B |
25.40 |
1000 |
|||
|
▲ c |
5.30 |
0,209 |
|||
|
▲ D |
1.30 |
0,051 |
|||
|
E |
1.25 |
0,049 |
|||
Stmicroelectronics har positionerat sig som en ledande spelare på det globala halvledarstadiet.Företaget är känt för sin exceptionella förmåga att skapa avancerade kisel- och systemlösningar.Genom att driva framsteg inom System-on-Chip (SOC) -teknologi har de gjort anmärkningsvärda bidrag till utvecklingen av modern elektronik.
Genom sitt engagemang för forskning och utveckling har STMicroelectronics förfinat mönster för system-på-chip genom att integrera olika funktionella komponenter i ett enda chip.Denna innovation erbjuder inte bara förbättrad effektivitet och kostnadsminskning utan påverkar också ett brett utbud av produkter, som sträcker sig över konsumentelektronik och bilsystem.Den förmåga de visar på denna arena indikerar deras engagemang för att driva tekniska gränser och uppfinningsrikedom.
Skicka en förfrågan, vi svarar omedelbart.
1N5822 Schottky-dioden är känd för sin ungefärliga låga spänningsfall på 0,525 V, vilket bidrar till dess skicklighet i framåtriktade kretsar genom att möjliggöra ett effektivt elflöde.Denna diod lyser i snabbomkopplingsinställningar som kräver lägre strömmar, såsom högfrekventa kraftkretsar.Inom världen av branschnormer väljs dioden ofta för roller som kräver minimerad effektförlust och snabbt svar på elektriska fluktuationer.Faktiska applikationer belyser sin skicklighet vid att bevara energi under kretsförändringar, vilket förbättrar dess överklagande i samtida elektriska systemdesign.
Vanligtvis är Schottky -dioder utformade med en termisk dyna på katoden snarare än på anoden.Detta val informeras av hur dessa dioder reagerar på termisk stress, vilket kan leda till ojämna termiska förhållanden.Standardpraxis innebär att du säkrar en kylfläns till katoden för att säkerställa effektiv värmeavledning.Erfarenheter från fältet avslöjar att denna installation stabiliserar dioddrift och förlänger sin livslängd genom skicklig värmehantering.
Att ersätta en 1N5819 Schottky-diod med en 1N5822 beror på deras delade framåtspänning (VF) och korsning-till-ambient termisk motstånd (RTH-JA).Emellertid kan 1N5822: s högre läckström påverka vissa användningsområden, särskilt i miljöer som är känsliga för läckage, såsom kraft-eller-kretsar.När det gäller sammanhang som Switch-Mode Power Supplies (SMP) eller omvänd polaritetsskydd är det mest lämpligt att byta dem.Ändå måste man överväga de fysiska dimensionerna;1N5822: s större fotavtryck faller cirka 1,5 mm i diameter, vilket kräver lämpliga monteringsboende.Denna praktiska förståelse belyser nödvändigheten av att anpassa mekaniska och elektriska parametrar för sömlös komponentbyte.
på 2024/11/5
på 2024/11/5
på 8000/04/18 147757
på 2000/04/18 111937
på 1600/04/18 111349
på 0400/04/18 83721
på 1970/01/1 79508
på 1970/01/1 66913
på 1970/01/1 63053
på 1970/01/1 63012
på 1970/01/1 54081
på 1970/01/1 52130