
De CD4007 Integrerad krets (IC) är en grund i modern elektronik på grund av dess sammansättning av tre par kompletterande N-kanal- och p-kanal MOS-transistorer.Dessa transistorpar erbjuder anmärkningsvärd mångsidighet, eftersom de kan användas i både serie- och shuntkonfigurationer, vilket ger skräddarsydda lösningar för olika kretsdesignbehov.Dessutom gränssnitt CD4007 utan problem med flera typer av enheter.
• CMO: er (kompletterande metall-oxid-Semiconductor)
• NMO: er (N-kanal metall-oxid-Semiconductor)
• TTL (Transistor-Transistor Logic)
CD4007 lyser i scenarier som kräver låg termisk spridning och betydande brusimmunitet.Den hanterar sakkunnigt spänningsnivåer och håller dem mellan matningsspänningen (VDD) och marken (VSS) inom en smal 0,3V -marginal.Denna exakta spänningsstyrning är avgörande för applikationer som prioriterar minimering av effektförlust och upprätthållande av signalintegritet.
IC: s stadiga skydd mot elektrostatisk urladdning (ESD) är ett annat anmärkningsvärt attribut.CD4007 analyserar de skadliga effekterna av ESD på elektroniska komponenter och är utrustade med klämdioder mellan spänningsavloppet (VD) och mark (VSS).Dessa dioder absorberar omgående plötsliga spänningsspikar och skyddar ingångarna från statisk elektricitet, en viktig egenskap för komponenter som regelbundet utsätts för variabla statiska förhållanden under hantering och drift.

|
Stift nr |
Stiftnamn |
Beskrivning |
|
1 |
2dp |
Avloppet för P -kanal 2 |
|
2 |
2SP |
Källa till P -kanal 2 |
|
3 |
2A |
Ingångskanal 2 |
|
4 |
2SN |
Källa till N -kanal 2 |
|
5 |
2dn |
Avloppet för n kanal 2 |
|
6 |
1A |
Ingångskanal 1 |
|
7 |
Vss |
Källförsörjning |
|
8 |
1dn |
Avloppet för n kanal 1 |
|
9 |
3SN |
Källa till N -kanal 3 |
|
10 |
3A |
Inmatningskanal 3 |
|
11 |
3SP |
Källa till P -kanal 3 |
|
12 |
3y |
Produktion |
|
13 |
1dp |
Avloppet för P -kanal 1 |
|
14 |
Vdd |
Dräneringsförsörjning |


|
Typ |
Parameter |
Värde |
|
Montera |
Monteringstyp |
Ytfäste |
|
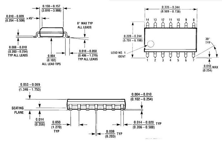
Förpackning / fodral |
14-SOIC (0,154, 3,90 mm bredd) |
|
|
Antal stift |
14 |
|
|
Leverantörspaket |
14-SOIC |
|
|
Driftsförhållanden |
Driftstemperatur |
-40 ° C till 85 ° C |
|
Max driftstemperatur |
85 ° C |
|
|
Min driftstemperatur |
-40 ° C |
|
|
Elektriska egenskaper |
Leveransspänning |
3V till 15V |
|
Max matningsspänning |
15V |
|
|
Min matningsspänning |
3v |
|
|
Utbredningsfördröjning |
50 ns |
|
|
Designspecifikationer |
Serie |
4000B |
|
Logikfunktion |
Inverterare |
|
|
Logisk typ |
Kompletterande par plus inverterare |
|
|
Antal kretsar |
2 |
|
|
Antal bitar |
3 |
|
|
Antal ingångslinjer |
3 |
|
|
Antal utgångslinjer |
3 |
|
|
Basdelnummer |
4007 |
|
|
Polaritet |
Inverterande |
|
|
Ytterligare information |
Förpackning |
Rör |
|
Delstatus |
Föråldrad |
|
|
Fuktkänslighetsnivå (MSL) |
1 (obegränsad) |
|
|
ROHS -status |
ROHS -kompatibel |
|
|
Blyfri |
Blyfri |
|
|
Publicerad |
1999 |
|
Särdrag |
Beskrivning |
|
Brett utbudsspänningsområde |
3.0V till 15V |
|
Hög brusimmunitet |
0,45 VCC (typ.) |
|
Lugn aktuell testning |
100% testat vid 20V |
|
Symmetriska utgångsegenskaper |
Standardiserad, säkerställer tillförlitlig produktion |
CD4007 Integrated Circuit, känd för sin anpassningsbarhet och pålitliga prestanda, finner olika applikationer över olika elektroniska mönster.
CD4007 är skicklig i att konstruera signalskyddskretsar, en nödvändig komponent i digitala system där exakta signalkanter är auktoritativa för korrekt tidpunkt och funktionalitet.Dessa skarpare förfinar bullriga signaler till rena, väl definierade pulser, som används i kommunikationssystem för att undvika tidsfel och datakorruption.Du kan observera att det att integrera CD4007 förbättrar signalintegriteten och säkerställer stabil dataöverföring.
I världen av digital elektronik fungerar växelriktare som ultimata komponenter.När det är konfigurerat korrekt fungerar CD4007 som en mycket effektiv inverterare, beundrad för sin låga kraftförbrukning och robusta prestanda, vilket gör den idealisk för storskaliga integrationsapplikationer.Du kan märka att CD4007 ger konsekvent prestanda i komplexa logikkretsar och mikroprocessorer, vilket avsevärt bidrar till kretsstabilitet och tillförlitlighet i digital logikdesign.
Tröskeldetektorer avgör om en insignal överträffar ett specifikt värde och är aktiva i automatiserings- och säkerhetssystem.Genom att använda CD4007 fungerar dessa detektorer med hög precision och minimal komponentantal.Denna effektivitet värderas mestadels i kontrollsystem där exakt tröskeldetektering säkerställer lämpliga systemsvar på olika ingångsnivåer.Faktiska applikationer visar CD4007 förbättring av operationell säkerhet och effektivitet med tillförlitlig tröskeldetektering.
Linjära förstärkare förstärker små signaler utan vågformsförvrängning, och CD4007, när de är konfigurerade som en linjär förstärkare, ger stabil och orörd signalförstärkning.Detta är dominerande i ljud- och instrumenteringsapplikationer där signalens trohet är allvarlig.Du kan uppskatta CD4007 för att upprätthålla signalintegritet under förstärkning och därmed stödja dess nödvändiga i känsliga analoga kretsar.
Crystal -oscillatorer, som beror på stabil frekvensutgång genom kontrollerade kristalloscillationer, använder ofta CD4007 för att upprätthålla konsistens i svängningsparametrar.Denna stabilitet är aktiv i tidsenheter och kommunikationsutrustning.Du kan utnyttja CD4007 har framgångsrikt utvecklat kristalloscillatorer som uppvisar hög stabilitet, vilket säkerställer tillförlitligheten och noggrannheten insisterande för exakta elektroniska tillämpningar.Sådana stabila oscillatorer spelar en nyckelroll för att förbättra prestanda inom dessa domäner.
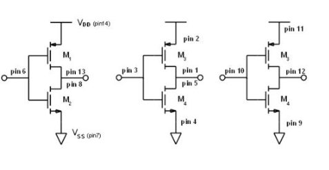
CD4007 -paketet har förmågan att generera upp till tre inverterare och erbjuder ett mångsidigt verktyg för olika kretsapplikationer.Den ultimata växelriktarinställningen innebär att ansluta stift 8 och 13 för utgången, med stift 6 som fungerar som ingången.Stift 14 (VDD) måste vara ansluten till strömförsörjningen.Stift 7 (VSS) ska kopplas till marken.Ytterligare inverterare kan ordnas för att uppfylla specifika krav.

Stift 2 (VDD) och 4 (VSS) fungerar som kraftanslutningar.Stift 1 och 5 bildar utgången.Pin 3 är ingången.Stift 11 ansluter till VDD.Pin 9 är länkad till VSS.Pin 12 fungerar som utgången.Pin 10 tillhandahåller ingången.

På halvledare (NASDAQ: ON) är känd för sina energieffektiva innovationer, vilket hjälper globala kunder i sin strävan att minska energiförbrukningen.Företaget tillhandahåller ett stort antal lösningar i olika sektorer, inklusive fordon, kommunikation och konsumentelektronik.
Företagets vidsträckta produktsortiment fungerar som en pelare i sin marknads framträdande.På halvledare levererar anpassningsbara och pålitliga lösningar anpassade efter de unika kraven från distinkta industrier.Inom fordonssektorn förbättrar deras produkter avsevärt fordonseffektivitet och säkerhet som leder till bättre bränsleekonomi och säkerställer en jämnare och säkrare åktur.Inom konsumentelektronik är företagets erbjudanden utformade för att maximera enhetens prestanda och förlänga batteritiden.
På halvledarens effektiva försörjningskedjehantering garanterar den konsekvent snabba tillgängligheten av sina produkter för att möta den globala efterfrågan.Företagets omfattande nätverk av anläggningar och kontor, strategiskt placerade på farliga marknader i Nordamerika, Europa och Asien-Stillahavsområdet, gör det möjligt att reagera snabbt på marknadsbehov och kundkrav.
|
Artikelnummer |
Tillverkare |
Förpackning / fodral |
Antal stift |
Logikfunktion |
Antal kretsar |
Antal utgångslinjer |
Utbredningsfördröjning |
Min matningsspänning |
Leveransspänning |
Visa jämför |
|
CD4007CM |
På halvledare |
14-SOIC (0,154, 3,90 mm bredd) |
14 |
Inverterare |
2 |
3 |
50 ns |
3 v |
3V ~ 15V |
CD4007CM |
|
MC14007UBD |
På halvledare |
14-SOIC (0,154, 3,90 mm bredd) |
14 |
- |
- |
- |
18 ns |
- |
5 v |
MC14007UBD |
|
SN74HCT04DR |
Texas instrument |
14-SOIC (0,154, 3,90 mm bredd) |
14 |
Inverterare |
- |
- |
55 ns |
3 v |
3V ~ 18V |
SN74HCT04DR |
Cylindriska batterilhållare.pdf
CD4007 är en mångsidig IC som ingenjörer kan utnyttja för flera ändamål.Det kan bilda en kedja med tre växelriktare, en växelriktare med två överföringsportar eller mer komplexa logikgrindar.Inverterare och överföringsportar spelar en allvarlig roll för att konstruera digitala system som D-flip-flops.Genom att känna igen flexibiliteten hos CD4007 gör det möjligt för dig att utforma anpassade kretsar utan besväret med att använda flera IC: er.Förmågan att konfigurera samma IC för olika användningsområden för olika användningsområden inte bara konserverar utrymme på tryckta kretskort utan effektiviserar designprocessen.Denna anpassningsförmåga gör det till ett älskat verktyg i både akademiska och industriella miljöer.
CD4007 IC värderas ofta för sina olika tillämpningar, låg termisk spridning och imponerande brusimmunitet.Den fungerar mellan VSS vid -0,3V och VDD vid +0,3V.Korrekt spänningshantering är grundläggande för att upprätthålla IC: s integritet och utvidga dess livslängd.Att säkerställa att dessa driftsspänningar upprätthålls används för att förhindra elektrisk överspänning som kan försämra IC: s prestanda i sofistikerade kretsar.Uppmärksamheten på denna detalj är mestadels betydande under prototypfasen för elektronisk design.
CD4007 är konstruerad med Metal Oxide Semiconductor (MOS) -teknologi och finns i DIP- och SOP -paket.IC inkluderar tre N-kanal och tre P-kanal förbättringstyp MOS-transistorer.Denna konfiguration är mycket fördelaktig för att utveckla både diskreta och integrerade logiska kretsar.Att använda MOS Technology erbjuder fördelarna med hög inmatningsimpedans och låg effektförbrukning.Dessa fördelar gör CD4007 till ett passande val för moderna lågkraftsapplikationer.Genom att få ut det mesta av MOS -transistorernas egenskaper kan du uppnå kretsar som är både effektiva och pålitliga, mestadels relevanta i en ålder av bärbara och bärbara elektroniska enheter.
Skicka en förfrågan, vi svarar omedelbart.
på 2024/10/21
på 2024/10/21
på 8000/04/18 147757
på 2000/04/18 111936
på 1600/04/18 111349
på 0400/04/18 83721
på 1970/01/1 79508
på 1970/01/1 66911
på 1970/01/1 63047
på 1970/01/1 63012
på 1970/01/1 54081
på 1970/01/1 52127