
De 6n136, inrymt i ett DIP-8-plastpaket, är en sofistikerad optokopplare som innehåller en GAAIAS-infraröd utgivande diod optiskt kopplad med en integrerad fotodetektor.Denna fotodetektor inkluderar en fotodiod och en höghastighetstransistor.Denna avancerade design tillåter överföring av signaler upp till 2 MHz mellan elektriskt isolerade kretsar, vilket säkerställer att tillåtna potentiella skillnader inte överskrider specifika referensspänningar.Dess kompakta storlek, robusthet, utmärkta anti-interferensfunktioner, hög isoleringsspänning, hastighet och TTL-logiknivåkompatibilitet gör 6N136 till en mångsidig komponent i en mängd applikationer.
På grund av dess höghastighetsöverföringskapacitet säkerställer 6N136 integriteten för signaler även när det är omgivet av elektriskt brus.Detta attribut visar sig vara ovärderligt i industriella miljöer där elektromagnetisk störning (EMI) är en vanlig utmaning.Tänk på ett fabriksautomationsscenario där exakt signalöverföring mellan styrenheter och ställdon driver både driftseffektivitet och säkerhet.Det är här 6N136 verkligen lyser och upprätthåller harmonin i komplexa system.6N136 byggd för hållbarhet och är ett pålitligt alternativ för applikationer där underhållstillträde är begränsat eller dyrt.Exempelvis kräver fjärravkänningsapplikationer komponenter som kan fungera pålitligt under längre perioder utan ingripande.
6N136: s höga isoleringsspänning skyddar inte bara känsliga kretselement från högspänningsspikar utan säkerställer också att enheten kan hantera höghastighetsdataöverföring.I datainsamlingssystem, där precisionen och hastigheten för dataöverföring som avvisande påverkar kvaliteten på insamlade data, visar denna funktion extremt fördelaktig.TTL -logiknivåkompatibiliteten för 6N136 ger IT exceptionell mångsidighet, vilket möjliggör sömlös integration med olika digitala kretsar.Under digital-till-analog och analoga till digitala omvandlingsprocesser används upprätthållande av signalfidelitet och kompatibilitet över olika logiska nivåer.6N136 gränssnitt med andra komponenter i dessa scenarier, vilket säkerställer smidig datakonvertering och strömlinjeformade operationer.




|
Särdrag |
Beskrivning |
|
Isoleringstestspänning |
5300 VRMS |
|
Kompatibilitet |
TTL -kompatibel |
|
Bithastighet |
1,0 mbit/s |
|
Common-Mode Interference Immunity |
Hög |
|
Bandbredd |
2,0 MHz |
|
Utgångstyp |
Öppenkollektor |
|
Extern basledningar |
Möjlig |
|
Bly (PB) innehåll |
Blyfri komponent |
|
Efterlevnad |
ROHS 2002/95/EC, WEEE 2002/96/EC |
|
Typ |
Parameter |
|
Fabriksledning |
6 veckor |
|
Montera |
Genom hålet |
|
Monteringstyp |
Genom hålet |
|
Förpackning / fodral |
8-dip (0,300, 7,62 mm) |
|
Antal stift |
8 |
|
Nuvarande överföringsgrad - min |
19% @ 16ma |
|
Antal element |
1 |
|
Driftstemperatur |
-55 ° C till 100 ° C |
|
Förpackning |
Rör |
|
Publicerad |
2012 |
|
Delstatus |
Aktiv
|
|
Fuktkänslighetsnivå (MSL) |
1 (obegränsad) |
|
Tilläggsfunktion |
TTL -kompatibel |
|
Max Power Dispipation |
100 mw |
|
Basdelnummer |
6n136 |
|
Spänning - isolering |
5300VRMS |
|
Utspänning |
400 mV |
|
Utgångstyp |
Transistor med bas |
|
Konfiguration |
Enda |
|
Antal kanaler |
1 |
|
Maktförsläpp |
100 mw |
|
Spänning - framåt (VF) (typ) |
1.33V |
|
Ingångstyp |
Likström |
|
Optoelektronisk enhetstyp |
Logik IC -utgångsoptoCoupler |
|
Framåtström |
25 mA |
|
Max utgångsspänning |
15V |
|
Datafrekvens |
1 Mbps |
|
Utgångsström per kanal |
8 mA |
|
Stigningstid |
800ns |
|
Hösttid (typ) |
800ns |
|
Max Collector Current |
8 mA |
|
Omvänd nedbrytningsspänning |
5V |
|
Max ingångsström |
25 mA |
|
Slå på / stänga av tiden (typ) |
200ns / 200ns |
|
Nuvarande överföringsgrad |
35% |
|
Strålning härdning |
Inga |
|
ROHS -status |
ROHS3 -kompatibel |
|
Artikelnummer |
Tillverkare |
Förpackning / fodral |
Antal stift |
Antal kanaler |
Spänning - isolering |
Nuvarande överföringsgrad |
Nuvarande överföringsgrad (min) |
Stigningstid |
Max utgångsspänning |
Utspänning |
Visa jämför |
|
6N136-X001 |
Vishay Semiconductor Opto Division |
8-dip (0,300, 7,62 mm) |
8 |
1 |
5300VRMS |
35% |
19% @ 16ma |
800 ns |
15 v |
400 mV |
6N136-X001 VS SFH6136-X016 |
|
SFH6136-X016 |
Vishay Semiconductor Opto Division |
8-dip (0,300, 7,62 mm) |
6 |
1 |
500VRMS |
30% |
10% @ 10mA |
- |
30 v |
- |
|
|
6N136-X016 |
Vishay Semiconductor Opto Division |
8-dip (0,400, 10,16 mm) |
8 |
1 |
5300VRMS |
35% |
19% @ 16ma |
800 ns |
15 v |
400 mV |
6N136-X001 VS 6N136-X016 |
|
4n28 |
Lite-On Inc. |
8-dip (0,400, 10,16 mm) |
8 |
1 |
5300VRMS |
35% |
19% @ 16ma |
- |
25 v |
- |
6N136-X001 VS 4N28 |
|
SFH6345-X016 |
Vishay Semiconductor Opto Division |
8-dip (0,400, 10,16 mm) |
8 |
1 |
5300VRMS |
30% |
19% @ 16ma |
- |
25 v |
- |
6N136-X001 VS SFH6345-X016 |

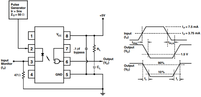
Integrering av ett pull-up-motstånd i kretsen garanterar att när transistorn är avstängd återgår vout-stiftet konsekvent till den höga logiska nivån på 5 volt.Detta pull-up-motstånd är anslutet mellan vout-stiftet och den positiva tillförselspänningen.Stabilisera utgångsspänningen och säkerställa att den når det önskade logiska höga tillståndet.Förhindra flytande tillstånd som kan leda till oförutsägbart kretsbeteende.Skydda mot brus och falsk utlösning i kretsen.
Genom att uppfylla dessa roller bidrar pull-up-motståndet till att upprätthålla kretsens övergripande tillförlitlighet och prestanda.Ett noggrant valt pull-up-motståndsvärde kan förhindra flytande utgångar.Denna stabilisering leder till förutsägbara och orubbliga logiknivåer.Genom att upprätthålla vout-stiftet vid ett förutsägbart spänningsstillstånd när transistorn är i ett off-läge, minskar pull-up-motståndet effektivt sannolikheten för störningar orsakade av brus.Denna stabilitet är mestadels aktiv när precision och tillförlitlighet är dominerande i funktionen av digitala kretsar.
Tankeväckande urval av pull-up-motståndets värde används för att uppnå önskad prestanda.Vanligtvis sträcker sig värden från några kilohm till tiotals kilohm, beroende på kretsens krav.Till exempel väljs ett 10 k ohm -motstånd ofta när det ger en balans mellan hastighet och nuvarande konsumtion och anpassas väl till ett brett spektrum av kretsbehov.Du kan utnyttja deras omfattande expertis för att bestämma de lämpligaste motståndsvärdena för deras specifika applikationer.
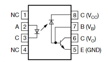
LED -inuti aktiverar och avger en IR -stråle när den lämpliga ingångsströmmen når terminalerna (+VF och -VF).När IR -strålen slår fototransistorn aktiveras den följaktligen.I inbäddade system används ofta denna typ av konfiguration för signalisolering.Genom att göra detta förhindras högfrekventa brus eller spänningsspikar från att orsaka skador på känsliga komponenter.

I det medföljande diagrammet utför 6N136 IC inversionen av ingångspulspolariteten.Specifikt, när en hög inmatningslogiknivå tillämpas, genereras en låg utgång.Omvänt ger en låg ingångslogiknivå en hög utgång.Denna inversionsmekanism spelar en viktig roll i digital signalbehandling, särskilt när det finns ett behov av att upprätthålla eller anpassa specifika logiknivåer för efterföljande stadier av en krets.
I kretskonstruktioner som använder 6N136 måste både effektiviteten och responstiden för optokopplaren beaktas.Praktisk erfarenhet visar att val av lämpliga strömbegränsande motstånd kan optimera aktiveringstiden för lysdioden och därmed öka den totala prestandan.Noggrann tidpunkt är mestadels anmärkningsvärd i kontrollapplikationer, där till och med förseningar på mikrosekunder kan påverka systemfunktionaliteten.
|
Artikelnummer |
Beskrivning |
Tillverkare |
|
6N139#500 |
1 kanallogikutgång OptoCoupler, 0,1 Mbps, 0,300 tum,
Ytmontering, DIP-8 |
Agilent Technologies Inc |
|
HCPL-5700#200 |
1 kanallogikutgång OptoCoupler, 0,1 Mbps, Hermetic
Förseglad, keramisk, dip-8 |
Avago Technologies |
|
HCPL-0700 |
1 Channel Logic Output OptoCoupler, SO-8 |
Fairchild Semiconductor Corporation |
|
HCPL-2730-020 |
Logic IC Output OptoCoupler, 2-element, 5000V isolering,
0,300 tum, DIP-8 |
Agilent Technologies Inc |
|
HCPL0500V |
8-stifts SOIC 1 Mbit/s enkelkanals höghastighetstransistor
Output OptoCoupler, 3000-rör |
onsemi |
|
HCPL-4503-560 |
1 kanallogikutgång OptoCoupler, 1 Mbps, 0,300 tum,
Ytmontering, DIP-8 |
Avago Technologies |
|
HCPL-0500V |
1 kanallogikutgång OptoCoupler, 1 Mbps, blyfri,
SOIC-8 |
Rochester Electronics LLC |
|
HCNW4502E |
1 kanal logikutgång OptoCoupler, 1 Mbps, 0,400 tum,
Blyfri, dip-8 |
Avago Technologies |
|
SFH6325 |
Logik IC-utgång OptoCoupler, 2-element, 5300V isolering,
1 Mbps, plast, DIP-8 |
Infineon Technologies Ag |
|
HCPL-5701#200 |
Logik IC-utgång OptoCoupler, 1-element, 1500V isolering,
0,1 Mbps, Hermetic Sealed, Ceramic, Dip-8 |
Agilent Technologies Inc |
6N136 OptoCoupler finner betydande användning i radmottagare.Den hanterar effektivt höghastighetsdataöverföring, minimerar signalförvrängning och upprätthåller signalintegritet över långa avstånd.Genom att utnyttja dess kapaciteter, miljöer där signal tillförlitlighet är allvarligt fördelar.Denna optoelektroniska enhet spelar en anmärkningsvärd roll för att förbättra kommunikationssystemen, säkerställa robust dataöverföring i telekommunikationsinfrastrukturer och bevara operativ effektivitet i komplexa nätverk.Fältapplikationer har visat att 6N136 kan minska brusinterferensen avsevärt.I industriella inställningar med långa kabelkörningar upprätthåller det utmärkt signalfidelitet.
6N136 OptoCoupler fungerar som en optimal ersättning för traditionella pulstransformatorer, vilket erbjuder fördelar som storleksminskning, förbättrad tillförlitlighet och förbättrad effektivitet.Genom att byta ut pulstransformatorer med 6N136 ser system förbättrad prestanda och minskad elektromagnetisk störning.Denna förskjutning mot mer kompakta och effektiva elektroniska arkitekturer betonar trenden inom elektronik mot miniatyrisering och förbättrade prestandastandarder.Implementationer i olika elektroniska kretsar visar 6N136 inte bara sparar fysiskt utrymme utan ökar också övergripande systemets pålitlighet.
En av de framstående funktionerna i 6N136 är dess sömlösa gränssnitt med CMOS-, LSTTL- och TTL -logikfamiljer.Denna mångsidighet gör det till en viktig komponent i olika digitala kretsar.Genom att överbrygga kompatibilitetsgapet mellan olika logiska standarder förenklar det kretsdesign och förbättrar den operativa flexibiliteten.Du kan använda 6N136 för att ta itu med kompatibilitetsproblem mellan olika digitala logikfamiljer, effektivisera mönster och minska komplexiteten.Dess effektivitet i gränssnittet med flera logiknivåer har lett till utbredd antagande i integrerad kretsdesign.
6N136 OptoCoupler visar sig vara ovärderlig för bred bandbredd analog koppling.Med höghastighetsrespons och låg distorsionsegenskaper säkerställer det exakt signalöverföring över breda frekvensområden.I fält som kräver exakt analog signalreproduktion, såsom ljudbehandling och höghastighetsdataförvärv, är dess prestanda mestadels anmärkningsvärd.

Vishay är en ledande leverantör som specialiserat sig på diskreta halvledare (dioder, MOSFET: er, optoelektronik) och passiva komponenter (motstånd, induktorer, kondensatorer).Deras komponenter finner användning i olika sektorer, inklusive industri, dator, fordon, konsumentelektronik, telekommunikation, militär, flyg- och medicinska tillämpningar.
Vishays diskreta halvledare och passiva komponenter är grundläggande för moderna tekniska apparater.Inom industrisektorn bidrar deras produkter till tillförlitligheten och effektiviteten hos maskiner och automatiseringssystem.För datoranvändning levererar Vishay komponenter som är grundläggande för både konsumentelektronik och servrar på företagsnivå.Dessa element säkerställer prestanda, stabilitet och precisionsminiatyrisering av enheter, som serverar de ständigt växande kraven på teknik.
Vishays komponenter påverkar också den framstegande världen av elfordon (EVS) och Advanced Driver-Assistance Systems (ADAS).Deras MOSFET: er och dioder är nyckeln till batterihanteringssystem och framdrivningsomvandlare, vilket förbättrar effektiviteten och tillförlitligheten.Inom konsumentelektronik bidrar Vishays optoelektronik till miniatyrisering och energieffektivitet hos enheter, vilket ger dig en rikare upplevelse och säkerställer enhetens livslängd.Telekommunikationsinfrastruktur är starkt beroende av Vishays kondensatorer och induktorer för att upprätthålla signalintegritet och krafthantering.Dessa komponenter stöder höghastighetsdataöverföring och robusta nätverksprestanda, som används för att möta den eskalerande efterfrågan på sömlös bandbredd och anslutning i vår sammankopplade värld.
6N135 har en 850Nm Algaas LED.Inkluderar en integrerad detektor med en fotodiode, linjär op-amp och Schottky klämda triode.Ger höghastighetsdrift vid 10MBD.Kräver minimal ingångsström, särskilt 5mA.Däremot har 6N136 en infraröd på hög nivå.Inkorporerar en fotokänslig transistor.Är erkänd för robusta anti-interferensfunktioner.Erbjuder högisoleringsspänning och överlägsen TTL-kompatibilitet.När man beslutar mellan dessa två lyser 6N135 i datakommunikation med dess snabba svar och effektiv kraftanvändning, idealisk för miljöer där hastighet och effektivitet Coax Precision.På baksidan blir 6N136 oumbärlig i industriella eller medicinska tillämpningar, där isolering och avslag på störningar upprätthåller operationen över tiden.
Medan 6N137 och 6N136 tjänar liknande syften i opto-isolering.6N137 har en högre maximal hastighet på 10MBD.Det fungerar inom ett smalare matningsspänningsområde.Omvänt har 6N136 en bredare spänningstolerans.Den fungerar med en lägre hastighet på 1MBD.Således är 6N137 perfekt för banbrytande kommunikationssystem som kräver snabb dataöverföring, medan 6N136 anpassar sig bra till scenarier med olika strömförsörjning och slår en balans mellan hastighet och mångsidighet.
6N136 är skräddarsydd för höghastighetsoperationer, tydlig i sin typiska förökningsfördröjning på 0,5 mikrosekunder med en lastmotstånd på 1,9Ω.Detta gör det möjligt för den att stödja höghastighetsgränssnitt för digitala kommunikation, nå baudhastigheter upp till 500K, vilket avsevärt överträffar standardanordningar som 4N25 eller TILI17.Att uppnå sådan prestanda i praktiska applikationer kräver emellertid noggrann uppmärksamhet på kretsdesign och layout.Att säkerställa att dessa fina detaljer hjälper till att mildra eventuell signalnedbrytning och säkerställa den höghastighetsförmågan som utlovats av 6N136.
Skicka en förfrågan, vi svarar omedelbart.
på 2024/10/21
på 2024/10/21
på 8000/04/18 147757
på 2000/04/18 111936
på 1600/04/18 111349
på 0400/04/18 83721
på 1970/01/1 79508
på 1970/01/1 66911
på 1970/01/1 63047
på 1970/01/1 63012
på 1970/01/1 54081
på 1970/01/1 52127