
En differentiell förstärkare är en kärndel av många analoga system.Dess huvudfunktion är att förstärka spänningsskillnaden mellan två insignaler samtidigt som man ignorerar alla spänningar som är gemensamma för båda.Denna selektiva amplifiering är det som gör det så användbart i bullriga miljöer.När störningar som elektromagnetiskt brus eller kraftlinje påverkar båda ingångarna lika, avbryter förstärkaren det effektivt.
Denna förmåga kallas avstötning av vanligt läge.Ett högt avstängningsförhållande (CMRR) säkerställer att förstärkaren endast fokuserar på den verkliga signalskillnaden, vilket hjälper till att bevara noggrannheten.Till exempel, i medicinsk utrustning som EKG -maskiner, är hjärtas elektriska signaler små och begravda ofta i brus.En differentiell förstärkare extraherar dessa signaler rent, vilket möjliggör tillförlitliga avläsningar.Samma princip gäller i industriella eller ljudsystem, där precision och motstånd mot buller är viktiga.
När signaler reser långa avstånd, till exempel genom tvinnade parkablar i datainsamlingssystem, tar båda ledningarna liknande störningar.Differentialförstärkaren avbryter detta delade brus och förstärker endast den användbara signalskillnaden.På grund av detta är det en nyckelkomponent i precisionselektronik som används i allt från sensorgränssnitt till ljud med hög trohet.
En op-amp, kort för operationell förstärkare, är en elektronisk del som kan göra småspänningsignaler mycket större.Den har två ingångsstift: den ena kallas den icke-inverterande ingången (markerad med en "+"), och den andra är den inverterande ingången (markerad med en "-").Op-amp jämför spänningarna vid dessa två ingångar och ger en utgång baserad på skillnaden mellan dem.I sig själv har en op-amp en mycket hög förstärkning, vilket innebär att till och med en liten spänningsskillnad mellan de två ingångarna kan pressa utgången till dess maximala eller minsta nivå.Detta gör det för känsligt för de flesta användningsområden.För att fixa detta lägger vi till något som kallas negativ feedback, detta är när en del av utgången skickas tillbaka till inverterande ingången genom motstånd.Detta hjälper Op-amp att hålla utgången på en stadig och användbar nivå.Motståndet styr hur mycket Op-amp förstärker skillnaden mellan de två ingångarna.

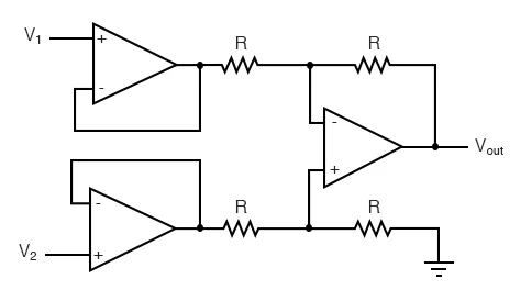
Bild 2. Op-amps i differentiell amplifiering
Figuren visar en speciell inställning som kallas en differentiell förstärkare, ibland kallad en diff amp för kort.Den använder fyra motstånd (R₁, R₂, R₃ och R₄) och två insignaler: V₁ och V₂.Op-amp tittar på hur olika V₁ och V₂ är och ger en utgångsspänning V₀ som är baserad på den skillnaden.Denna typ av krets är bra på att plocka upp skillnaden mellan två signaler samtidigt som man ignorerar ljud eller oönskade signaler som är desamma på båda ingångarna.Det är därför det används i saker som sensorkretsar, ljudsystem och mätverktyg där du behöver tydliga och exakta signaler.
För att göra en differentiell förstärkare som fungerar på ett tydligt och pålitligt sätt, använd en balanserad installation med fyra motstånd.Diagrammet visar hur detta görs med en op-amp (operationell förstärkare), två ingångsspänningar (V₁ och V₂) och fyra motstånd: R1, R2, R3 och R4.

Bild 3. Differentialförstärkarkrets med symmetriskt motståndsnätverk
I denna krets skickas den första ingångsspänningen, V₁, genom motståndet R1 till inverterande ingången till op-amp (markerad med ett minustecken).Den andra ingångsspänningen, V₂, går igenom motståndet R3 till den icke-inverterande ingången (markerad med ett plusskylt).Sedan ansluter motståndet R2 inverterande ingången till marken, och motståndet R4 ansluter Op-AMP: s utgång tillbaka till den inverterande ingången.Denna återkopplingsslinga hjälper Op-amp att kontrollera utgången och hålla skillnaden mellan de två ingångarna stadiga.
Huvudtanken med denna förstärkare är att mäta skillnaden mellan V₂ och V₁ och multiplicera den skillnaden med en viss mängd, detta kallas förstärkningen.Förstärkningen fastställs genom att välja rätt motståndsvärden.Om R1 och R3 har samma värde, och R2 och R4 också har samma värde, kommer kretsen att fungera bra och ge en ren, exakt utgång.Att ha lika motstånd är mycket viktigt.När motstånden matchas kan kretsen ignorera alla brus eller störningar som är detsamma på båda ingångslinjerna.Detta kallas avstötning av vanligt läge, och det hjälper till att hålla utgångssignalen ren.Om motstånden inte matchas väl, kan kretsen låta oönskade signaler igenom, vilket kan röra upp utgången.
För att undvika detta, använd högprecisionsmotstånd som är mycket nära värde, ofta inom 0,1% av varandra.I mer avancerade mönster, som de som finns i mikrochips, justeras motståndsvärdena noggrant med laser trimning för att se till att allt är balanserat.I andra fall, tänk också på temperatur, eftersom värme kan förändra hur motstånd uppför sig.Så de försöker välja motstånd som inte påverkas mycket av temperatur eller ordna dem på ett sätt som håller saker stabila.Denna enkla typ av differentiell förstärkare används ofta som utgångspunkt för mer komplexa system, till exempel instrumenteringsförstärkare.Dessa kretsar använder extra delar för att förbättra prestandan ännu mer, särskilt när du arbetar med mycket små signaler i bullriga miljöer.
Förstärkningen av en differentiell förstärkare är ett mått på hur mycket kretsen ökar skillnaden mellan de två ingångsspänningarna, V₁ och V₂.Med andra ord berättar förstärkningen hur mycket större utgången kommer att jämföras med skillnaden mellan insignalerna.Denna förstärkning ställs in av motstånden i kretsen specifikt genom att jämföra värdena på ingångsmotstånd och återkopplingsmotstånd.Om vi ställer mot motstånd på ett balanserat sätt blir beräkningen av vinsten mycket enkel.Låt oss säga att R1 är densamma som R3, och R2 är densamma som R4.Den här typen av installation kallas symmetrisk, och den hjälper kretsen att fungera mer exakt.I det här fallet ser formeln för förstärkarens förstärkning ut så här:

Denna formel innebär att förstärkaren tar skillnaden mellan V₂ och V₁ och multiplicerar den med antalet du får när du delar R2 med R1.Så om R2 är dubbelt så stor som R1 kommer utgången att vara två gånger skillnaden mellan V₂ och V₁.
Här är ett exempel:
Om V₂ = 3 volt och V₁ = 1 volt är skillnaden 2 volt.
Om R2 är 10KΩ och R1 är 5KΩ, är förstärkningen 10K / 5K = 2.
Så utgångsspänningen är 2 × 2 = 4 volt.
Om du gör alla fyra motstånden på samma sätt (R1 = R2 = R3 = R4) blir förstärkningen 1. Det betyder att förstärkaren inte ändrar storleken på skillnaden, det passerar bara skillnaden till utgången som den är.Detta är användbart när du bara vill mäta eller passera en signal utan att göra den starkare.Ibland behöver du dock utgången för att vara starkare, särskilt om insignalerna är mycket små.För att göra detta kan du göra R2 och R4 större än R1 och R3.Detta ökar förstärkningen och gör utgångssignalen större.Till exempel, om R2 är tio gånger större än R1, är förstärkningen 10, och utgången är tio gånger inmatningsskillnaden.
Men ökande förstärkning har också nackdelar.En hög förstärkning kan också göra oönskade signaler, som brus eller störningar, starkare.Det kan till och med göra att små spänningsfel ser stora ut.Detta kan göra förstärkarens utgång bullriga eller felaktiga.Så det är viktigt att välja motståndsvärden noggrant, så förstärkningen är tillräckligt hög för att se signalen tydligt, men inte så hög att den orsakar problem.Op-amps är inte perfekta.De kan ha små inbyggda fel som ändrar hur kretsen fungerar.Till exempel kan op-amp ge en liten utgång även när ingångarna är exakt desamma.Detta kallas offsetspänning.En annan vanlig fråga är förspänningsström, som är en liten ström som rinner in i ingångsstiften och kan ändra spänningar något.För att fixa eller minska dessa problem, justera kretsen efter att ha byggt den (kallad trimning), lägg till extra komponenter för att avbryta fel (kompensera nolling) eller använda speciella op-ampar som är utformade för att vara mycket exakta och stabila..
En grundläggande differentiell förstärkare är en enkel och användbar krets.Det ökar (förstärker) skillnaden mellan två ingångsspänningar och ignorerar allt som är detsamma på båda.Men denna enkla design har ett problem när den ansluter till svaga eller högimpedanssignalkällor (som vissa sensorer).Problemet kommer från förstärkarens inverterande ingång.På grund av hur kretsen fungerar fungerar denna ingång som en virtuell mark, vilket innebär att den kan dra ström från signalkällan.
Om signalkällan inte kan ge mycket ström som vissa sensorer eller känsliga kretsar kan detta ändra signalen.Signalen kan bli mindre (svagare) eller förvrängd, vilket innebär att förstärkaren ger ett fel resultat.För att fixa detta, använd spänningsföljare, även kallad buffertförstärkare, vid varje ingång.Dessa är speciella förstärkarkretsar som inte ökar spänningen, men de har en mycket hög inmatningsimpedans och en låg utgångsimpedans.Det betyder att de inte drar mycket ström från signalkällan, så signalen förblir densamma.Bufferten passerar bara signalen utan att ändra den.När du lägger till dessa spänningsföljare till differentiell förstärkare får du en bättre krets som kallas en tre-op-amp-instrumentförstärkare.Denna nya version har en mycket hög inmatningsimpedans, så den fungerar bra med svaga signaler.
Du kan också ställa in förstärkningen (hur mycket signalen förstärks) med externa motstånd.Det blockerar också brus väl och ger en ren, exakt signal.Dessa förbättrade förstärkare används i exakta jobb, som att läsa små signaler från termistorer, stammätare eller medicinska sensorer.Dessa signaler är ofta mycket små (som mikrovolter) och måste förstärkas tydligt, även på bullriga platser.För att säkerställa att förstärkaren fungerar som bäst är den fysiska designen av kretsen också viktig.Många använder speciella layout -tricks, som att skydda delar av kretsen för att blockera oönskade signaler och hålla ledningar kort för att undvika problem med oönskad kapacitans.Detta hjälper förstärkaren att fungera bra även med mycket små eller snabba signaler.

Bild 4. Tre-op-amp-instrumentförstärkare med ingångsbuffertar
Figuren visar en tre-op-amp-instrumentförstärkare.De två första op-amparna fungerar som buffertar, tar emot insignalerna V1 och V2 och vidarebefordrar dem utan att dra ström från källorna.Dessa buffrade signaler passerar sedan mot motstånd och konvergerar vid den tredje op-amp, som fungerar som en differentiell förstärkare.Detta sista steg undertraktar en ingång från den andra för att producera utgångsspänningsvout.Denna konfiguration förbättrar signalintegriteten och är väl lämpad för att hantera svaga eller känsliga signaler säkert.
I vissa kretsar använder vi en typ av förstärkare som kallas en differentiell förstärkare utan feedback.När vi gör detta blir det en komparator.En komparator är en enhet som snabbt kontrollerar vilka av två spänningar som är större.När den har gjort jämförelsen ändrar den sin utgång till antingen en hög eller låg spänning, nästan som en enkel switch.Denna typ av beteende på eller av är mycket användbar i digitala system och automatiska kontrollkretsar.Ett exempel är en nollkorsande detektor.Den tittar på en AC (växlande ström) signal och ändrar dess utgång när signalen går igenom noll volt.Detta är till hjälp vid timing och kontroll av saker som beror på signalfasen.
Comparators är också viktiga i enheter som kallas analoga till digitala omvandlare (ADC).Dessa omvandlare ändrar signaler (som ljud eller temperatur) till digitala nummer som datorer kan förstå.Comparatorn hjälper till att jämföra den ändrade signalen med en fast referensspänning.Även om vanliga op-ampar (operativa förstärkare) kan fungera som komparatorer i enkla kretsar, finns det speciella komparatorchips som är gjorda bara för det här jobbet.Dessa speciella chips är snabbare och mer exakta.De kan också innehålla extra funktioner, till exempel hysteres (vilket hjälper till att undvika att byta för ofta på grund av små förändringar eller brus) och öppna kollektorutgångar (vilket gör det lättare att ansluta till digitala kretsar).

Bild 5. Comparator Circuit med en Wheatstone Bridge -konfiguration
Figuren illustrerar en komparatorkrets med en klassisk Wheatstone Bridge -konfiguration.Fyra lika motstånd R bildar bron -nätverket och skapar ett balanserat tillstånd när alla komponenter är symmetriska och ingången är vid 0 volt.Spänningarna från bryggarmarna, märkt V1 och V2, matas in i de inverterande och icke-inverterande ingångarna till en komparator.Under balanserade förhållanden är V1 och V2 lika, vilket resulterar i en nollutgång.Varje obalans i bron, såsom en förändring i ett motstånd på grund av temperatur eller stam, kommer att ge en spänningsskillnad mellan V1 och V2, vilket får komparatorn att växla dess utgång i enlighet därmed.
Ljuskänsliga omkopplare är tillämpningar av differentiella förstärkare som möjliggör automatisk styrning av elektriska enheter som svar på olika omgivande ljusnivåer.Dessa kretsar använder vanligtvis ett ljusberoende motstånd (LDR), en komponent vars motstånd förändras baserat på intensiteten av ljus som faller på det.Genom att integrera en LDR i ett spänningsavdelningsnätverk blir det möjligt att konvertera ljusintensitet till en motsvarande spänningssignal.Kärnoperationen för en sådan omkopplare förlitar sig på en differentiell förstärkare, som tar emot två ingångar: en från spänningsdelaren som innehåller LDR och den andra från en referensspänning.Referensspänningen kan göras justerbar med hjälp av ett variabelt motstånd (VR1) eller potentiometer.Denna konfiguration gör det möjligt att ställa in ljusintensitetströskeln vid vilken omkopplaren aktiverar eller inaktiverar den anslutna belastningen.
När omgivande ljus förändras varierar LDR -motståndet och förändrar spänningen vid en ingång av differentiell förstärkare.När den här ingångsspänningen överträffar eller faller under referensspänningen växlar utgången från förstärkaren.Denna utgång används för att driva en transistoromkopplare, som i sin tur aktiverar en ansluten enhet som en lampa, relä eller fläkt.Införandet av ett återkopplingsmotstånd (RF) förbättrar stabiliteten och lyhördheten för förstärkarkretsen.Samtidigt tillhandahåller transistorsteget, ofta i par med en flyback -diod (D1), den nödvändiga strömförstärkningen och skyddar mot spänningsspikar när induktiva belastningar som reläer används.

Bild 6. Lättkänslig switch med en differentiell förstärkare och LDR
Figuren illustrerar en ljuskänslig omkopplingskrets baserad på en differentiell förstärkare.Ett lätt beroende motstånd (LDR) och ett fast motstånd (R1) bildar en spänningsdelare som ger en variabel spänningsingång (V1) till den inverterande terminalen för den operativa förstärkaren.Den icke-inverterande ingången får en referensspänning (V2), inställd med ett variabelt motstånd (VR1) i serie med motstånd R2.Differentialförstärkaren jämför dessa ingångar, med dess utgång ansluten till basen på en transistor genom ett motstånd (R3).När ljusintensiteten ändras så att V1 korsar tröskeln som ställs in av V2, växlar förstärkarutgången och sätter på eller av transistor.Detta styr i sin tur en ansluten reläspole, indikerad i diagrammet med en utgångsanslutning.En diod (D1) placeras parallellt med reläspolen för att skydda mot spänningsspikar.Motståndet R4 fungerar som en neddragning för transistorens bas.Den totala kretsen möjliggör automatisk växling baserad på omgivande ljusförhållanden.
• Utmärkt brusavstötning: Differentialförstärkare är utformade för att förstärka skillnaden mellan två insignaler medan man ignorerar alla spänningar som är gemensamma för båda.Detta gör dem mycket effektiva för att avvisa elektromagnetisk störning och brus som påverkar både ingångslinjer, en viktig fördel i miljöer med mycket elektriskt brus, såsom fabriker eller nära kraftledningar.
• Hög noggrannhet: Dessa förstärkare erbjuder utmärkt linearitet, vilket innebär att utgången är direkt proportionell mot ingångsspänningsskillnaden med mycket liten snedvridning.Detta gör dem idealiska för system som kräver hög precision, som ljudutrustning, datainsamlingssystem eller vetenskapliga instrument, där även små felaktigheter kan kompromissa med prestanda.
• Mångsidig design: Med enkla modifieringar av deras kretskonfiguration kan differentiella förstärkare användas i en mängd olika roller som grundförstärkare, spännings komparatorer, spänningsföljare (buffertar) eller som byggstenar i mer avancerade instrumenteringssystem.Denna flexibilitet gör dem till ett populärt val i många analoga mönster.
• Förbättrar signalkvaliteten tidigt: Genom att förstärka den önskade signalen och avvisa bruset tidigt i signalkedjan, hjälper differentiella förstärkare att säkerställa att en ren signal passeras genom resten av systemet.Detta minskar behovet av komplex filtrering eller digital korrigering nedströms, sparar bearbetningskraft och förbättrar den totala systemets tillförlitlighet.
• Pålitlig i hårda miljöer: På grund av deras brusavstötning och precision används differentiella förstärkare i stor utsträckning i miljöer med flygplatser som flyg- och rymdsystem, medicintekniska produkter och laboratorieutrustning.Inom dessa fält är exakta och stabila mätningar viktiga, och differentiella förstärkare hjälper till att upprätthålla signalintegritet även under utmanande förhållanden.
Differentialförstärkare är viktiga verktyg inom elektronik eftersom de hjälper dig att förstärka rätt signal och bli av med oönskat brus.De arbetar genom att öka skillnaden mellan två ingångsspänningar och ignorera allt som är detsamma på båda.Du lärde dig hur op-ampar används för att göra dessa förstärkare och hur matchande motståndsvärden är nyckeln till att hålla kretsen korrekt.Vi förklarade också hur man ökar förstärkarens ingångsmotstånd genom att använda buffertar, vilket hjälper när du arbetar med små eller svaga signaler.Dessa förstärkare kan också användas som komparatorer och smarta ljusomkopplare, vilket visar hur användbara och flexibla de är.Att veta hur de arbetar hjälper dig att bygga bättre och mer pålitliga kretsar.
Skicka en förfrågan, vi svarar omedelbart.
En differentiell förstärkare har en op-amp och fyra motstånd.En ingång går till den inverterande terminalen genom ett motstånd, och den andra ingången går till den icke-inverterande terminalen genom ett annat motstånd.Ytterligare två motstånd ger feedback och jordning.Kretsen förstärker spänningsskillnaden mellan de två ingångarna medan man ignorerar alla spänningar som är gemensamma för båda.
Dess noggrannhet beror på hur väl motstånden matchas.Om motståndsvärdena är avstängda kan förstärkaren låta bruset igenom.Det kämpar också med högimpedanskällor, vilket kan orsaka signalförlust eller snedvridning.Vid hög förstärkning kan till och med små interna fel som offsetspänning eller förspänning ström påverka utgången.Komplexa layouter och extra buffertar kan behövas för precision.
De flesta grundläggande differentiella förstärkare har en utgång som visar den förstärkta skillnaden mellan två ingångar.Vissa avancerade versioner, som helt differentiella förstärkare, har två utgångar.Dessa utgångar är lika i amplitud men motsatta i fas, vilket gör dem användbara i system som behöver bättre brusimmunitet.
Det förstärker spänningsskillnaden mellan två ingångar och avvisar alla spänningar som är gemensamma för båda.Den har avstötning av vanligt läge, god linearitet och justerbar förstärkning genom motståndsvärden.Med buffertar kan det ha hög inmatningsimpedans.Det är tillförlitligt i bullriga miljöer och fungerar bra med små signaler från sensorer eller ljudkällor.
Du ökar förstärkningen genom att justera motståndsvärdena.Förstärkningen är lika med förhållandet mellan återkopplingsmotståndet och ingångsmotståndet, vanligtvis förstärkning = R2 / R1.Att använda större återkopplingsmotstånd eller mindre ingångsmotstånd höjer förstärkningen.Hög förstärkning kan emellertid också förstärka brus eller interna fel, så motståndsvärden bör väljas noggrant för en god balans mellan signalstyrka och noggrannhet.
på 2025/05/2
på 2025/05/2
på 8000/04/18 147757
på 2000/04/18 111934
på 1600/04/18 111349
på 0400/04/18 83719
på 1970/01/1 79508
på 1970/01/1 66898
på 1970/01/1 63010
på 1970/01/1 63006
på 1970/01/1 54081
på 1970/01/1 52118