
De EPM7160ELC84-15 är en del av Intels Max 7000-serie CPLD, som använder Alteras avancerade andra generationens max-arkitektur.Dessa enheter, tillverkade med avancerad CMOS-teknik, är skräddarsydda för högpresterande digitala logikkretsimplementeringar.Denna modell har 160 makroceller och ger ungefär 3 200 användbara grindar, tillgodoser behoven hos komplexa digitala system.Den fungerar på en 5V-tillförsel, med en typisk fördröjning av stift-till-stift på 15 ns, vilket möjliggör mothastigheter upp till 175,4 MHz, vilket säkerställer snabb signalbehandling och effektiv systemprestanda.Denna CPLD stöder både programmering och omprogrammering i systemet via ett integrerat JTAG-gränssnitt, som överensstämmer med IEEE STD.1149.1, förbättra flexibilitet och enkel uppdateringar efter installationen.Det erbjuder också en säkerhetsfunktion för att förhindra obehörig kopiering av konfigurationsdata, ett värdefullt tillägg för att skydda immateriell egendom.
Om du vill säkra allt ditt företag behöver är nu den perfekta tiden att göra en bulkorder hos oss.Vi är redo att hjälpa dig att spara tid, sänka kostnaderna och få exakt vad du behöver.

Pinoutdiagrammet för EPM7160ELC84-15 Enheten illustrerar den fysiska layouten och funktionaliteten för dess 84 stift i ett PLCC (plast blad med chipbärare).Diagrammet visar en fyrkantig konfiguration, där varje stift tilldelas en specifik etikett som indikerar dess funktion, till exempel I/O (input/output), Gard (mark), eller Vccio (Tillförselspänning för I/O).Stift märkt som I/O Representera konfigurerbara digitala ingångs- eller utgångslinjer, som används för att gränssnitt med andra enheter i en krets. Vccio stift leveransspänning till I/O Banksoch Gard Stift ger markreferensen.Specialfunktionsstift inkluderar Tdi, Tdo, Tmsoch Tck, som används för Jtag Programmering och gränsscanningstest.Dessutom är stift som Input1/CLK1 och Input2/CLK2 är utsedda klocka eller kontrollsignalingångar för intern logisk timing.

EPM7160ELC84-15 Symbol

EPM7160ELC84-15 fotavtryck

EPM7160ELC84-15 3D-modell
• Högdensitetslogik: EPM7160ELC84-15 erbjuder 160 makroceller och cirka 3 200 användbara grindar, vilket gör det mycket lämpligt för komplexa digitala mönster.Denna densitet möjliggör integration av flera funktioner i en enda enhet, vilket underlättar mer kompakta och effektiva kretskonstruktioner.
• Snabbprestanda: Med en maximal förökningsfördröjning på 15 NS och förmågan att stödja driftsfrekvenser upp till 100 MHz säkerställer denna CPLD snabb signalbehandling och höghastighetsprestanda för tidskänsliga applikationer.
• Programmerbarhet i systemet (ISP): Med en inbyggd IEEE STD.1149.1 (JTAG) -gränssnittet stöder enheten programmering i systemet.Denna kapacitet gör det möjligt att programmera och omprogrammeras efter installation, vilket ger flexibilitet för uppdateringar och funktionalitetsförändringar utan behov av fysisk ersättning.
• Multivolt ™ I/O -gränssnitt : Multivolt I/O -gränssnittet stöder olika driftsspänningar, vilket gör CPLD kompatibel med 5,0 V, 3,3 V och 2,5 V logiknivåer.Denna funktion gör det möjligt att användas i enheten i blandade spänningar, vilket förbättrar dess anpassningsförmåga till olika elektroniska miljöer.
• Flexibel I/O -konfiguration: Det ger 64 programmerbara I/O -stift som erbjuder mångsidiga gränssnittsalternativ.Denna flexibilitet är viktig för applikationer som kräver en mängd olika input/utgångskonfigurationer, vilket stöder ett brett spektrum av anslutning och funktionalitet.
• EEPROM-baserat minne: Med hjälp av EEPROM -teknik för konfigurationslagring kan CPLD omprogrammeras upp till 100 gånger.Detta icke-flyktiga minne säkerställer att enheten behåller sin konfiguration även efter effektcykler för tillförlitlighet och enkel underhåll.
• Säkerhetsfunktioner: Enheten innehåller en säkerhetsbit som förhindrar obehörig åtkomst till den programmerade logiken, skyddar immateriell egendom och förhindrar manipulering, vilket är bra för applikationer i säkerhetskänsliga miljöer.

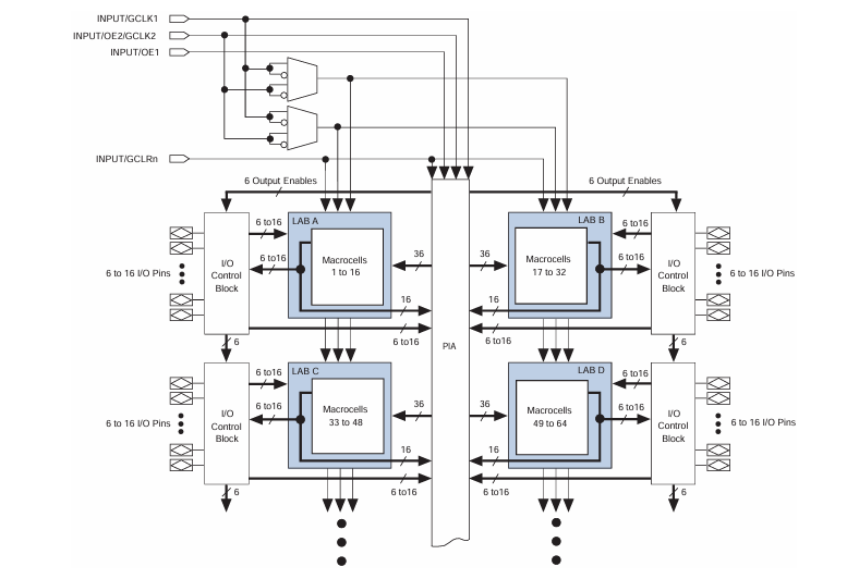
Blockdiagrammet för EPM7160ELC84-15, representerar en välstrukturerad intern arkitektur bestående av fyra Logic Array Blocks (Labs) märkt En, B, Coch D.Varje labb innehåller 16 makroceller, vilket gör totalt av 64 makroceller, som är byggnadsenheterna för att skapa logikfunktioner.Dessa makroceller kan implementera kombinations- eller registrerad logik med hjälp av programmerbara samtrafik och styrsignaler.I mitten, Programmerbar samtrafik Array (PIA) fungerar som kommunikationsryggraden, vilket möjliggör flexibel routing av signaler mellan Laborationer och I/O stift.Varje labb ansluter till PIA med 36 ingångslinjer och 16 utgångslinjer, vilket säkerställer en hög grad av logik -samtrafik.Runt periferin, I/O -kontrollblock Hantera ingångs- och utgångssignaler och erbjuda mellan 6 till 16 I/O -stift per sida, som gränssnitt direkt med det externa systemet.Den visar också globala styrsignaler som Clock (GCLK1, GCLK2), utgångsaktivering (OE1) och CLEAR (GCLRN) distribuerade till alla laboratorier för synkroniserad och centraliserad logisk kontroll.Dessa signaler kan dirigeras genom multiplexerare för att ge designflexibilitet och effektivitet.
|
Typ |
Parameter |
|
Tillverkare |
Altera/intel |
|
Serie |
Max® 7000 |
|
Förpackning |
Rör |
|
Delstatus |
Föråldrad |
|
Programmerbar typ |
EE PLD |
|
Fördröjningstid TPD (1) Max |
15 ns |
|
Spänningsförsörjning - intern |
4.75V ~ 5.25V |
|
Antal logikelement/block |
10 |
|
Antal makroceller |
160 |
|
Antal grindar |
3200 |
|
Antal I/O |
64 |
|
Driftstemperatur |
0 ° C ~ 70 ° C (TA) |
|
Monteringstyp |
Ytfäste |
|
Förpackning / fodral |
84-LCC (J-Lead) |
|
Leverantörspaket |
84-PLCC (29.31x29.31) |
|
Basproduktnummer |
EPM7160 |
Industriautomation
I den industriella automatiseringen används EPM7160ELC84-15 för att kontrollera logik inom programmerbara logikstyrenheter (PLC), motorstyrenheter och sensorgränssnitt.Dess förmåga att hantera komplexa logikoperationer och snabb I/O -switching gör den idealisk för automatiseringsuppgifter som kräver exakt kontroll och timing.
Inbäddade system
Denna CPLD är användbar i inbäddade system där rymd- och krafteffektivitet är viktiga.Den hittar applikationer i robotik, Internet of Things (IoT) -enheter och konsumentelektronik, där dess programmerbarhet möjliggör anpassning och anpassningsförmåga till specifika funktionella krav.
Telekommunikation
Enheten används i telekommunikationsutrustning som routrar och switchar för hantering av timing, datarrutning och protokollhantering.Dess höghastighetsprestanda och förmåga att arbeta på olika spänningsnivåer gör det lämpligt för nätverksinfrastruktur som kräver tillförlitlighet och hög dataöverföring.
Fordonselektronik
Inom bilsektorn stöder EPM7160ELC84-15 applikationer i infotainment-system, kroppskontrollmoduler och motorhanteringsenheter.CPLD: s robusthet och stöd för ett brett utbud av ingångs-/utgångsspänningar gör att den kan utföra pålitligt i de krävande förhållandena i bilmiljöer.
Medicinsk utrustning
CPLD tillämpas också inom teknik för medicinsk utrustning, särskilt i diagnostisk utrustning och patientövervakningssystem.Dess säkerhetsfunktioner och stabil drift under olika miljöförhållanden säkerställer att den kan hantera känsliga och sjukvårdsapplikationer säkert och effektivt.
Programmering av EPM7160ELC84-15, en CPLD från Intels Max 7000-serie, involverar en strukturerad process för att säkerställa att enheten fungerar enligt specifikationer.Här är stegen i programmering av denna CPLD:
1. Designpost: Börja med att använda ett hårdvarubeskrivningsspråk (HDL) som VHDL eller Verilog, eller ett grafiskt schematiskt fångstverktyg för att skapa din digitala logikdesign.Detta första steg lägger grunden för den funktionalitet du vill implementera i CPLD.Anställ designprogramvara kompatibel med Max 7000 -serien, till exempel Alteras Quartus II eller Max+Plus II, som tillhandahåller verktyg för kodning, sammanställning och simulering av din design.
2. Sammanställning och simulering: Kompilera din design för att översätta HDL -koden eller schematisk till ett binärt format som CPLD kan utföra.Detta steg kontrollerar också för alla syntaxfel och säkerställer att logiken uppfyller designkraven.Simulera den sammanställda designen för att validera dess funktionalitet.Detta innebär att man kör testfall mot designen för att verifiera dess logik och timing, vilket säkerställer att det uppträder som förväntat innan det programmeras på den fysiska enheten.
3. Programmering av hårdvaruinställning: Anslut EPM7160ELC84-15 till lämplig programmeringshårdvara.Detta kan involvera att ställa in ett JTAG-gränssnitt med enheter som ByteBlasterMV, MasterBlaster eller USB-Blaster.Se till att CPLD är korrekt driven och konfigurerad i rätt konfigurationsläge för programmering, vanligtvis med en 5,0 V strömförsörjning.
4. Programmeringsprocess: Öppna programmeringsprogramvaran (som Quartus II-programmerare) och konfigurera den för att känna igen EPM7160ELC84-15 via JTAG-gränssnittet.Ladda lämplig programmeringsfil (.poF eller .SOF) i programvaran.Dessa filer innehåller de sammanställda designdata som är nödvändiga för att konfigurera CPLD.Kör programmeringskommandot i programvaran för att överföra designen till CPLD.Övervaka processen för eventuella fel och bekräfta framgångsrik programmering.
5. Verifiering: När programmeringen är klar, genomföra en verifieringsprocess för att säkerställa att CPLD fungerar korrekt inom dess avsedda applikation.Detta kan inkludera genomförande av gränsskanningstester eller funktionalitetstester inom det faktiska systemet där CPLD implementeras.Kontrollera att alla funktioner utförs som utformade och att enheten interagerar korrekt med andra komponenter i systemet.
Kostnadseffektivitet
EPM7160ELC84-15 är en kostnadseffektiv lösning för att behöva komplexa logikfunktioner utan den höga prislappen förknippad med nyare CPLD eller FPGA.Detta gör det attraktivt för budgetkänsliga projekt och för utbildnings- eller småskaliga industriella applikationer.
Icke-flyktig konfiguration
Med hjälp av EEPROM-teknik behåller EPM7160ELC84-15 sin programmerade konfiguration även när strömmen är avstängd.Denna icke-volatilitet säkerställer enhetens tillförlitlighet och konsistens i prestanda över effektcykler, vilket eliminerar behovet av externa icke-flyktiga minneskomponenter.
Brett driftsspänningsområde
Enheten stöder ett brett driftsspänningsområde på 4,75 V till 5,25 V, tillmötesgående varierande strömförsörjning och säkerställer kompatibilitet med både äldre och nyare systemkonstruktioner.Denna mångsidighet är fördelaktig i miljöer med blandad spänningar där systemkomponenter kanske inte delar samma standardspänningsnivåer.
Pålitlig prestanda
Enheten erbjuder tillförlitlig prestanda med en förökningsfördröjning på 15 ns och stöd för driftsfrekvenser upp till 100 MHz.Detta säkerställer snabb och effektiv bearbetning av logikoperationer, vilket gör det lämpligt för tidskänsliga applikationer inom telekommunikation, fordonselektronik och industriella kontrollsystem.
|
Symbol |
Tum |
||
|
Min. |
Nom. |
Max. |
|
|
En |
0,165 |
0,172 |
0,18 |
|
A1 |
0,02 |
- |
- |
|
A2 |
0,150 typ |
||
|
D |
1.185 |
1.190 |
1.195 |
|
D1 |
1.150 |
1.154 |
1.158 |
|
D2 |
1.082 |
1.110 |
1.138 |
|
E |
1.185 |
1.190 |
1.195 |
|
E1 |
1.150 |
1.154 |
1.158 |
|
E2 |
1.082 |
1.110 |
1.138 |
|
b |
0,013 |
- |
0,021 |
|
c |
0,008 typ |
||
|
e |
0,050 typ |
||

EPM7160ELC84-15 tillverkas av Intel Corporation, en global ledare inom halvledarteknologi.Ursprungligen utvecklad av Altera, blev denna CPLD en del av Intels produktportfölj efter förvärvet av Altera 2015. Sedan dess har Intel fortsatt att stödja Max 7000-serien, inklusive EPM7160ELC84-15, under sin programmerbara lösningsgrupp.Intels förvaltarskap säkerställer att enheten drar nytta av deras avancerade tillverkningsstandarder, långsiktig tillförlitlighet och dokumentationsstöd.Även om det nu är klassificerat som föråldrat, fortsätter Intels arv i programmerbara logikenheter som EPM7160ELC84-15 att tjäna i äldre system och specialiserade applikationer över hela världen.
EPM7160ELC84-15 står som en mycket kapabel CPLD skräddarsydd för ingenjörer och systemdesigners som söker kostnadseffektiv logikintegration med flexibel programmerbarhet.Dess EEPROM-baserade minne, snabb förökningsfördröjning och kompatibilitet med flera spänningsnivåer gör det till en stark passform för olika elektroniska miljöer.Med stöd av Intels tillverkningsarv och byggda med funktioner som Multivolt I/O- och JTAG -efterlevnad fortsätter enheten att tjäna i arv och specialiserade system trots dess föråldring.Oavsett om du arbetar med industriell automatisering, inbäddade applikationer eller telekominfrastruktur, levererar EPM7160ELC84-15 tillförlitlig prestanda och långsiktigt värde.
Programvaruskiva 06/nov/2020.pdf
Cylindriska batterilhållare.pdf
Skicka en förfrågan, vi svarar omedelbart.
EPM7160ELC84-15 är idealisk för enklare eller kostnadskänsliga applikationer eftersom den är EEPROM-baserad och inte kräver externt konfigurationsminne.Nyare CPLD eller FPGA kan erbjuda mer logisk kapacitet, snabbare prestanda eller avancerade funktioner, men ofta till en högre kostnad och komplexitet.Om din design inte behöver avancerade resurser är den här enheten ett mer effektivt val.
Du kan använda Altera Max+Plus II eller Intel Quartus II-programvara för att designa, kompilera, simulera och programmera EPM7160ELC84-15.Dessa verktyg stöder äldre Max 7000-serie CPLD och erbjuder både schematiska och HDL-baserade designalternativ.
EPM7160ELC84-15 kan omprogrammeras upp till 100 gånger tack vare EEPROM-tekniken.Detta möjliggör uppdateringar och modifieringar under prototyper och även efter utplacering, vilket erbjuder långsiktig flexibilitet.
Ja, det stöder Multivolt ™ I/O, vilket innebär att det kan gränssnitt med enheter som arbetar vid 5V, 3,3V eller till och med 2,5V, vilket gör det anpassningsbart till olika spänningsmiljöer och hjälper den att integreras i blandade teknologisystem.
Ja, USB-Blaster, ByteBlasterMV och MasterBlaster är kompatibla programmeringsverktyg som ansluter via JTAG till EPM7160ELC84-15 för programmering i systemet (ISP).
på 2025/04/18
på 2025/04/17
på 8000/04/18 147758
på 2000/04/18 111953
på 1600/04/18 111349
på 0400/04/18 83722
på 1970/01/1 79508
på 1970/01/1 66920
på 1970/01/1 63078
på 1970/01/1 63015
på 1970/01/1 54081
på 1970/01/1 52146