
De MC7447AHX1000NB är en höghastighetsinbäddad processor från MPC74XX-familjen av NXP.Byggt runt PowerPC G4 -kärnan hanterar den krävande uppgifter i multimedia och datorsystem.Detta chip är känt för sin balanserade blandning av hastighet och kraftkontroll, vilket gör det till ett utmärkt val för applikationer som behöver tillförlitlig prestanda utan att driva kraftgränser för långt.Du hittar det i allt från industriella inställningar till avancerade inbäddade brädor.
Letar du efter MC7447AHX1000NB?Kontakta oss för att kontrollera nuvarande lager, ledtid och prissättning.

Detta diagram visar PIN -tilldelningarna för MC7447AHX1000NB med 360 HCTE BGA -paketet.Del A tillhandahåller en toppvisningslayout av hela kulnätgruppen, märkt från A till W (rader) och 1 till 19 (kolumner), vilket hjälper till med tydlig identifiering av varje stiftplats.Del B ger en sidoprofil för paketet, som visar hur den inre formen sitter i underlaget och inkapslande.Tillsammans hjälper dessa åsikter att säkerställa korrekt placering och orientering under kortmontering och hjälpa till att förstå hur chipet ansluter till resten av systemet.
I hjärtat av MC7447AHX1000NB är PowerPC G4 -kärnan, utformad för att ge dig smidig och effektiv bearbetning.Det är ett pålitligt alternativ om du arbetar med system som behöver solid prestanda utan att överkomplicera din design.
Detta chip använder en enda kärna med en 32-bitars bussbredd.Det betyder att den kan hantera olika uppgifter samtidigt som saker och ting håller saker enkla och hanterbara.Du behöver inte oroa dig för extra lager av komplexitet.
Med en klockhastighet på 1,0 GHz ger denna processor dig den typ av kraft du behöver för att kräva arbetsbelastning.Det är snabbt, lyhörd och håller saker rörande när ditt system är under tryck.
Det inbyggda multimedia- och SIMD-stödet hjälper till att öka prestandan i grafiktunga eller ljudrelaterade uppgifter.Det är en användbar funktion om du arbetar med något som behöver smidigare bilder eller ljud.
Detta chip stöder både 1,8V och 2,5V I/O och ger dig flexibilitet när du ansluter det till andra delar.Du kan matcha det med ett brett spektrum av komponenter utan att stöta på problem med spänningsmatchning.
Den är byggd för att köra från 0 ° C till 105 ° C, så det är redo att gå i olika miljöer.Oavsett om du är inomhus eller utomhus, fortsätter den här processorn att arbeta utan krångel.
Ytmonteringsdesignen gör det lättare att placera detta chip på ditt bräde.Det passar in i moderna byggprocesser, sparar tid och gör din installation mer effektiv.
Det finns i ett 360-boll FCCBGA-paket som mäter bara 25x25 mm.Det ger dig en kompakt form som är perfekt för rymdbegränsade mönster medan du fortfarande är lätt att arbeta med.
| Produktattribut | Attributvärde |
| Tillverkare | NXP Semiconductors |
| Spänning - I/O | 1.8V, 2.5V |
| USB | - |
| Leverantörspaket | 360-FCCBGA (25x25) |
| Hastighet | 1,0 GHz |
| Serie | Mpc74xx |
| Säkerhetsfunktioner | - |
| Sata | - |
| Ramkontroller | - |
| Förpackning / fodral | 360-BCBGA, FCCBGA |
| Paket | Bricka |
| Driftstemperatur | 0 ° C ~ 105 ° C (TA) |
| Antal kärnor / bussbredd | 1 kärna, 32-bitars |
| Monteringstyp | Ytfäste |
| Grafikacceleration | Inga |
| Eternet | - |
| Display & Interface Controllers | - |
| Grundprocessor | Powerpc g4 |
| Medprocessorer / DSP | Multimedia;Simd |
| Basproduktnummer | MC7447 |
| ROHS -status | ROHS icke-kompatibelt |
| Fuktkänslighetsnivå (MSL) | 1 (obegränsad) |
| Nå status | Nå opåverkad |
| Eccn | 3A991A2 |
| Htsus | 8542.31.0001 |

Detta blockschema ger en detaljerad titt på hur MC7447AHX1000NB -mikroprocessorn är organiserad internt.Det visar hur instruktioner hämtas, avkodas och bearbetas genom olika enheter, inklusive skal-, vektor- och flytande-punkts körningsvägar.Du ser också hur chipet hanterar minnesoperationer, med integrerade L1- och L2 -cachar för att hjälpa till att påskynda saker.Varje avsnitt spelar en roll för att hålla uppgifterna rör sig smidigt och effektivt, oavsett om det är att bearbeta data, hantera instruktioner eller kommunicera med resten av systemet.Denna layout hjälper dig att bättre förstå hur MC7447AHX1000NB hanterar komplexa operationer i realtid.

Detta diagram visar hur JTAG-gränssnittet ansluter till MC7447AHX1000NB via COP (Common On-Chip Processor) rubrik.Den beskriver stiftlayouten och signalvägarna som behövs för att möjliggöra felsöknings- och testfunktioner.Varje stift är tydligt märkt och pull-up-motstånd används för att säkerställa korrekt signalbeteende.Anslutningarna för att återställa signaler, klocklinjer och data I/O -stift visas tillsammans med valfria komponenter, såsom isoleringsmotstånd.Det belyser också hur JTAG -gränssnittet gör det möjligt för utvecklare att styra processorn under utveckling eller felsökning, vilket gör det till ett användbart visuellt för att förstå hur man ställer in och använder felsökningsgränssnittet effektivt.
Om du bygger en enhet som spelar videor, hanterar ljud eller kör andra medieuppgifter, är MC7447AHX1000NB ett fast val.Dess bearbetningskraft och inbyggda multimediastöd hjälper allt att gå smidigare, så att du får en bättre upplevelse utan fördröjning eller avmattning.
Detta chip passar direkt i mer komplexa inbäddade inställningar där konsekvent hastighet och kontrollär.Oavsett om du arbetar med smarta paneler eller kompakta datorsystem hjälper det att hantera dina bearbetningsbehov utan att komma i vägen.
I automatiserings- och kontrollsystem måste saker köras stadigt utan hicka.MC7447AHX1000NB hjälper till att stödja den typen av stabilitet och håller uppgifterna smidigt i livliga miljöer som fabriker eller bearbetningsenheter.
Oavsett om det är nätverkshårdvara eller andra kommunikationsverktyg, hjälper den här processorn att hålla saker och ting att röra sig bakom kulisserna.Det stöder en bra balans mellan hastighet och tillförlitlighet och ser till att ditt system förblir lyhörd.

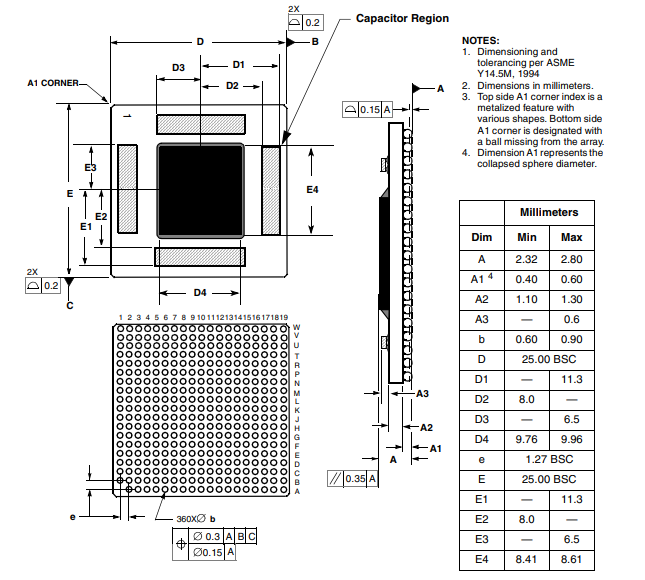
Detta diagram visar den mekaniska layout- och storleksinformationen för MC7447AHX1000NB, som använder ett 360-boll ROHS-kompatibelt BGA-paket.Det inkluderar mätningar för höjd, kulhöjd och totala dimensioner i millimeter.Den nedre vyen belyser bollnätlayouten med ett märkt A1 -hörn för korrekt orientering.Sidvyer ger paketets höjdområde och detaljer som den kollapsade kuldiametern.Dessa mätningar hjälper till att säkerställa korrekt placering och justering på ett kretskort, vilket gör diagrammet särskilt användbart för hårdvaruingenjörer som planerar PCB -layouter som inkluderar denna processor.
• Optimerad för multimediaapplikationer med inbyggt SIMD och DSP-stöd
• Kör på 1,0 GHz, vilket ger dig snabb och lyhörd prestanda
• Hanterar ett brett temperaturintervall, vilket gör det lämpligt för olika miljöer
• Kompakt FCCBGA-paket passar bra i rymdbegränsade mönster
• Enskilda inställningar kanske inte uppfyller behoven hos tunga multitasking arbetsbelastningar
• Begränsad till 32-bitars arkitektur, som kanske inte passar moderna 64-bitars applikationer
• Kräver exakt spänningskompatibilitet, vilket kan påverka val av del
• Ytmonteringspaket kan behöva mer noggrann hantering under installationen
| Artikelnummer | Tillverkare | Nyckelfunktioner | Använd fall/anteckningar |
| MC7447AHX1333LB | NXP USA Inc. | 1.333GHz PowerPC G4 -processor med SIMD -stöd.Har 1.8V/2.5V I/O, 360-FCCBGA-paket och driver upp till 105 ° C. | Högpresterande inbäddad dator i industriella eller nätverkssystem som behöver tillförlitlig hastighet och bearbetning. |
| MC7410VU500LE | Freescale halvledare | 500MHz PowerPC G4-processor, 1.8V/2.5V/3,3V I/O, 360-CBGA-paket.Inget SIMD eller medprocessorstöd. | Lämplig för applikationer med lägre effekt eller äldre behöver PowerPC-kompatibilitet och bred I/O-spänningsområde. |
| MC7410VU500LE | NXP USA Inc. | Samma specifikationer som ovan - 500 MHz, ingen SIMD, stöder bredare I/O -spänningar.Levereras i ett 360-CBGA-paket, klassat till 105 ° C. | Idealisk för projekt som kräver en kompatibel ersättningsdel eller alternativ leverantörsköp. |
NXP Semiconductors designer produkter som hjälper till att driva vardagliga elektronik.Från processorer till säkra chips fokuserar de på att bygga tillförlitliga delar som används i saker som bilar, telefoner och smarta enheter.Du hittar ofta deras komponenter i system som måste köra smidigt och säkert.Med många års erfarenhet och en stark närvaro på globala marknader fortsätter NXP att skapa lösningar som hjälper dig att leva dina idéer.
MC7447AHX1000NB erbjuder en fantastisk blandning av hastighet, tillförlitlighet och storlek, vilket gör det till ett fast val för inbäddade och multimediasystem.Dess PowerPC G4 -kärna säkerställer smidig drift för krävande uppgifter, och den 1,0 GHz klockhastigheten håller saker att gå snabbt.Chipet fungerar i ett brett temperaturområde och stöder flexibla I/O -spänningar, vilket bidrar till dess användbarhet i olika miljöer.Dess kompakta ytmonteringspaket passar in i små utrymmen utan att offra prestanda.Oavsett om du arbetar med automatisering, kommunikation eller medieuppspelning har denna processor funktioner som hjälper dig att få saker att göra effektivt.Det är ett pålitligt alternativ när du behöver prestanda som passar in i trånga utrymmen.
Skicka en förfrågan, vi svarar omedelbart.
MC7447AHX1000NB används i inbäddade system som behöver pålitliga prestanda, som multimediaenheter, industriella kontroller och kommunikationsutrustning.Den hanterar databehandling, ljud-/videor, och systemhantering utan att behöva för mycket kraft eller utrymme.
Ja, det gör det.Chipet innehåller ett JTAG -gränssnitt genom polisen rubrik, som låter dig ansluta en felsökare för testning och felsökning.Inställningen innehåller anslutningar för återställning, klocka och Datalinjer, vilket gör det enklare att hantera utveckling och felkontroll.
Ja, det fungerar i ett brett temperaturområde från 0 ° C till 105 ° C.Detta gör det lämpligt för användning i både inomhus- och utomhusmiljöer, inklusive industriella inställningar där temperaturen kan variera.
Den stöder dubbla I/O -spänningar på 1,8V och 2,5V.Detta hjälper till med kompatibilitet när du ansluter den till olika komponenter på brädet, Så du kan bygga ett system utan att stöta på spänningsmatchningar.
Chipet finns i ett ytmonterat 360-boll FCCBGA-paket, vilket är Vanligtvis används i modern församling.Även om det kräver korrekt placering utrustning, det passar väl i standardbyggnadsprocesser och är lätt att Integrera i kompakta bräddesign.
på 2025/07/10
på 2025/07/10
på 8000/04/19 147781
på 2000/04/19 112056
på 1600/04/19 111352
på 0400/04/19 83810
på 1970/01/1 79622
på 1970/01/1 66994
på 1970/01/1 63118
på 1970/01/1 63057
på 1970/01/1 54097
på 1970/01/1 52207