
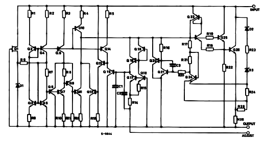
De LM317T sticker ut som en mycket anpassningsbar spänningsregulator innesluten i ett TO-220-paket, känt för sin okomplicerade design och imponerande prestanda för att hantera positiva spänningsutgångar.Det kan rymma strömmar som är större än 1,5A, vilket underlättar krafthantering med en resistiv avdelare för exakt spänningsjustering.Denna kapacitet stöder ett brett spänningsområde, vilket minskar behovet av flera fasta regulatorer.LM317T kännetecknas av funktioner som stöder effektiv kraftreglering.Dess kunskaper i att upprätthålla en stabil utgångsspänning trots variabla ingångsförhållanden understryker dess effektivitet.När du använder LM317T, dess termiska överbelastningsskydd och kortslutningsskydd, ger konsekvent prestanda och motståndskraft även i krävande miljöer.LM317T är ofta integrerad i strömförsörjningskretsar för enheter med olika spänningskrav.Dess enkla design möjliggör enkla justeringar och underhåll, vilket erbjuder fördelar i utbildningsinställningar och experimentella inställningar.

|
Stift nr |
Stiftnamn |
Beskrivning |
|
1 |
Justera |
Denna stift justerar utgångsspänningen |
|
2 |
Utgångsspänning (vout) |
Den reglerade utgångsspänningen som ställts in av den justerade stiftet kan
erhållas från denna stift |
|
3 |
Ingångsspänning (VIN) |
Ingångsspänningen som måste regleras ges till
denna stift |


En slående aspekt av LM317T är dess justerbara spänningsområde från 1,2V till 37V, som tillgodoser applikationer som behöver finjusterad spänningshantering.Denna mångsidighet tilltalar många elektroniska applikationer, vilket minskar designkomplikationer.
Med stöd för strömmar över 1,5A är LM317T skräddarsydd för hög demandkretsar med fokus på att upprätthålla stabilitet över olika kraftbehov.Denna karakteristik bidrar till sömlös enhetsdrift, vilket gör den till en värderad komponent där kraftkrav är oförutsägbara.
LM317T utmärker sig för att upprätthålla en snäv linje och belastningsreglering vid 0,1%, vilket minimerar spänningsvariabiliteten som kan störa eller försämra känsliga komponenter.
Den flytande spänningsdesignen för LM317T förbättrar flexibiliteten i kretslayan och stödjer dess användning i negativa spänningsscenarier utan att kräva komplicerade konfigurationer.Denna kapacitet blir fördelaktig när flera regulatorer är integrerade i ett enda system.
LM317T är utrustad med överströmsskydd, termisk avstängning och SOA -kontroll och erbjuder robusta skyddsåtgärder, förstärkande systemintegritet mot vanliga hot som kortslutningar och överhettning.Genom dessa funktioner skapar många en harmonisk blandning av innovation och pålitlighet, drivande produktprestanda och livslängd.
|
Typ |
Parameter |
|
Livscykelstatus |
Aktiv (senast uppdaterad: 7 månader sedan) |
|
Kontaktplätning |
Tenn |
|
Monteringstyp |
Genom hålet |
|
Antal stift |
3 |
|
Tillverkarpaketidentifierare |
0015988_typea_rev_t |
|
Förpackning |
Rör |
|
JESD-609 kod |
e3 |
|
Fuktkänslighetsnivå (MSL) |
1 (obegränsad) |
|
ECCN -kod |
Örat99 |
|
Antal funktioner |
1 |
|
Basdelnummer |
Lm317 |
|
Antal utgångar |
1 |
|
Utspänning |
37V |
|
Fabriksledning |
24 veckor |
|
Montera |
Genom hålet |
|
Förpackning / fodral |
TO-220-3 |
|
Vikt |
2.299807G
|
|
Driftstemperatur |
0 ° C ~ 125 ° C |
|
Tolerans |
5% |
|
Delstatus |
Aktiv |
|
Antal avslutningar |
3 |
|
Terminalposition |
ENDA |
|
Terminalhöjd |
2,54 mm |
|
Räkning |
3 |
|
Spänning - ingång (max) |
40V |
|
Utgångstyp |
Justerbar |
|
Max utgångsström |
1.5A |
|
Max utgångsspänning |
37V |
|
Min ingångsspänning |
4.2V |
|
PSRR |
80dB ~ 85dB (120Hz) |
|
Minutspänning |
1.2V |
|
Höjd |
9,15 mm |
|
Bredd |
4,6 mm |
|
Strålning härdning |
Inga |
|
Blyfri |
Blyfri |
|
Utgångskonfiguration |
Positiv |
|
Antal tillsynsmyndigheter |
1 |
|
Skyddsfunktioner |
Över ström, över temperaturen |
|
Referensspänning |
1.25V |
|
Strömförsörjningsförhållanden (PSRR) |
80dB |
|
Längd |
10.4 mm |
|
Nå SVHC |
Ingen SVHC |
|
ROHS -status |
ROHS3 -kompatibel |

|
Artikelnummer |
Beskrivning |
Tillverkare |
|
LM317KC |
3/4 stift 1.5A Justerbar positiv spänningsregulator
3-till-220 0 till 125 |
Texas instrument |
|
LM317T#PBF |
IC VRG 1.2 V-37 V Justerbar positiv regulator, PSFM3,
Plast, TO-220, 3-stift, justerbar positiv enkel utgångsstandardregulator |
Linjär teknik |
|
LM317T/NOPB |
IC VRG 1.2 V-37 V Justerbar positiv regulator, PSFM3,
ROHS-kompatibla, plast, till-220, 3-stift, justerbar positiv enstaka utgång
Regulator |
National Semiconductor Corporation |
|
LM317T2 |
1.2 V-37V Justerbar positiv regulator, PSFM3, plast,
TO-220, 3 stift |
På halvledare |
Ytterligare LM317T -ekvivalenter inkluderar:Lm317emp,Lm317aemp,Lm317lidr, Lm317lmxoch andra.
LM317 finner omfattande användning i applikationer med variabel spänningsströmförsörjning på grund av dess förmåga att justera utspänningsnivåerna.I utbildningsmiljöer och elektroniklaboratorier stöder det utveckling och testning av olika kretsar.Med ett flexibelt utgångsområde från 1,25V till 37V, njut av ett brett spektrum av möjligheter.
För applikationer som kräver aktuell begränsning ger LM317 ett effektivt och enkelt tillvägagångssätt.Denna karakteristik visar sig vara fördelaktig i batteriladdare och krafthanteringssystem där skydd mot överström behövs.Genom att sätta in ett motstånd i serie med utgången säkerställer regulatorn att strömmen upprätthålls inom säkra gränser, vilket bevarar både strömkällan och anslutna enheter.En sådan metod ökar anmärkningsvärt livslängd och pålitlighet.
Anpassningsförmågan hos LM317 utvidgar sin användbarhet till motorstyrenheter, där den reglerar spänning för DC -motorer i robotik- och automatiseringsinställningar, och erbjuder exakt kontroll av motorhastighet.Denna regulator underlättar smidiga övergångar i acceleration och retardation, som särskilt används för applikationer som kräver exakta rörelser, till exempel i robotarmar eller CNC -maskiner.Dess effektivitet i att tillhandahålla stabil motorisk funktion under förändrade belastningsförhållanden betonar dess praktiska i olika industriella scenarier.
Trots sina robusta funktioner kräver LM317: s 2.5V -bortfallspänning noggrann utvärdering.Denna aspekt påverkar potentiellt dess tillämpning i lågspänningsscenarier där input-to-output-skillnaden måste vara minimal.Du måste verifiera att ingångsspänningen överträffar den önskade utgången med åtminstone detta bortfallsvärde för att säkerställa effektiv drift.I de fall där bortfallsspänning kan begränsa funktionaliteten, med tanke på alternativa regulatorer med låg dropout (LDO) kan vara mer lämpliga och balansera tekniska nödvändigheter med kreativa lösningar.
LM317 finner utbredd användning över olika konsumentelektronik som PCS och DVD -spelare.Dess tillförlitlighet och enkelhet förtjusar den till kraftregleringsuppgifter, som sträcker sig från att leverera kraft till logikkretsar till stabiliserande spänning för känsliga komponenter.Denna mångsidighet belyser LM317: s roll i att öka enhetens prestanda och tillförlitlighet, vilket bidrar till hushållens enhets oavbruten funktion.
LM317: s justerbara utgångsförmåga gör det möjligt att upprätthålla konsekvent spänningsutgång trots fluktuationer i ingångsspänning eller belastningsförhållanden, vilket säkerställer känsliga elektroniska enheter fungerar pålitligt.Spänningsreglering spelar en roll i applikationer som batteriladdare och bärbara enheter.En stabil spänningsnivå kan förlänga batteriets livslängd och förbättra enhetens prestanda.
Aktuell begränsning är nyckeln till att förhindra överströmsförhållanden som kan skada kretskomponenter.Genom att automatiskt justera för att hantera strömflödet fungerar det som en effektiv sköld mot oavsiktliga scenarier med hög ström.I praktiska miljöer krävs det i kretsar som innehåller olika komponenter med olika nuvarande betyg, upprätthållande av säker och optimal drift utan överhettning eller misslyckande.
Polaritetsskydd behandlar vanliga problem som felaktiga strömförsörjningsanslutningar som ofta stöter på under produktprototyper eller rutinjusteringar.Kretsdesign och underhåll visar värdet av polaritetsskydd för att säkerställa långsiktig hållbarhet och pålitlig prestanda under olika operativa omständigheter.

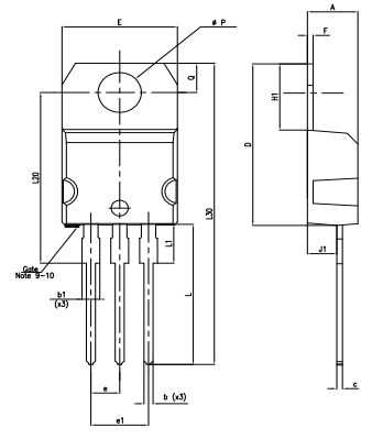
TO-220 (enkelmätare) paketinformation

TO-220 (enkelmätare) mekaniska data
Stmicroelectronics står framträdande inom halvledarindustrin och berikar utvecklingen och kreativiteten hos systemet på ChIP (SOC) -teknologi.Företagets påverkan sträcker sig över olika mikroelektronikapplikationer, påverkar globala industrier och främjar blandningen av olika tekniker.Stmicroelectronics är känd för sina framsteg inom SOC -lösningar och slår samman olika funktioner på ett enda chip.Denna integration syftar till att förbättra prestanda, sänka kraftanvändningen och krympa systemets totala storlek.Stmikroelektronikens engagemang för innovation driver sin utforskning av nya områden inom mikroelektronik, vilket uppmuntrar till en pågående utveckling av förmågor.Deras forsknings- och utvecklingsinitiativ syftar inte bara till att förbättra aktuell teknik utan också att formulera nya modeller som hanterar moderna frågor som hållbar utveckling och energibesparing.
Skicka en förfrågan, vi svarar omedelbart.
Till skillnad från LM337 erbjuder LM317 en justerbar utgång som fängslar många inom elektronikområdet.Det förenklar kretskonstruktionen samtidigt som regleringsegenskaperna förbättras, som överklagar till pålitliga lösningar för krafthantering.Dess anpassningsförmåga gör det ofta till ett föredraget val i anpassade kraftförsörjningar, värderat för sin pålitliga prestanda.
LM317: s förmåga att tillhandahålla variabla spänningsutgångar är mycket värderad.Det används ofta i applikationer med specifika kraft-, input- och lastkrav.Dessa komplicerade krav uppfylls ofta i både industriella miljöer och DIY -projekt där precisionspänningskontroll krävs för att uppnå önskade resultat effektivt.
Även om det ibland missförstås som en triode, fungerar LM317 som en justerbar anodspänningsregulator.Detta speciella fokus på spänningsreglering är viktig i olika applikationer, som laboratoriekraftförsörjning eller batteriladdare, där stadig utgång under fluktuerande ingångsförhållanden behövs.
LM317T skiljer sig själv genom att hysas i ett TO-220 plastpaket, vilket ger funktioner som förbättrad hållbarhet och enklare montering.Dessa egenskaper blir i situationer där hantering av värme effektivt och bevarar utrymme är absolut nödvändigt, vilket gör denna variant populär i scenarier som kräver effektiv termisk prestanda.
Medan den fasta utgången från LM78XX -serien står i kontrast till LM317: s justerbara reglering, lyser den senare flexibiliteten i kretsar som behöver anpassa sig till skiftande spänningsbehov.Sådan anpassningsförmåga visar sig vara användbar vid utformning av system som svarar bra på experimentella eller dynamiska tekniska miljöer, vilket erbjuder tydliga fördelar över dess fasta motsvarigheter.
på 2024/11/19
på 2024/11/19
på 8000/04/18 147778
på 2000/04/18 112029
på 1600/04/18 111351
på 0400/04/18 83786
på 1970/01/1 79584
på 1970/01/1 66972
på 1970/01/1 63108
på 1970/01/1 63041
på 1970/01/1 54097
på 1970/01/1 52194