
De MPC8245LZU300D Från NXP USA Inc. är en högpresterande integrerad processor baserad på PowerPC 603E Core, optimerad för inbäddade applikationer som kräver effektiva kostnader, utrymme och krafthantering.Denna variant fungerar med en kärnhastighet på 300 MHz och stöder upp till 2 GB SDRAM, vilket gör den lämplig för krävande applikationer.Den har ett 32-bitars PCI-gränssnitt som kan 66 MHz, vilket förbättrar dess kompatibilitet med en mängd olika PCI-kringutrustning.Integrerade funktionaliteter inkluderar dubbla universella asynkrona mottagare-transmittorer (DuArts), en I²C-styrenhet och en tvåkanals DMA-kontroller, bland andra, som bidrar till dess mångsidighet i hantering av komplexa bearbetningsuppgifter effektivt.Förpackad i en 352-ball-bandkulan med TBGA (TBGA) -konfiguration, MPC8245LZU300D säkerställer ett kompakt fotavtryck med robust prestanda i temperaturer som sträcker sig från 0 ° C till 105 ° C.
Om du vill göra en bulkorder för MPC8245LZU300D, kan du överväga att köpa från oss.Vi kommer att se till att du får det bästa erbjudandet och kan fullt ut utnyttja denna kraftfulla processor för dina kommande projekt.
SuperScalar Architecture:Gör det möjligt för processorn att utföra flera instruktioner per klockcykel, vilket ökar kärnans effektivitet och hastighet.
Integrerade cachar:Har 16 kB instruktionscache och 16 kb datacache, som kan vara delvis eller helt låst.Detta hjälper till att minimera den tid det tar att komma åt ofta använda data, påskynda behandlingen.
Dynamisk krafthantering:Inkluderar krafthanteringslägen som NAP, DOZE och Sleep, som hjälper till att minska strömförbrukningen baserat på processorns operativa krav.
SDRAM -stöd:Kan hantera upp till 2 GB SDRAM över en 32- eller 64-bitars databuss.Det stöder flera konfigurationer, tillmötesgående olika storlekar och typer av minnesbanker.
Felkorrigering:Använder mekanismer som skrivbuffring för PCI- och processoråtkomst, med stöd för dataintegritetstekniker som paritet, läsmodifiering-skrivoperationer eller ECC (felkorrigeringskod).
Mångsidig ROM- och I/O -gränssnitt:Stöder olika typer av ROM- och flashminne och erbjuder flera allmänna I/O-portar, vilket gör det anpassningsbart till olika systemarkitekturer.
32-bitars PCI-buss:Fungerar med hastigheter upp till 66 MHz och överensstämmer med PCI 2.2 -standarder.Det kan också gränssnitt med en rad PCI-kringutrustning tack vare dess 5,0-V-tolerans.
Stöd med dubbla kanaler:Har en två-kanals DMA-styrenhet som stöder direkta och kedjande lägen, som kan automatisera och länka dataöverföringar för effektivare datahantering.
Spridare-Gather-kapacitet:Underlättar operationer som involverar läsning från eller skriver till icke-kontinuerliga minnesavsnitt, utrustade med en överföringskö och flera avbrottsalternativ för att hantera dataöverföringar effektivt.
Kommunikationsgränssnitt:Inkluderar två Uarts för seriekommunikation och en I²C -styrenhet som stöder både master- och slavlägen, vilket möjliggör olika kommunikationsbehov.
Programmerbar avbrottskontroller:Ger robust hantering av hårdvara och serieavbrott, vilket förbättrar systemets lyhördhet och kontroll.
Timers och klockgenerering:Inkorporerar fyra programmerbara timers och inbyggda mekanismer för att generera klockor för PCI-bussen och SDRAM, vilket säkerställer korrekt tidpunkt och synkronisering över olika systemkomponenter.

De MPC8245LZU300D blockdiagram Visar hur processorn och kringutrustning interagerar.Den har två huvudsektioner: Processorens kärnblock och Perifert logikblock.Processor Core Block hanterar beräkningar.Den inkluderar Grenbehandlingsenhet (BPU), Heltalsenhet (IU), Flytande punktenhet (FPU)och Load/Store Unit (LSU).Instruktioner hämtas, bearbetas och utföras effektivt med hjälp av 16-Kbyte data och instruktionscachar.De Minneshanteringsenheter (MMUS) Hantera minnesåtkomst.De Perifert logikblock Ansluter processorn till externa enheter.Den innehåller en DMA -styrenhet för snabba minnesöverföringar, en I²C -styrenhet för kommunikation och a Meddelandeenhet För ingångs-/utgångsoperationer.De PCI -bussgränssnitt Stöder en 32-bitars PCI-anslutning för expansion.En Minneskontroll hanterar systemminnet, inklusive Sdram Synkroniseringsklockor.För systemkontroll har den en Pic Interrupt Controller som hanterar avbrott från olika källor.De Dataväg ECC -styrenhet säkerställer dataintegritet, stödjer 32-bitars eller 64-bitars databussar med paritet eller ECC (felkorrigeringskod).Klocksignaler som Osc_in och Pci_sync_in Håll allt synkroniserat för smidig drift.

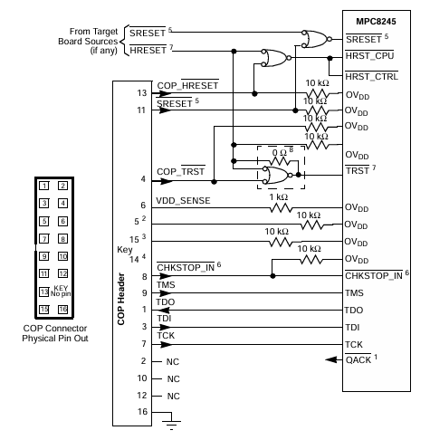
De Cop -anslutningsdiagram För MPC8245LZU300D visar felsöknings- och återställningsgränssnittet som används för testning och felsökning av processorn.De 16-stifts polishuvud ansluter processorn till extern JTAG/COP felsökningsverktyg.Nyckelsignaler inkluderar Sreset, Hresetoch Cop_hreset, som styrsystemet återställer.De Hrst_ctrl Ingången hjälper till att samordna återställningar med logikgrindar.De Cop_trst återställer den Jtag Testlogik.JTAG -signalerna: Tms, Tdo, Tdioch Tck används för gränsscanning och felsökning i krets.De Chkstop_in signalkontrollprocessorklockning under felsökning, medan Vdd_sense övervakar systemspänningen.Pull-up och pull-down-motstånd (10 kΩ, 1 kΩ) hjälper till att stabilisera signaler.De Kacka Signal hjälper till med felsökningskoordination.De Cop -kontakt Följer Standard JTAG Pinout, vilket gör det enkelt att ansluta till felsökningsverktyg.
|
Typ |
Parameter |
|
Tillverkare |
NXP USA Inc. |
|
Serie |
Mpc82xx |
|
Förpackning |
Bricka |
|
Delstatus |
Föråldrad |
|
Grundprocessor |
Powerpc 603e |
|
Antal kärnor/bussbredd |
1 kärna, 32-bitars |
|
Hastighet |
300MHz |
|
Ramkontroller |
Sdram |
|
Grafikacceleration |
Inga |
|
Spänning - I/O |
3.3V |
|
Driftstemperatur |
0 ° C ~ 105 ° C (TA) |
|
Monteringstyp |
Ytfäste |
|
Förpackning / fodral |
352-lbga |
|
Leverantörspaket |
352-TBGA (35x35) |
|
Ytterligare gränssnitt |
I2c, i²o, pci, uart |
|
Basproduktnummer |
Mpc82 |
Nätverksutrustning
MPC8245LZU300D är idealiskt lämpad för nätverksenheter som routrar, switchar och nätverksgränssnittskort.Dess robusta PCI-gränssnitt och integrerade kommunikationsutrustning möjliggör höghastighetsdataöverföringar och effektiv hantering av flera kommunikationsprotokoll.Denna kapacitet förbättrar prestandan och tillförlitligheten i nätverksoperationer.
Industriautomation
I den industriella automatiseringen spelar denna processor en roll i drivande system som programmerbara logikstyrenheter (PLC), maskingränssnitt (HMIS) och andra automatiseringsmaskiner.Processorns förmåga att hantera kontroll- och övervakningsuppgifter gör det till en viktig komponent i moderna industriella miljöer, vilket säkerställer exakt och effektiv processhantering.
Lagringslösningar
Det avancerade minnesgränssnittet och DMA-kapaciteten för MPC8245LZU300D gör det till ett utmärkt val för lagringsrelaterade applikationer, inklusive RAID-kontroller och lagringsområdenätverk (SAN).Det utmärker sig vid hantering av höghastighetsdatatillgång och effektiv lagringshantering, som är bra i miljöer där dataintegritet och snabb åtkomst är prioriteringar.
Telekommunikation
Denna mikroprocessor är väl lämpad för användning i telekommunikationsutrustning, såsom basstationer och gateways.Dess förmåga att effektivt hantera flera dataströmmar och stödja olika kommunikationsprotokoll hjälper till att förbättra den övergripande funktionaliteten och tillförlitligheten för telekommunikationsinfrastruktur.
Inbäddade system
MPC8245LZU300D: s mångsidiga integrationsfunktioner gör det till en främsta kandidat för inbäddade system som finns inom fordonselektronik, elektronik och medicinsk utrustning.Dess utbud av integrerade kringutrustning och gränssnitt möjliggör utformning av specialiserade, högpresterande inbäddade lösningar skräddarsydda för att tillgodose de specifika behoven i dessa branscher.
Integrerad System-on-Chip (SOC) design
MPC8245LZU300D kombinerar processorkärnan, minneskontrollerna och kringutrustning till ett enda chip.Denna SOC -strategi förenklar systemarkitekturen, minimerar behovet av externa komponenter och kan leda till kostnadsminskningar i både utvecklings- och produktionsfaser.
Högpresterande bearbetning
Processorn arbetar med en frekvens av 300 MHz och använder en superscalar arkitektur, vilket gör att den kan utföra flera instruktioner per klockcykel.Denna högpresterande bearbetningsförmåga säkerställer effektiv drift och är överlägsen processorer som inte stöder sådan parallellism, vilket gör den idealisk för krävande applikationer.
Mångsidigt minnesstöd
Denna processor stöder upp till 2 GB SDRAM och har ett avancerat minnesgränssnitt som innehåller felkorrigering och mångsidig ROM- och I/O -gränssnitt.Denna nivå av minnesstöd ger flexibilitet, vilket gör att systemet kan anpassa minneskonfigurationen för att tillgodose specifika applikationsbehov, en fördel jämfört med mer styva system.
Omfattande perifer integration
MPC8245LZU300D innehåller integrerade kommunikationsgränssnitt såsom Uarts och en I²C -styrenhet, samt programmerbara timers och avbrottskontroller.Denna omfattande perifera integration minskar behovet av ytterligare externa komponenter, vilket förenklar den övergripande designen och förbättrar systemets tillförlitlighet genom att minska de potentiella punkterna för fel.
Låg effektförbrukning
Processorn kan med dynamisk krafthantering med lägen som NAP, Doze och Sleep och kan optimera sin kraftanvändning baserat på nuvarande krav på arbetsbelastning.Denna kapacitet används i applikationer där effekteffektivitet behövs, vilket ger en fördel över andra processorer som saknar så detaljerad kraftkontroll.
|
Parameter |
Dimension (mm) |
|
Paketöversikt |
35 mm × 35 mm |
|
Sammankoppling |
352 |
|
Tonhöjd |
1,27 mm |
|
Lödbollar |
Zu (TBGA -paket) —62 SN/36 PB/2 AG;VV (blyfri version
av paketet) —95,5 SN/4.0 AG/0,5 CU |
|
Lödkuldiameter |
0,75 mm |
|
Maximal modulhöjd |
1,65 mm |
|
Samplanaritetsspecifikation |
0,15 mm |
|
Maximal kraft |
6,0 kg.Totalt, enhetligt distribuerat över paket (8
gram/boll) |

MPC8245LZU300D -mikroprocessorn är en produkt av NXP USA Inc., ett dotterbolag till NXP -halvledare.NXP Semiconductors, som kom ut från Philips Semiconductors, har sin amerikanska verksamhet med huvudkontor i Austin, Texas.Denna processor, en del av deras bredare portfölj, integrerar tekniker optimerade för prestanda och låg kraftförbrukning, vilket gör den lämplig för en mängd inbäddade applikationer.Även om MPC8245LZU300D har markerats som föråldrat, fortsätter NXP USA Inc. att stödja sina äldre produkter samtidigt som de driver gränserna i områden som fordon, industri och IoT genom nya halvledarlösningar.
MPC8245LZU300D är en stark och pålitlig processor byggd för krävande applikationer.Med sin snabba bearbetning, inbyggda kommunikationsfunktioner och smarta kraftbesparande lägen hjälper det systemen att köra smidigt och effektivt.Även om det nu är föråldrat är det fortfarande användbart i många nätverks-, industri- och telekomprojekt.Dess förmåga att hantera flera uppgifter samtidigt som du sparar kraft gör det till ett värdefullt val som letar efter en pålitlig inbäddad processor.
Skicka en förfrågan, vi svarar omedelbart.
Ja, MPC8245LZU300D är byggd med en superscalar arkitektur, vilket gör att den kan utföra flera instruktioner per klockcykel.Den innehåller en två-kanals DMA-styrenhet som kan hantera dataöverföringar oberoende av CPU, vilket förbättrar multitaskingfunktioner.Detta gör det till ett utmärkt val för applikationer och inbäddade system som kräver parallell databehandling.
Processorn stöder upp till 2 GB SDRAM med en 32- eller 64-bitars databuss.Det inkluderar också felkorrigeringsfunktioner som paritetskontroll och ECC (felkorrigeringskod), vilket säkerställer dataintegritet i applikationer som lagringslösningar, telekomutrustning och industriell automatisering.
Ja, MPC8245LZU300D har dynamisk krafthantering med flera lägen (NAP, DOZE och Sleep) som justerar strömförbrukningen baserat på systemarbetsbelastning.Detta gör det energieffektivt och lämpligt för batteridrivna eller lågeffekt inbäddade system.
MPC8245LZU300D fungerar inom ett temperaturområde från 0 ° C till 105 ° C, vilket gör den lämplig för industriella och inbäddade miljöer som kräver robust prestanda under varierande termiska förhållanden.
Ja, MPC8245LZU300D är idealisk för nätverksapplikationer som routrar, switchar och nätverksgränssnittskort (NIC).Dess höghastighets-PCI-gränssnitt, integrerad DMA-styrenhet och stöd för kommunikationsprotokoll gör det väl lämpat för att hantera dataintensiva nätverksuppgifter effektivt.
på 2025/03/14
på 2025/03/13
på 8000/04/18 147757
på 2000/04/18 111937
på 1600/04/18 111349
på 0400/04/18 83721
på 1970/01/1 79508
på 1970/01/1 66913
på 1970/01/1 63048
på 1970/01/1 63012
på 1970/01/1 54081
på 1970/01/1 52130