
Fast Fourier Transform (FFT) är en grundalgoritm i digital signalbehandling, vilket möjliggör effektiv omvandling av data mellan tids- och frekvensdomäner.Introducerad av Cooley och Tukey 1965 revolutionerade den beräkningsmatematik genom att minska komplexiteten i den diskreta Fourier -transformen (DFT) från N2 operationer till 𝑁 log 𝑁.FFT uppnår denna effektivitet genom att dela upp stora sekvenser i mindre undersekvenser, bearbeta dem rekursivt och utnyttja symmetrin och periodiciteten hos sinusformade vågformer.Vanligt använda nedbrytningsstrategier som Radix-2 och Radix-4 möjliggör strömlinjeformade beräkningar, vilket gör FFT praktiskt för applikationer som ljudbehandling, telekommunikation och bildanalys.Förutom att beräkna DFT: er är FFT bra för uppgifter som omvända transformer, upplösning och korrelation, vilket slår en perfekt balans mellan matematisk teori och beräkningspraxis.Med tiden har refinements i Radix -metoder och hybridmetoder ytterligare optimerat dess prestanda och cementerat FFT som ett viktigt verktyg inom modern teknik.
Fast Fourier Transform (FFT) revolutionerar hur den diskreta Fourier -transformen (DFT) beräknas genom att bryta den till mindre, effektiva segment, utnyttja egenskaper som periodicitet och symmetri för att eliminera redundanta beräkningar.Innovationer som Winograd Fourier Transform-algoritmen (WFTA) och den primära faktoralgoritmen förbättrar ytterligare effektiviteten, särskilt vid hanteringssekvenser med specifika längder eller priminjantalter.Dessa avancerade algoritmer har djupa praktiska tillämpningar, från att påskynda tids digital signalbehandling till optimering av resursanvändning i komplex dataanalys.Utöver tekniska vinster fördjupar FFT och dess derivat vår förståelse för matematiska och beräkningsprinciper, vilket visar elegansen att lösa komplexa problem genom systematisk förenkling.
FFT -algoritmer klassificeras baserat på deras användning av exponentiella faktorer.Varje typ har unika applikationer och beräkningstekniker.
Cooley-Tukey-algoritmen är en kraftfull teknik som utmärker sig vid fakturering av kompositantal i hanterbara komponenter.Genom att förlita sig på modulär sönderdelning förbättrar det beräkningsprestanda.Den här metoden optimerar beräkningar genom att bryta problem iterativt, vilket gör dem enklare att lösa.Dess tillvägagångssätt är jämförbar med modulär design inom teknik, eftersom det förenklar komplexa system för att förbättra felhantering och effektivitet.

Radix-2-algoritmen är ett speciellt fall av Cooley-Tukey-metoden, speciellt utformad för datalängder som är krafter på två.Det fungerar genom att dela in ingången i två sammanflätade segment, vilket möjliggör effektiv balansering av operationer.En nyckelstyrka i detta tillvägagångssätt är dess enkelhet och tillförlitlighet, som har gjort den allmänt använt.Denna algoritm är idealisk för datasätt med längder i form av 2𝑛.

Split-Radix- och blandad-strålningsalgoritmerna är utformade för att hantera ingångsstorlekar som inte är begränsade till krafter på två.Split-Radix-algoritmen kombinerar element i Radix-2- och Radix-4-metoder för att förbättra beräkningseffektiviteten, medan den blandade-radix-algoritmen anpassar sig till icke-kraft-av-två-datalängder genom att flexibelt ta in ingångsstorleken.En nyckelstyrka för dessa algoritmer är deras mångsidighet och effektivitet, vilket gör dem väl lämpade för bearbetning av data med godtyckliga längder.Genom att justera faktoriseringstekniker upprätthåller de hög beräkningshastighet oavsett ingångsstorlek.

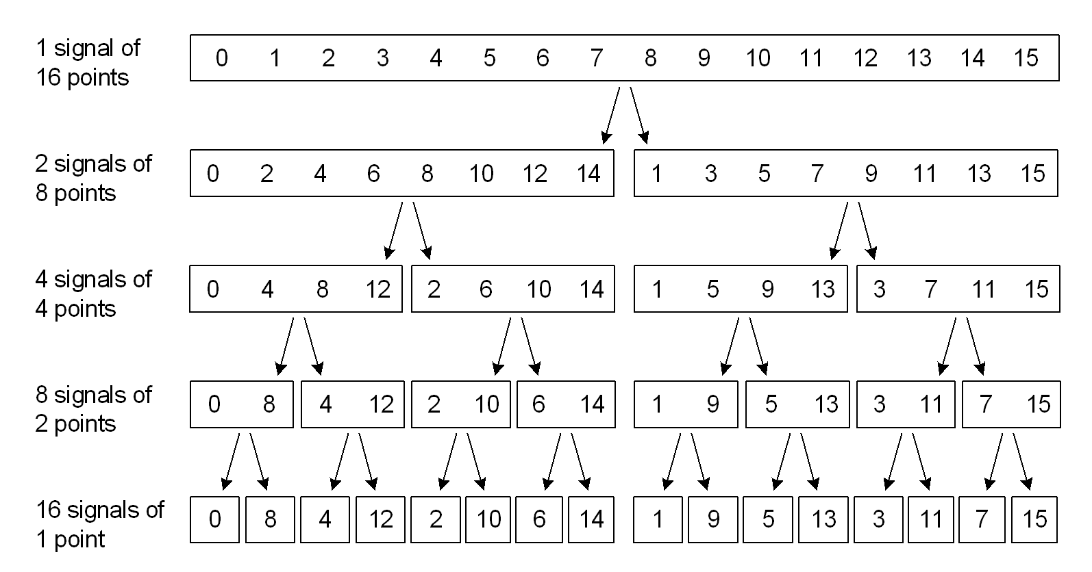
Att förstå FFT (Fast Fourier Transform) involverar att undersöka både tids- och frekvensdomäner i detalj.I tidsdomänen delas data upp i jämna och udda delar för att förenkla behandlingen.Denna metod, i kombination med den "fjäril" -algoritmen, hjälper till att organisera beräkningar och gör processen effektiv genom att hålla allt på plats under beräkningar.
Tidsdomännedbrytning: Att bryta data i mindre delar i tidsdomänen gör FFT lättare att förstå och effektivare.Varje steg avslöjar mer detaljer om sekvensen, liknande att lösa ett stort problem genom att dela upp det i mindre, hanterbara uppgifter.Denna steg-för-steg-strategi förbättrar både bearbetningshastighet och förståelse.
Börjar med frekvensdomänen: Från frekvensdomänen erbjuder ett annat sätt att bearbeta FFT.Detta tillvägagångssätt fungerar bra när frekvensdata är fokus och distribuerar arbetet jämnare.Det visar hur algoritmer kan anpassa sig till olika datastrukturer och behov.
"Butterfly" -algoritmen: "Butterfly" -algoritmen är nyckeln till FFT, förenkla och visualisera hur data transformeras.Det kartlägger dataflödet vid varje steg, vilket gör det lättare att förstå komplexa beräkningar, ungefär som en väldragen karta som förenklar navigering.
Synkroniseringsresultat: Att hålla mellanliggande och slutliga resultat i linje med FFT: s bearbetning på plats säkerställer noggrannhet och effektivitet.Denna samordning minskar fel, resurser klokt och upprätthåller precision i olika applikationer.
FFT: s anmärkningsvärda kapacitet för att effektivisera diskreta Fourier -omvandlingar möjliggör tidssignalbehandling.I kommunikationssystem används den snabba förändringen mellan tids- och frekvensdomäner för att effektivt hantera olika datatyper.Denna omvandling drivs av FFT, som minimerar beräkningskraven, uppnår lägre latens och förbättrad genomströmning, till och med mitt i komplikationerna i moderna nätverk.
FFT är avgörande för ljudsignalbehandling genom att förfina ljudkvaliteten, minska brus och modulera effekter.Utöver traditionella ljuduppgifter påverkar det nu uppslukande hörselupplevelser som 3D -ljudmodellering och tidsljudåtergivning.Använd de högfilitetsspektrala data som erbjuds av FFT för att skapa rikt detaljerade ljudlandskap, som ekar de känslor som är inbäddade i deras konst.
För radarsystem är signalomvandlingseffektivitet central för att upptäcka, analysera och reagera på olika ingångar.FFT förvandlar rådata till tillgänglig statistik, vilket underlättar snabbt beslutsfattande i sammanhang som militär-, luftfarts- och maritim verksamhet.Andra är beroende av FFT: s excellens för att upprätthålla tillförlitligheten och noggrannheten i dessa applikationer.
Spektrumanalys förbättras kraftigt av FFT: s noggrannhet och snabbhet.Det förenklar intrikata signaler i enskilda frekvenser, vilket hjälper till att förstå signalbeteende och interaktion och därmed främja banbrytande digitala signalbehandlingssystem.Denna applikation är fördelaktig inom många områden, inklusive trådlös kommunikation och elektronik, där en tydlig signaltolkning tilltalar vår inneboende strävan efter förståelse.
Skicka en förfrågan, vi svarar omedelbart.
på 2024/12/29
på 2024/12/29
på 8000/04/18 147757
på 2000/04/18 111937
på 1600/04/18 111349
på 0400/04/18 83721
på 1970/01/1 79508
på 1970/01/1 66913
på 1970/01/1 63053
på 1970/01/1 63012
på 1970/01/1 54081
på 1970/01/1 52130