
LFSC3GA25E-7F900C är en programmerbar logikenhet utformad för att stödja konfigurerbara digitala funktioner i inbyggda elektroniska system.Enheten innehåller en rutnätsbaserad logikstruktur med tusentals programmerbara element, interna minnesresurser och många in- och utgångsanslutningar för extern kommunikation.Dess arkitektur gör att digitala kretsar, styrvägar och signalbehandlingsuppgifter kan implementeras inom ett enda chip.Integrerade routingnätverk kopplar ihop logikblock och minnessektioner så att data kan flyttas genom enheten på ett strukturerat sätt.Driften stöds av ett lågt kärntillförselområde och ett paket med högt antal stift som är lämpligt för täta kortlayouter.
Letar efter LFSC3GA25E-7F900C.Kontakta oss för att kontrollera aktuellt lager, ledtid och pris.

In- och utgångsbankarrangemang som används i LFSC3GA25E-7F900C FPGA som visar hur enheten organiserar sina programmerbara I O-resurser i flera spänningskontrollerade regioner.Åtta banker är fördelade runt enhetens omkrets och varje bank inkluderar grupperade anslutningar för VCCIO-matning, referensspänningsingångar märkta VREF, termineringsspänningsstift märkta VTT och jord.Denna struktur gör att varje bank kan arbeta med oberoende elektriska förhållanden så att olika signalstandarder kan stödjas på separata sidor av enheten.SERDES-gränssnittsblock visas nära de övre bankerna för att stödja höghastighetsseriella kommunikationskanaler anslutna till närliggande I O-regioner.Layouten identifierar också delade referensstift och strömanslutningar som definierar hur externa signaler interagerar med den interna programmerbara logiken genom den bankade I O-strukturen.



Enheten integrerar cirka tjugofem tusen programmerbara logikelement arrangerade i ett organiserat rutnät.Dessa logiska celler kan konfigureras för att implementera digitala styrvägar, kombinationslogik och aritmetiska operationer inom inbyggda system.
Interna minnesresurser ger mer än en megabit lagringskapacitet för att buffra data och stödja logiska operationer.Dessa minnesblock är fördelade över hela enheten så att logiska kretsar kan komma åt data lokalt utan långa routingvägar.
Upp till trehundrasjuttioåtta in- och utgångsanslutningar gör att enheten kan interagera med sensorer, kommunikationsgränssnitt och andra digitala komponenter.Stiftstrukturen stöder flera elektriska standarder över oberoende I O-banker.
Interna klockhanteringsblock hjälper till att distribuera timingsignaler över den programmerbara logikstrukturen.Dessa resurser upprätthåller synkroniserad signaltid så att digitala operationer sker i en ordnad och förutsägbar sekvens.
Dedikerade seriella gränssnittsblock stöder höghastighetskommunikationskanaler för dataöverföring mellan systemmoduler.Dessa block ansluter till närliggande I O-banker och hjälper till att upprätthålla stabil signalöverföring i dataintensiva konstruktioner.
Specialiserade interna bearbetningsblock utökar logikväven och gör det möjligt för designers att implementera upprepade digitala strukturer mer effektivt.Detta arrangemang stöder uppgifter som pakethantering, kontrollsekvensering och parallella dataoperationer.
Ett strukturerat routingnätverk länkar logiska celler, minnesblock och gränssnittsstift.Signaler kan färdas genom nätverket längs flera vägar, vilket gör att designers kan organisera digitala funktioner på sätt som matchar systemarkitekturen.
Enheten är inrymd i ett stort kulrutnätspaket som stöder tät kortintegration.Denna paketstruktur gör att många elektriska anslutningar kan ordnas i ett kompakt fotavtryck för avancerade elektroniska sammansättningar.
| Produktattribut | Attributvärde |
| Tillverkare | Lattice Semiconductor |
| Spänning - Matning | 0,95V ~ 1,26V |
| Totalt RAM-bitar | 1966080 |
| Leverantörsenhetspaket | 900-FPBGA (31x31) |
| Serie | SC |
| Paket/fodral | 900-BBGA |
| Paket | Bricka |
| Driftstemperatur | 0°C ~ 85°C (TJ) |
| Antal logiska element/celler | 25 000 |
| Antal LAB/CLB | 6250 |
| Antal I/O | 378 |
| Monteringstyp | Ytmontering |
| Basproduktnummer | LFSC3GA25 |
| RoHS-status | RoHS icke-kompatibel |
| Moisture Sensitivity Level (MSL) | 3 (168 timmar) |
| REACH-status | REACH Opåverkad |
| ECCN | 3A991D |
| HTSUS | 8542.39.0001 |

Gridbaserad intern layout av LFSC3GA25E-7F900C FPGA som visar arrangemanget av programmerbar logik, minnesblock, klockresurser och höghastighetsgränssnittsstrukturer.Programmerbara funktionsenheter bildar den centrala logiska strukturen där konfigurerbara digitala kretsar implementeras.Distribuerade sysMEM inbäddade block RAM-sektioner tillhandahåller intern datalagring och buffring inom logikmatrisen.Programmerbara I O-celler placerade längs enhetens kanter ansluter intern logik till externa stift, där varje programmerbart I O-kluster innehåller flera programmerbara I O-anslutningar.Quad SERDES-block och fysiska kodande underskiktsgränssnitt visas nära de översta regionerna för att stödja seriell höghastighetskommunikation.Strukturerade ASIC-block märkta MACO är integrerade i logikväven för att stödja specialiserade bearbetningsstrukturer.Klockhanteringsresurser märkta sysCLOCK analoga PLL:er och sysCLOCK DLL:er placeras i kanterna av layouten för att generera och distribuera tidssignaler över den programmerbara arkitekturen.

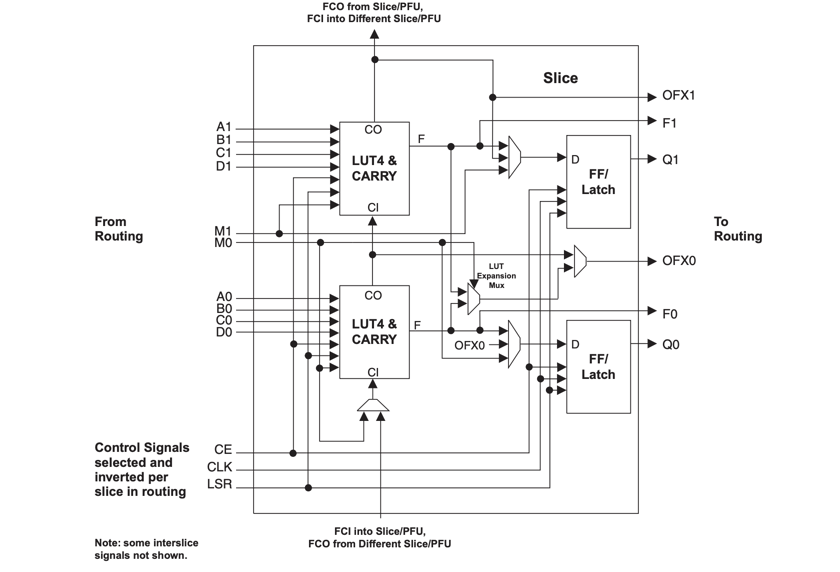
Intern struktur för en logisk del som används inom den programmerbara funktionsenheten i LFSC3GA25E-7F900C FPGA.Två LUT4-block utför kombinationslogikoperationer med hjälp av fyra insignaler märkta A, B, C och D. Integrerad bärlogik stöder aritmetiska operationer genom att länka bäringångs- och bärutgångssignaler mellan intilliggande skivor.Vipp- eller låselement lagrar utdata från logiksteget, och producerar registrerade utgångar märkta Q0 och Q1.Styringångar såsom klocka, klocka aktivering och inställnings- eller återställningssignaler reglerar sekventiell drift av lagringselementen.Routinganslutningar på vänster och höger kant länkar skivan till det omgivande programmerbara sammankopplingsnätverket, vilket gör att signaler kan komma in från routingresurser och returnera bearbetade utdata tillbaka till routingstrukturen.
Programmerbara logiska resurser gör att enheten kan hantera tidssekvenser, signaldirigering och digitala kontrolluppgifter i automatiserad utrustning.Den kan koordinera flera sensorer och ställdon samtidigt som den upprätthåller en stabil digital bearbetning i styrsystemet.
Kommunikationsutrustning kräver ofta flexibel digital bearbetning för datahantering och gränssnittskontroll.Enheten kan behandla inkommande dataströmmar, organisera routinglogik och stödja kommunikationslänkar inom nätverkshårdvara.
Inbyggda system använder programmerbar logik för att hantera dataflödet mellan processorer, minne och gränssnittsenheter.Enheten kan implementera anpassade digitala vägar som anpassar systemets beteende till specifika applikationskrav.
Mätsystem samlar ofta in signaler från flera källor samtidigt.Den programmerbara logikstrukturen kan organisera inkommande digitala signaler, anpassa timing och förbereda data för vidare bearbetning eller överföring.
Enheten kan implementera konfigurerbara aritmetiska och logiska operationer som stöder signalbehandlingsfunktioner.Digitala filter, styrslingor och datatransformationsuppgifter kan implementeras direkt i den programmerbara logikstrukturen.
• Stor programmerbar logikkapacitet stöder komplexa digitala funktioner
• Stort antal in- och utgångsanslutningar möjliggör flexibel systemintegration
• Inbyggda minnesblock ger intern datalagring och buffring
• Omkonfigurerbar logikstruktur gör att hårdvarufunktioner kan uppdateras genom designändringar
• Flera I O-banker tillåter olika signalstandarder inom en enhet
• Designprocessen kräver specialiserade utvecklingsverktyg och konfigurationsarbetsflöden
• Enhetens komplexitet kan öka systemdesigntiden under utveckling
• Stor förpackningsstorlek kräver noggrann layout av kretskort
• Strömhantering måste övervägas när många logiska resurser är aktiva
| Artikelnummer | Tillverkare | Nyckelfunktioner | Använd fall/anteckningar |
| LFSC3GA25E-7FFN1020C | Lattice Semiconductor Corporation | FPGA-enhet från SC-familjen som erbjuder cirka 25 000 logiska element, inbyggda minnesresurser och ett stort antal programmerbara I/O-stift.Den använder ett BGA-paket med fin tonhöjd som stöder täta kretslayouter och komplexa digitala konstruktioner. | Används i inbyggda styrsystem, kommunikationsgränssnitt och industriell elektronik där programmerbar hårdvara och hög I/O-anslutning behövs. |
| LFSC3GA25E-7FFA1020C | Lattice Semiconductor Corporation | Programmerbar FPGA med liknande logiska resurser i LFSC3GA25E-serien.Tillhandahåller konfigurerbara logikblock, inbyggt minne och flexibel digital routing som gör det möjligt för designers att implementera anpassade digitala kretsar. | Lämplig för digital signalbehandling, gränssnittsbryggning och programmerbar hårdvarukontroll i inbyggd elektronik och kommunikationssystem. |
| LFSC3GA25E-6FN900C | Lattice Semiconductor Corporation | FPGA-enhet med cirka 25K logiska element och integrerade minnesblock designade för programmerbar digital hårdvara.Paketet tillhandahåller många I/O-anslutningar som stöder komplex systemintegration. | Används ofta i industriella styrsystem, inbyggda datorplattformar och nätverksutrustning som kräver flexibel hårdvarukonfiguration. |
Lattice Semiconductor är ett halvledarföretag som grundades 1983 och har sitt huvudkontor i Hillsboro Oregon i USA.Företaget utvecklar programmerbara logiska enheter och relaterade teknologier som används inom datorer, kommunikation, industriella system och konsumentelektronik.Dess produktlinjer inkluderar fältprogrammerbara gate-arrayer, programmerbara logiska enheter och gränssnittslösningar utformade för att stödja flexibel digital systemdesign.Gitterenheter används i stor utsträckning i inbyggda system där programmerbara hårdvarufunktioner hjälper till att hantera databehandling, styrlogik och signaldirigering inom kompakta elektroniska plattformar.
LFSC3GA25E-7F900C FPGA kombinerar programmerbar logik, inbyggt minne och flexibla ingångsutgångar i en enda enhet.Genom att förstå dess arkitektur kan du se hur digitala logiska funktioner är organiserade och hur signaler färdas över den programmerbara strukturen.Funktioner som konfigurerbara logiska element, routingnätverk och klockhanteringsblock tillåter enheten att stödja många systemdesigner.Dess struktur gör den lämplig för databehandling, styrlogik och kommunikationshårdvara.När du utforskar diagrammen och specifikationerna får du en tydligare bild av hur programmerbar hårdvara stöder anpassningsbara elektroniska system.
All Dev Pkg Mark Change 12/Nov/2018.pdf
Skicka en förfrågan, vi svarar omedelbart.
LFSC3GA25E-7F900C är en fältprogrammerbar gate array, eller FPGA, som gör att digitala logiska kretsar kan konfigureras genom hårdvara programmering.Den innehåller programmerbara logiska block, routingresurser, och minneselement inuti ett enda chip.
Logiska element är små programmerbara enheter inuti FPGA som utföra digitala operationer såsom logiska jämförelser, aritmetik uppgifter och signalbehandling.Tusentals av dessa element samverkar för att skapa anpassade hårdvarufunktioner.
Input output banker grupperar uppsättningar av stift som delar effekt och referens spänningar.Varje bank kan stödja olika elstandarder, vilket tillåter signaler från flera gränssnitt att ansluta till samma enhet.
Inbyggda minnesblock lagrar data inom FPGA så logiska kretsar kan snabbt komma åt information.Dessa block används för buffring data, tillfällig lagring och stödjande signalbehandlingsuppgifter.
Denna FPGA används ofta i kommunikationssystem, industriella styrhårdvara, digital signalbehandlingsutrustning och inbyggd elektroniska plattformar där programmerbar digital logik behövs.
på 2026/03/10
på 2026/03/10
på 8000/04/18 147770
på 2000/04/18 111999
på 1600/04/18 111351
på 0400/04/18 83767
på 1970/01/1 79560
på 1970/01/1 66957
på 1970/01/1 63098
på 1970/01/1 63039
på 1970/01/1 54095
på 1970/01/1 52179