
Den EPF8282AVTC100-4 är en programmerbar logikenhet som används för att implementera anpassade digitala kretsar i elektroniska system.Den tillhör en flexibel logikfamilj som tillåter designers att konfigurera interna logikblock och routingvägar för att matcha specifika kontroll- eller bearbetningsuppgifter.Enheten innehåller flera logiska element arrangerade i logiska arrayblock och stöder upp till 78 in- och utgångsanslutningar för kommunikation med omgivande kretsar.Dess interna routingstruktur tillåter signaler att flytta mellan logiska block genom programmerbara vägar.Enheten drivs från en standard 5 volts strömförsörjning och är förpackad i en kompakt 100-stifts TQFP-form för ytmonterade kretskort.
Letar du efter EPF8282AVTC100-4?Kontakta oss för att kontrollera aktuellt lager, ledtid och pris.
Enheten använder en programmerbar logikstruktur som gör att digitala kretsar kan definieras genom konfigurationsdata.Logikelement inuti chippet kan arrangeras för att utföra kontrollfunktioner, tidsoperationer och databearbetningsuppgifter inom en enda integrerad krets.
Logikelement är grupperade i logiska arrayblock som bildar enhetens grundläggande struktur.Varje block delar lokala routingresurser som distribuerar signaler mellan element, vilket möjliggör koordinerade logiska operationer inom blocket.
Ett strukturerat routingnätverk ansluter logiska block över enheten.Horisontella och vertikala signalvägar tillåter logiska element i olika regioner att utbyta data genom programmerbara anslutningar.
Enheten stöder upp till 78 in- och utgångsstift som ansluter interna logiska signaler till externa kretsar.Dessa anslutningar tillåter den programmerbara logikstrukturen att kommunicera med sensorer, processorer och digitala styrkretsar.
Bärkopplingar mellan logiska element gör att aritmetiska operationer som addition och räkning kan utföras effektivt.Dessa överföringsvägar hjälper till att upprätthålla ett förutsägbart signalflöde när aritmetisk logik implementeras.
Den interna strukturen stöder cirka 2500 ekvivalenta logiska grindar.Denna kapacitet tillåter enheten att implementera styrlogik, datahanteringskretsar och gränssnittslogik i kompakta elektroniska system.
Enheten arbetar inom ett matningsspänningsområde på 4,75 volt till 5,25 volt.Detta sortiment gör att den kan fungera med vanliga digitala system som använder vanliga 5 volts kraftskenor.
Chipet är förpackat i ett 100-stifts TQFP-format designat för ytmontering på kretskort.Detta paket stöder kompakta kortlayouter samtidigt som det ger åtkomst till flera in- och utgångsanslutningar.
| Produktattribut | Attributvärde |
| Tillverkare | Intel |
| Spänning - Matning | 4,75V ~ 5,25V |
| Leverantörsenhetspaket | 100-TQFP (14x14) |
| Serie | FLEX 8000 |
| Paket/fodral | 100-TQFP |
| Paket | Bricka |
| Driftstemperatur | 0°C ~ 70°C (TA) |
| Antal logiska element/celler | 208 |
| Antal LAB/CLB | 26 |
| Antal I/O | 78 |
| Antal grindar | 2500 |
| Monteringstyp | Ytmontering |
| Basproduktnummer | EPF8282 |
| Moisture Sensitivity Level (MSL) | 3 (168 timmar) |
| ECCN | 3A001A2A |
| HTSUS | 8542.39.0001 |

FLEX 8000-arkitekturen är strukturerad kring ett rutnät av logiska arrayblock sammankopplade av horisontella och vertikala routingkanaler, och organiserar programmerbara logiska resurser över enheten.Varje logikmatrisblock innehåller flera logiska element som implementerar konfigurerbara digitala funktioner och lagrar mellanliggande signaler.FastTrack sammankopplingslinjer löper tvärs över strukturen och bildar det huvudsakliga routingnätverket som länkar logiska block i hela kretsen.Ingångs- och utgångselement visas längs de yttre kanterna och tillhandahåller gränssnittet mellan interna logiska signaler och externa enhetsstift.Detta arrangemang gör det möjligt för signaler att färdas mellan logiska block och I/O-anslutningar genom programmerbara routingvägar fördelade över den interna layouten.

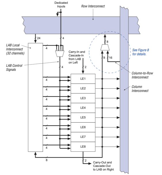
Intern struktur centreras på ett logikmatrisblock som grupperar åtta logiska element märkta LE1 till LE8, anordnade vertikalt för att bilda en programmerbar logikenhet.Signaler kommer in genom ett lokalt sammankopplingsnätverk som innehåller flera routingkanaler som distribuerar indata och styrsignaler till varje logikelement.Dedikerade ingångar matas direkt från radförbindelsen, vilket gör att utvalda signaler kan kringgå det lokala routingnätverket.Bärbanor löper genom logikelementen från topp till botten, som stödjer aritmetiska operationer och länkar samman angränsande block genom in- och utförandeförbindelser.Rad- och kolumnsammankopplingslinjer ansluter blocket till det bredare routingnätverket, vilket gör att signaler kan flyttas mellan angränsande logikmatrisblock över enheten.

Testkretslayouten definierar den elektriska uppsättningen som används för att mäta AC-timingskarakteristika för enhetens utgångar.Ett resistivt nätverk ansluter enhetens utgångsnod till matningen och jord via ett 464 ohm pull-up-motstånd och ett 250 ohm pull-down-motstånd, vilket skapar ett kontrollerat belastningstillstånd.Mätpunkten länkar till ett testsystem medan en kondensator märkt C1 representerar den totala belastningskapacitansen inklusive fixturkapacitans.Signalövergångar från enheten passerar genom detta nätverk medan testutrustningen observerar spänningsförändringar och timingbeteende.Ingångens stig- och falltider hålls under tre nanosekunder för att säkerställa konsekventa omkopplingsförhållanden under mätning.
• Omprogrammerbar logik tillåter ändringar av maskinvarudesign utan att enheten behöver bytas ut
• Flexibel arkitektur stöder anpassad digital logikimplementering
• Integrerade logiska resurser minskar behovet av flera diskreta logikkomponenter
• Lämplig för prototypframställning och iterativ digital systemutveckling
• Standard ytmonteringspaket stöder automatiserad PCB-montage
• Begränsad logikkapacitet jämfört med moderna FPGA-enheter med hög densitet
• Fungerar på en 5 volts strömkälla som kanske inte matchar nyare lågspänningssystem
• Kommersiellt temperaturområde kanske inte passar extrema industriella miljöer
• Föråldrad produktstatus kan begränsa tillgängligheten på lång sikt
Programmerbar logik inuti enheten kan koordinera sensoringångar, styrsignaler och timingoperationer inom industriella styrsystem.Det tillåter designers att kombinera flera logiska funktioner till en enda konfigurerbar enhet.
Kommunikationsutrustning kräver ofta digital logik som hanterar signaltiming och datadirigering.Enheten kan implementera gränssnittskontrolllogik som förbinder processorer med externa kommunikationskretsar.
Utvecklingssystem kräver ibland flexibel hårdvara som kan testa digitala bearbetningsalgoritmer.Den programmerbara strukturen tillåter ingenjörer att implementera anpassad signalbehandlingslogik samtidigt som de utvärderar kretsens beteende.
Inbyggda elektroniska produkter använder programmerbar logik för att hantera digitala kontrolluppgifter.Enheten kan koordinera systemtiming, datavägar och hårdvarustyrsignaler inom kompakta inbyggda plattformar.
Digitala konsumentprodukter kräver ofta styrlogik som kopplar samman flera delsystem.Enheten kan kombinera timing, gränssnittskontroll och digitala bearbetningsfunktioner inom en enda programmerbar komponent.
| Artikelnummer | Tillverkare | Nyckelfunktioner | Använd fall/anteckningar |
| EPF8282ATC100-4 | Intel | Programmerbar logikenhet från FLEX 8000-familjen som tillhandahåller cirka 2 500 användbara logiska grindar och konfigurerbara logiska arrayblock.Den arbetar med en 5 V-matning och erbjuder många programmerbara I/O-stift för digital systemintegration. | Används vanligtvis i inbyggda styrsystem och gränssnittslogik där flera digitala funktioner måste kombineras till en programmerbar enhet. |
| EPF8282ATC100-4N | Intel | Enhet baserad på FLEX 8000-arkitekturen med programmerbara logiska celler och konfigurerbara routingresurser.Designen tillåter ingenjörer att implementera flera digitala funktioner i en enda integrerad krets. | Användbar för limlogik, digitala styrkretsar och kommunikationsgränssnitt som kräver pålitlig programmerbar hårdvara. |
| EPF8282AVTC100-3 | Intel | Högre hastighetsversion av den programmerbara logiska enheten EPF8282 som erbjuder liknande logikkapacitet med förbättrad timingprestanda.Den innehåller programmerbara logikblock och flexibla I/O-anslutningar för digital kretsdesign. | Lämplig för system som kräver snabbare digital logikbehandling, inklusive kommunikationsutrustning och inbyggda styrapplikationer i realtid. |
Intel är ett globalt teknikföretag känt för att utveckla halvledarenheter och datorplattformar som används i persondatorer, servrar och inbyggda system.Företaget grundades 1968 och fokuserar på design av integrerade kretsar, mikroprocessorer, programmerbara logiska enheter och databehandlingsteknologier.Dess produktportfölj inkluderar processorer, nätverkskomponenter, minnesteknologier och programmerbara logiklösningar som används i industri-, kommunikations- och datorutrustning.Intel har bidragit till utvecklingen av digitala datorarkitekturer och fortsätter att stödja ett brett utbud av halvledarteknologier som används i moderna elektroniska system.
Att arbeta med en programmerbar logikenhet som EPF8282AVTC100-4 ger dig möjligheten att forma digitala kretsar direkt inuti en enda komponent.Du kan konfigurera dess interna logikelement för att utföra kontroll, signaldirigering eller gränssnittsuppgifter i inbyggda system.Dess FLEX 8000-arkitektur organiserar logikblock och routingvägar så att signaler rör sig över enheten på ett strukturerat sätt.Med flera in- och utgångsstift kan enheten enkelt anslutas till omgivande hårdvara.När du väl förstår dess struktur och funktioner kan du se hur den stöder flexibel digital kontroll i många typer av elektronisk utrustning.
Skicka en förfrågan, vi svarar omedelbart.
EPF8282AVTC100-4 är en fältprogrammerbar gate array som tillåter digitala kretsar som ska konfigureras genom programmerbar logik inuti chip.
Den tillhör FLEX 8000 FPGA-familjen, som är programmerbar logik i logiska arrayblock anslutna av ett internt routingnätverk.
Enheten stöder upp till 78 in- och utgångsanslutningar, vilket tillåter kommunikation mellan interna logiska kretsar och extern elektronik komponenter.
Den kommer i ett 100-stifts TQFP-paket designat för ytmontering på kretskort.
Den kan användas i inbyggda system, digitala styrkretsar, kommunikationsgränssnitt och annan elektronik som kräver konfigurerbar digital logik.
på 2026/03/10
på 2026/03/10
på 8000/04/18 147758
på 2000/04/18 111960
på 1600/04/18 111349
på 0400/04/18 83726
på 1970/01/1 79511
på 1970/01/1 66929
på 1970/01/1 63078
på 1970/01/1 63019
på 1970/01/1 54086
på 1970/01/1 52156