

|
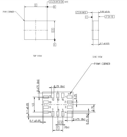
Pin No. |
Beskrivning |
|
1 |
SDO, Serial Data Output i SPI 4W |
|
2 |
ASDX, AUX -gränssnitt / OIS -gränssnitt |
|
3 |
ASCX, AUX -gränssnitt / OIS -gränssnitt |
|
4 |
Int1, avbrottsstift 1 |
|
5 |
VDDIO, Digital VO -leveransspänning (1.2 .. 3.6V) |
|
6 |
GNDIO, mark för V0 |
|
7 |
GND, mark för digital och analog |
|
8 |
VDD, strömförsörjningsanalog och digital (1,71 .. 3.6V) |
|
9 |
Int2, avbrott stift 2 |
|
10 |
OCSB, OIS -gränssnitt |
|
11 |
OSDO, OIS -gränssnitt |
|
12 |
CSB, Chip Select för SPI -läge |
|
13 |
SCX, SP/4C Serial Clock (SCK/SCL) |
|
14 |
Sdx, seriedata vo |



De BMI270 är noggrant utformad för bärbara enheter som prioriterar låg effektförbrukning samtidigt som den har extraordinär rörelsedetektering genom sin ensemble av integrerade sensorer.Denna intrikata anordning smälter samman ett triaxialt gyroskop med en 16-bitars accelerometer i sin tätt sammansatta struktur och slår en balans mellan effektiv rymdanvändning och fullfjädrad funktionalitet.
BMI270: s förmåga att minimera energianvändningen samtidigt som man tillhandahåller exakt rörelseanalys representerar ett anmärkningsvärt teknologiskt språng.I världen av bärbar teknik, där krafteffektivitet formar din upplevelse, kan sådana framsteg påverka din tillfredsställelse avsevärt.För tekniska aficionados som värderar bekvämlighet, minskar utökad batterilängd besväret med regelbunden laddning.
Konsolideringen av det triaxiala gyroskopet och accelerometern till en enhet optimerar både precisionen i data och enhetens minskande utformning.Erfarenheter inom tekniksektorn tyder på att den sömlösa införlivandet av delar är nyckeln till att upprätthålla en enhets prestanda och samtidigt förenkla dess byggnad och minska dess storlek.Denna strategi gynnar dig inte bara genom att sänka utvecklingskostnaderna utan också rymma en mängd olika användningsområden, från att spåra fitnessaktiviteter till att möjliggöra gestkontrollfunktioner.
|
Särdrag |
Beskrivning |
|
Paket |
Kompakt standardstorlek LGA -mögelpaket, 14 stift,
Fotavtryck 2,5x3,0 mm², höjd 0,83 mm |
|
Digitala gränssnitt |
Primärt digitalt gränssnitt med 10 MHz SPI (4-tråd,
3-tråd) och upp till 1 MHz I²C (FM+) |
|
Utgångsdatahastigheter (ODR) |
25 Hz - 6,4 kHz (gyroskop), 0,78 Hz - 1,6 kHz
(accelerometer) |
|
Lågpassfilter |
Programmerbart lågpassfilter med bandbredd ~ 513-680 Hz
(accelerometer), ~ 890 Hz (gyroskop) |
|
Strömförsörjning |
Analog VDD: 1.71V - 3.6V;Oberoende VDDIO: 1.2V - 3.6V |
|
Energiförbrukning |
Ultra-låg nuvarande konsumtion, typisk 685 μA (i sin helhet
ODR och Aliasing-Free Operation) |
|
Gyroskopprestationsläge |
Låg ljudnivå, typisk < 8 mdps/√Hz |
|
Power Management Unit (PMU) |
Inbyggd PMU för avancerad krafthantering och låg kraft
läge |
|
Starttid |
2 ms för gyroskop (snabbt startläge), 2 ms för
accelerometer |
|
Gränssnitt |
Fritt konfigurerbart;400 kHz I²C (FM) mastergränssnitt
nav för en AUX -sensor (t.ex. magnetometer, tryck) |
|
Höghastighetsspi |
10 MHz SPI (4-tråds, 3-tråd) för höghastighetsapplikationer;
Upp till 6,4 kHz ODR med max 676 μs gruppfördröjning |
|
FIFO-buffert på chip |
2 KB FIFO -buffert för accelerometer, gyroskop,
tidsstämplar och AUX -sensordata |
|
Kompensation för förskjutning
|
Snabb kompensation för snabb kompensation för accelerometer och
gyroskop |
|
Känslighetskompensation |
Snabbkänslighetsfelkompensation för gyroskop (CRT,
maxkänslighetsfel < 1%) |
|
Synkronisering |
HW -synkronisering av accelerometer, gyroskop och aux
sensor (< 1 μs) |
|
Tidsstämplar |
Sensor tidsstämplar för korrekt system och sensortid
synkronisering (< 40 μs) |
|
Programmerbar I/O -stift |
2 oberoende programmerbara VO -stift för avbrott och
synkroniseringshändelser |
|
Efterlevnad |
ROHS-kompatibel, halogen och blyfri |
BMI270-sensorn hittar sin plats i olika banbrytande tekniker på grund av dess lilla storlek och noggrannhet.Dess integration tillgodoser branscher som är inriktade på att höja ditt engagemang och erfarenheter.
För bärbara enheter lyser BMI270 med sin rörelseavkännande förmåga.Denna komponent levererar exakta data som är användbara för att spåra kondition, övervaka hälsa och erkänna aktiviteter.Du kan ofta upptäcka att sådana sömlösa sensorintegrationer berikar dagliga aktiviteter och inspirerar en hälsosammare livsstil.Sensorns effektivitet när det gäller att hantera strömförbrukning förlänger batteriets livslängd, vilket gör dem mer bärbara och tillgängliga.
I världen av ljudtillbehör förbättrar sensorns förmåga att bearbeta accelerationsdata funktioner som brusavbrott och ljudjusteringar.Denna adaptiva teknik svarar på dina rörelser och miljöförändringar och erbjuder en rikare och mer intuitiv hörselupplevelse som enkelt passar in i ens dagliga rytm.
Fältet för innovativa textilier har revolutionerats med BMI270 -sensorn.Smarta plagg utrustade med denna sensor erbjuder aktivitetsanalys, som hjälper till korrigering av kroppsställning.När efterfrågan på mångsidiga kläder stiger ger integrering av dessa sensorer insikter om ditt beteende och ergonomi och främjar mer individualiserade lösningar i wellness och fitness.
Inom förstärkt och virtuell verklighet är BMI270 grundläggande för att möjliggöra snabb och exakt rörelsespårning.Det tillåter dig att dyka in i den digitala världen med förbättrad kontroll och interaktion.Genom att minimera rörelsesjuka ökar sensorn komfort och engagemang, med insikter från AR/VR -utplaceringar som förbättrar dessa trailblazing -upplevelser för att bättre anpassa sig till dina önskningar och behov.

BMI270 -sensorn utmärker sig i sin tillämpning på modern bärbar och hörbar teknik.Med Adept -stöd för både I2C- och SPI -gränssnitt öppnar det dörrar för applikationer som gestigenkänning och aktivitet/kontextdetektering, främjar en sömlös upplevelse med teknik och en förbättrad medvetenhet om deras omgivningar.
Gestigenkänning som underlättas av BMI270 möjliggör en sofistikerad men ändå naturlig interaktion mellan dig och dina tekniska enheter.Genom att tolka dina gester korrekt definierar sensorn funktionaliteten i dina gränssnitt.I världen av bärbar teknik står gester ofta in för konventionella knappkontroller.Detta gör det möjligt för dig att hantera enheter diskret och effektivt, en mestadels fördelaktig funktion när fysisk interaktion är mindre genomförbar.Kontinuerliga förbättringar i gestigenkänningsalgoritmer bidrar till ett mer anpassningsbart och lyhörd system som överensstämmer med olika preferenser och krav.
Fitness Trackers har vanligtvis gestigenkänning, så att du kan byta träningslägen eller initiera träningssessioner med bara en flick av handleden.Denna geststyrda funktionalitet speglas i smarta öronsnäckor, där du tycker om bekvämligheten med att ändra låtar eller justera volymnivåer utan att behöva fysiskt interagera med sina enheter.Utvecklingen av sådan gestteknologi belyser dess förmåga att höja din tillfredsställelse och fördjupa engagemang i olika applikationer.
|
Typ |
Parameter |
|
Fabriksledning |
14 veckor |
|
Monteringstyp |
Ytfäste |
|
Förpackning / fodral |
14-vflga |
|
Driftstemperatur |
-40 ° C ~ 85 ° C |
|
Förpackning
|
Tape & Reel (TR) |
|
Delstatus |
Aktiv |
|
Fuktkänslighetsnivå (MSL) |
1 (obegränsad) |
|
Utgångstyp |
I2c, spi |
|
Sensortyp |
Accelerometer, gyroskop, 6 axel |
|
ROHS -status |
ROHS3 -kompatibel |

Bosch Sensortec GmbH, som arbetar under Robert Bosch GmbH-paraply, sticker ut för sin expertis inom MEMS (Micro-Electro-Mechanical Systems) -teknologi.Detta företags primära uppdrag är att skapa avancerade sensorlösningar som höjer hur olika enheter samarbetar med sina miljöer.Den teknik som utvecklats här hittar sin väg till många konsumentelektronik och den ständigt växande domänen för IoT (Internet of Things).Det djupa inflytandet från dessa sensorer är tydligt i deras förbättring av noggrannheten och funktionaliteten hos innovationer som bärbar teknik, smarta hemenheter och olika industriella applikationer.
Genom obeveklig innovation och anmärkningsvärda investeringar i forskning och utveckling har Bosch Sensortec GmbH utformat sensorer som kännetecknas av ökad precision, effektivitet och tillförlitlighet.Deras MEMS-baserade innovationer tjänar olika områden, inklusive rörelseavkänning, miljöövervakning och energihantering.Till exempel spelar sensorerna en allvarlig roll i att uppgradera mobila enhetsfunktioner, såsom orienteringsdetektering, gestigenkänning och anpassning till miljöförändringar.Denna framsteg berikar inte bara dina erfarenheter utan fastställer också nya branschstandarder för modern sensorteknologi.
Skicka en förfrågan, vi svarar omedelbart.
BMI270 integrerar rörelseutlösade funktioner genom att kombinera exakta accelerations- och vinkelhastighetsmätningar.Denna integration stöder förbättrad rörelsedetekterings- och spårningsfunktioner som används i olika elektroniska konsumentapplikationer.Genom att utnyttja dessa avancerade mätningar kan enheter uppnå överlägsen prestanda vid spårning av fysisk rörelse och orientering.Detta möjliggör ett brett spektrum av funktionaliteter, allt från uppslukande spelupplevelser till noggrann fitnessspårning.
BMI270 är utformad av Bosch Sensortec, ett företag som hyllas för sina högkvalitativa sensorer som används inom olika branscher.Boschs djuprotade expertis inom sensorteknologi säkerställer att BMI270 uppfyller de stränga riktmärkena för moderna elektroniska enheter och levererar konsekvent pålitlig prestanda.
BMI270 har flera förbättringar förbättrad accelerometer, konstruerad för högre noggrannhet under dynamiska förhållanden.Denna förbättring visar sig mestadels fördelaktig i scenarier som kräver exakt rörelseavkänning, såsom virtual reality eller autonom navigering, där även mindre felaktigheter kan störa din upplevelse.
Prestandan för BMI270 höjs genom omfattande förbättringar av accelerometerns funktionalitet.Dessa förbättringar inkluderar brusreducering och minimering av mätfel, vilket gör det möjligt för enheter utrustade med BMI270 att fungera mer effektivt under olika förhållanden.I branscher där precision är dominerande, såsom medicinsk eller rymdteknik, ger dessa uppgraderingar betydande fördelar.
BMI270 uppnår anmärkningsvärda förbättringar genom att minska noll-G-offset och minska känslighetsfelet.Minskningen av noll-G-offset stärker sensorns noggrannhet under stationära perioder, medan det sänkta känslighetsfelet säkerställer mer tillförlitlig drift i olika miljöförhållanden.Dessa dubbla förbättringar gör BMI270 till ett övertygande alternativ för att du prioriterar precision och tillförlitlighet i sensorlösningar.
på 2024/11/4
på 2024/11/4
på 8000/04/18 147757
på 2000/04/18 111936
på 1600/04/18 111349
på 0400/04/18 83721
på 1970/01/1 79508
på 1970/01/1 66910
på 1970/01/1 63047
på 1970/01/1 63012
på 1970/01/1 54081
på 1970/01/1 52127