CD4050 IC är ett allmänt använt hexbuffertchip med sex icke-inverterande buffertar.Det är perfekt för applikationer som signalregenerering och omvandling av spänningsnivå.Den här artikeln täcker sina funktioner, arbetsprinciper, pin-konfiguration och applikationer på ett enkelt, läsarvänligt sätt.

De CD4050 IC är ett HEX-buffertchip med sex icke-inverterande buffertar som passerar signaler oförändrade, idealiska för omvandling av spänningsnivå och signalregenerering.Den kan driva upp till två TTL- eller DTL -enheter på en gång, vilket erbjuder tillförlitlig prestanda med låg effektförbrukning.Dess strömförmåga med hög diskbänk säkerställer att den hanterar flera belastningar effektivt, vilket gör det till ett mångsidigt val för digitala kretsar.
Det här avsnittet tillhandahåller de viktigaste höjdpunkterna och specifikationerna för CD4050 IC, inklusive dess driftspänning, strömförbrukning och prestandametriker.
| Parameter | Specifikation |
| Driftspänning | 3V - 15V DC |
| Aktuell konsumtion (max) | 50 mA |
| Sjunka nuvarande förmåga | Hög diskbänk för att köra 2 TTL -belastningar |
| Maximal lågnivå utgångsspänning | 0,5V vid 5V VCC |
| Minsta utgångsspänning på hög nivå | 4.95V vid 5V VCC |

| Stiftnummer | Stifttyp | Beskrivning/riktning |
| 1 | Vcc | Positiv ingångsförsörjning |
| 2 | G | Icke-inverterad utgång 1 |
| 3 | En | Input 1 |
| 4 | H | Icke-inverterad utgång 2 |
| 5 | B | Input 2 |
| 6 | Jag | Icke-inverterad utgång 3 |
| 7 | C | Input 3 |
| 8 | Vss | Negativ utbud |
| 9 | D | Input 4 |
| 10 | J | Icke-inverterad utgång 4 |
| 11 | E | Input 5 |
| 12 | K | Icke-inverterad utgång 5 |
| 13 | Nc | Ingen anslutning |
| 14 | F | Input 6 |
| 15 | L | Icke-inverterad utgång 6 |
| 16 | Nc | Ingen anslutning |
CD4050 IC är utformad med icke-inverterande buffertar som upprätthåller insignalen som den är, utan att ändra dess logiska tillstånd.Till skillnad från en inverterare, som vänder signalen, säkerställer en icke-inverterande buffert utgången matchar ingången.Dess primära syfte är att stärka signalen och leverera en klar hög eller låg vid utgången.

Varje buffert inom IC har en enda ingång och en enda utgång.Utgången är alltid lika med ingången, vilket gör den lämplig för applikationer där signalintegritet måste bevaras.Dessa buffertar kan också införa en liten förökningsfördröjning, som kan vara användbar i specifika kretskonstruktioner.
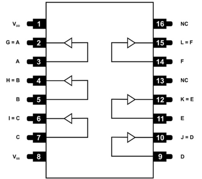
Den interna strukturen för CD4050 IC innehåller sex icke-inverterande buffertar, var och en kopplade till specifika ingångs- och utgångsstift.Bilden nedan illustrerar hur dessa buffertar är ordnade inom IC och visar deras anslutningar till motsvarande stift.Till exempel, när en signal appliceras på inmatning A (stift 3), kommer utgången att vara identisk vid g (stift 2).På liknande sätt motsvarar ingång B utgången H, ingång C till utgång I, och så vidare.

Detta konsekventa beteende säkerställer att IC pålitligt speglar insignaler vid dess utgångar utan några förändringar i deras logiska tillstånd.
Tabellen nedan belyser sanningstabellen för IC och bekräftar att utgången alltid matchar ingången.Oavsett om ingången är hög eller låg, återspeglar utgången samma tillstånd, vilket säkerställer sömlös signalintegritet.
| Ingångssignal (A, B, C, D, E, F) | Utgångssignal (G, H, I, J, K, L) |
| HÖG | HÖG |
| LÅG | LÅG |
• SOIC
• PDIP
• CDIP
CD4050 IC används för att säkert anpassa signaler från högre till lägre spänningsnivåer, vilket möjliggör kompatibilitet mellan kretsar som arbetar vid olika spänningar.
Denna IC fungerar som en HEX -omvandlare, vilket möjliggör smidig gränssnitt mellan DTL- och TTL -logikfamiljer och hanterar flera signaler med lätthet.
CD4050 kan fungera som en ström handfat eller källa, vilket säkerställer stabilt strömflöde för att driva flera belastningar i CMOS -system effektivt.
2D-modellen för den icke-inverterande IC, som visas nedan, innehåller dess dimensioner i både millimeter och tum.Denna information är användbar för att skapa anpassade fotavtryck och är idealisk för användning i PCB -design och CAD -modellering.

Skicka en förfrågan, vi svarar omedelbart.
på 2024/12/20
på 2024/12/20
på 8000/04/18 147757
på 2000/04/18 111934
på 1600/04/18 111349
på 0400/04/18 83719
på 1970/01/1 79508
på 1970/01/1 66898
på 1970/01/1 63010
på 1970/01/1 63007
på 1970/01/1 54081
på 1970/01/1 52118