
De LM1117 är en mångsidig låg bortfallspänningsregulator utformad för att upprätthålla jämn spänningsutgång även med fluktuerande ingångsspänningar.Den arbetar med en bortfallspänning på bara 1,2V när du tillhandahåller upp till 800 mA ström.Dess kompatibilitet med den allmänt använda LM317-stiftkonfigurationen gör det till en enkel ersättning i olika kretsar.Dessutom erbjuder LM1117 en justerbar version, så att du kan finjustera utspänningen mellan 1,25V och 13,8V med bara två externa motstånd.Denna flexibilitet gör den väl lämpad för en rad kraftregleringsbehov.
LM1117 är utformad för att tillhandahålla konsekvent och stabil positiv spänningsreglering.Detta säkerställer att dina enheter fungerar smidigt utan risken för spänningsfluktuationer som stör deras prestanda.Oavsett om du driver små kretsar eller större inställningar, är denna regulator tillförlitlig för att upprätthålla stabil spänningsutgång.
Om du behöver en flexibel strömförsörjning kan LM1117 konfigureras för att leverera en rad spänningar.Genom att använda den justerbara versionen kan du ställa in utgångsspänningen så att de matchar de specifika kraven i ditt projekt, vilket gör den anpassningsbar för en mängd olika applikationer.
LM1117 kan användas i kretsar som kräver aktuell begränsning.Det hjälper till att förhindra överdrivet strömflöde, skydda dina komponenter och enheter från potentiella skador orsakade av överströmssituationer.
När omvänd polaritetsskydd behövs kan LM1117 vara ett pålitligt val.Det säkerställer att dina enheter skyddas mot felaktiga spänningsanslutningar, förhindrar skador och förbättrar tillförlitligheten i din kretsdesign.
LM1117 finns vanligtvis i konsumentelektronik som stationära datorer och DVD -spelare.Dess förmåga att reglera spänningen effektivt gör det till ett föredraget val för att säkerställa att dessa enheter fungerar pålitligt över tid.
I motorstyrningsapplikationer hjälper LM1117 att upprätthålla stabila spänningsnivåer, vilket gör att motorer kan fungera effektivt och konsekvent.Detta gör det användbart i projekt där motorisk precision och tillförlitlighet krävs.
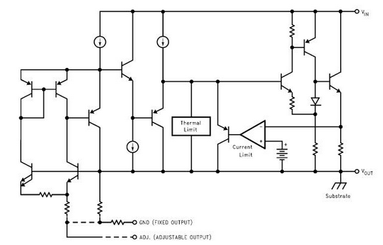
LM1117 är en mångsidig 3-terminal linjär spänningsregulator som finns i både fasta och justerbara versioner.Detta innebär att du kan välja mellan en inställd utgångsspänning eller justera den för att tillgodose de specifika behoven i din applikation.
Du kan välja mellan fyra alternativ för fast utgångsspänning: 1.8V, 2,5V, 3,3V och 5V.Dessa förinställda spänningsnivåer gör det enkelt att integrera LM1117 i kretsar som kräver konsekventa spänningsutgångar.
För projekt som kräver flexibilitet låter den justerbara versionen av LM1117 dig ställa in utgångsspänningen inom ett intervall från 1,25V till 13,8V.Denna anpassningsförmåga gör den lämplig för en mängd olika elektroniska applikationer.
LM1117 stöder en maximal utgångsström på 800 mA.Detta säkerställer att det kan hantera medelstora belastningar effektivt, vilket gör det tillförlitligt för både personligt och industriellt bruk.
LM1117 innehåller inbyggda funktioner som nuvarande begränsande och termiskt skydd.Dessa säkerställer att dina kretsar är säkra från skador på grund av överdriven ström eller överhettning, vilket ger ett extra lager av tillförlitlighet.
Med en driftskorsningstemperatur på upp till 125 ° C presterar LM1117 pålitligt i en rad miljöförhållanden.Detta gör det lämpligt för användning i applikationer med högre värmenivåer.
LM1117 finns i kompakta och mångsidiga pakettyper, inklusive TO-220, SOT223 och TO263.Dessa alternativ gör att du kan välja ett paket som passar storleken och designkraven i ditt projekt.




| Stiftnummer | Stiftnamn | Beskrivning |
| 1 | Justera/markera | Denna stift justerar utgångsspänningen, om den är en fastspänningsregulator det fungerar som mark |
| 2 | Utgångsspänning (vout) | Den reglerade utgångsspänningen som ställts in av den justerade stiftet kan erhållas från denna stift |
| 3 | Ingångsspänning (VIN) | Ingångsspänningen som måste regleras ges till denna pi |

Tekniska specifikationer, funktioner, egenskaper och komponenter med jämförbara specifikationer för Texas Instruments LM1117MPX-3.3
| Typ | Parameter |
| Livscykelstatus | Aktiv (senast uppdaterad: 6 dagar sedan) |
| Fabriksledning | 6 veckor |
| Monteringstyp | Ytfäste |
| Förpackning / fodral | TO-261-4, TO-261AA |
| Ytfäste | JA |
| Antal stift | 4 |
| Driftstemperatur | 0 ° C ~ 125 ° C |
| Förpackning | Tape & Reel (TR) |
| Serie | LM1117-3.3 |
| JESD-609 kod | e0 |
| Delstatus | Aktiv |
| Fuktkänslighetsnivå (MSL) | 1 (obegränsad) |
| Antal avslutningar | 4 |
| ECCN -kod | Örat99 |
| Terminal | Tenn/bly (SN/PB) |
| Förpackningsmetod | Tr |
| Terminalposition | DUBBEL |
| Terminalform | Gullvinge |
| Toppens reflowtemperatur (CEL) | 260 |
| Antal funktioner | 1 |
| Terminalhöjd | 2,3 mm |
| Nå efterlevnadskod | NOT_COMPLIANT |
| Aktuellt betyg | 800 mA |
| Time@Peak Reflow Temperatur-Max (er) | Inte specificerad |
| Basdelnummer | LM1117 |
| Räkning | 3 |
| Aktuell - leverans (max) | 10 mA |
| Antal utgångar | 1 |
| Kvalifikationsstatus | Inte kvalificerad |
| Spänning - ingång (max) | 15V |
| Utspänning | 3.3V |
| Utgångstyp | Fast |
| Utgångskonfiguration | Positiv |
| Utgångsspänning 1 | 3.3V |
| Antal tillsynsmyndigheter | 1 |
| Skyddsfunktioner | Över ström, över temperaturen |
| Aktuell - lugn (IQ) | 5mA |
| Spänningsavfall (max) | 1.2V @ 800ma |
| PSRR | 75dB (120Hz) |
| Bortfallspänning | 1.2V |
| Bortfallspänning1-nom | 1.2V |
| Spänningsolerans-max | 2% |
| Utgångsström1-max | 0,8A |
| Ingångsspänning absolut-max | 20V |
| Höjd | 1,8 mm |
| Längd | 6,5 mm |
| Bredd | 3,5 mm |
| Tjocklek | 1,6 mm |
| ROHS -status | Icke-ROHS-kompatibel |
• LM7805
• LM7806
• LM7809
• LM7812
• LM7905
• LM7912
• LM117V33
• Lm317
Texas Instruments Inc. (TI) är ett välkänt teknikföretag baserat i Dallas, Texas.Den är specialiserad på att utforma och producera halvledare och integrerade kretsar, som används av elektronikskapare och tillverkare runt om i världen.TI erkänns som ett av de största halvledarföretagen globalt när det gäller försäljning.
Företagets fokus är på att skapa analoga chips och inbäddade processorer, som utgör huvuddelen av sina intäkter.Vid sidan av dessa utvecklar TI teknik och utbildningsverktyg för digital ljusbehandling (DLP) som kalkylatorer, mikrokontroller och multikärniga processorer.Detta breda utbud av produkter belyser TI: s engagemang för att stödja innovation inom teknikindustrin.

LM1117 är ett praktiskt val när du behöver en pålitlig linjär spänningsregulator.Den delar likheter med den allmänt erkända 7805- och LM317 -serien men erbjuder ytterligare mångsidighet.Dess tillgänglighet i det kompakta DCY-paketet gör det lämpligt för ytmonterade mönster, särskilt när utrymmet är begränsat.
För fasta spänningsbehov tillhandahåller LM1117 stabila utgångsalternativ på 1,8V, 2,5V, 3,3V och 5V.Om du behöver justerbar spänning låter variabelversionen dig ställa in utgången mellan 1,25V och 13,8V, vilket ger dig flexibilitet för en rad applikationer.Oavsett om du arbetar med en kompakt krets eller ett projekt som kräver exakt spänningsreglering, kan denna IC vara en pålitlig lösning för dina behov.
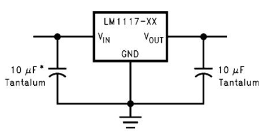
LM1117 är utformad för enkel användning, oavsett om du väljer den fasta eller justerbara versionen.För fastspänningsreglering ansluter du helt enkelt VIN -stiftet till ingångsspänningskällan och använder Vout -stiftet för att erhålla den reglerade utgången.ADJ/markstiftet fungerar i detta fall som en markanslutning och bör vara säkert jordad.För att minska bruset kan du placera en kondensator på utgångssidan för bättre stabilitet och jämnare drift.

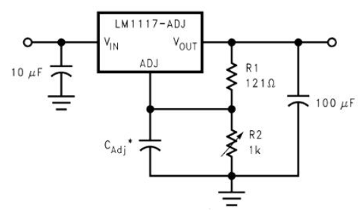
För justerbar spänningsreglering krävs två externa motstånd (R1 och R2) för att bestämma den önskade utgångsspänningen.Den exakta spänningen beräknas med formeln:
Vout = 1,25 × (1 + R2 / R1)
När du väljer motståndsvärden ska du se till att R1 är mindre än 1 kΩ för optimal prestanda.Om du behöver flexibilitet i spänningsinställningar kan ett variabelt motstånd användas för R2, vilket möjliggör realtidsjusteringar.

Den justerbara versionen är särskilt användbar för applikationer som batteriladdningskretsar.Med korrekt konfiguration kan den också utformas för att ge negativ spänning om ditt projekt kräver det.Kondensatorer placerade vid ingången och matar ut ytterligare filterbrus, vilket säkerställer en jämnare drift i både fasta och justerbara inställningar.
LM1117: s enkla design gör den mångsidig och pålitlig för en mängd olika spänningsregleringsbehov.
| LM1117MP-3.3 |
SC1117CST3.3TR |
|
| Delpaketkod | SOT-223 | SOT-223 |
| Förpackningsbeskrivning | SOP, SOT-223 | SOP, SOT-223 |
| Räkning | 3 | 4 |
| ECCN -kod | Örat99 | Örat99 |
| HTS -kod | 8542.39.00.01 | 8542.39.00.01 |
| Justerbarhet | FAST | FAST |
| Dropout spolage1-max | 1,3 v | 13 v |
| Bortfallspänning1-nom | 1,2 v | 1,2 v |
| Ingångsspänning absolut-max | 20 v | 15 v |
| Ingångsspänning | 15 v | 15 v |
| Ingångsspänning | 4,75 v | 4,8 v |
| Längd | 6,5 mm | 6,5 mm |
| Antal funktioner | 1 | 1 |
| Antal utgångar | 1 | 1 |
| Antal terminaler | 4 | 4 |
| Driftstemperatur TJ-max | 125 ° C | 125 ° C |
| Utgångsström1-max | 0,8 a | 0,8 a |
| Utgångsspänning1-max | 3.365 v | 3.366 v |
| Utgångsspänning1-minuter | 3.235 v | 3.234 v |
| Utgångsspänning1-nom | 3,3 v | 3,3 v |
| Paketkroppsmaterial | Plast/epoxi | Plast/epoxi |
| Paketkod | TRÖST | TRÖST |
| Paketekvivalenskod | SOT-223 | SOT-223 |
| Förpackningsform | REKTANGULÄR | REKTANGULÄR |
| Paketstil | Små konturer | Små konturer |
| Förpackningsmetod | Tr | Tr |
| Reguleringstyp | Fixad positiv enstaka utgång LDO -regulator | Fixad positiv enstaka utgång LDO -regulator |
| Sittande höjd-max | 1,8 mm | 1,8 mm |
| Ytfäste | JA | JA |
| Teknologi | BIPOLÄR | BIPOLÄR |
| Terminalform | Gullwing | Mätare |
| Terminalhöjd | 2,3 mm | 2,3 mm |
| Terminalposition | DUBBEL | DUBBEL |
| Spänningsolerans-max | 2% | 2% |
| Bredd | 3,56 mm | 3,5 mm |
| Basnummer matcher | 2 | 2 |
Delarna till höger har specifikationer som liknar Texas Instruments LM1117.
| Artikelnummer | LM1117MPX-3.3 | LM1117MP-2.5/NOPB | LM1117MP-3.3 | Reg117-3.3-2k5 |
| Tillverkare | Texas instrument | Texas instrument | Texas instrument | Texas instrument |
| Förpackning / fodral | TO-261-4, TO-261AA | TO-261-4, TO-261AA | SOT-223 | TO-261-4, TO-261AA |
| Antal stift | 4 | 4 | 3 | 4 |
| Antal utgångar | 1 | 1 | 1 | 1 |
| Utgångsström1-max | 0,8 a | - | - | - |
| Spänning - ingång (max) | 15V | 15V | - | 15V |
| Utspänning | 3,3 v | 2,5 v | - | 2,5 v |
| Bortfallspänning | 1,2 v | 1.1 v | 1,2 v | 1,2 v |
| Antal avslutningar | 4 | 4 | 4 | 4 |
Skicka en förfrågan, vi svarar omedelbart.
En spänningsregulator producerar en stabil utgångsspänning som återstår Konsekvent även när ingångsspänningen eller belastningsförhållandena varierar.För Exempel, i en omkopplingsregulator konverteras ingångs DC -spänningen till en växlad spänning.Denna växlade spänning appliceras sedan på en Power MOSFET eller BJT Switch, som hjälper till att reglera utgångsspänningen effektivt.
LM1117 har en bortfallspänning på 1,2V.Detta betyder ingången spänningen måste vara minst 1,2V högre än den önskade utgångsspänningen för regulatorn för att fungera korrekt.
LM1117 kan tillhandahålla en maximal utgångsström på 800 mA, vilket gör den lämplig för kretsar som kräver medeleffektnivåer.
Den fasta versionen av LM1117 är utformad för att ge en utgång spänning på 3,3 V.Andra fasta alternativ och justerbara versioner är också Tillgängligt, beroende på dina behov.
För att ställa in LM1117, anslut en kondensator mellan utgångsstiftet och markstiftet och en annan kondensator mellan ingångsstiftet och markstift.Se till att kondensatorerna är polariserade med det positiva ben ansluten till ingångs- eller utgångsstiftet och det negativa benet anslutet till markstiftet.Dessa kondensatorer hjälper till att filtrera bort brus och säkerställa smidig drift.
på 2025/01/16
på 2025/01/16
på 8000/04/17 147713
på 2000/04/17 111721
på 1600/04/17 111322
på 0400/04/17 83606
på 1970/01/1 79257
på 1970/01/1 66775
på 1970/01/1 62944
på 1970/01/1 62820
på 1970/01/1 54028
på 1970/01/1 51982