
EPM7128ATC100-10 är en programmerbar logikenhet utformad för att implementera konfigurerbara digitala styrfunktioner i inbyggda elektroniska system.Enheten innehåller 128 makroceller och ungefär 2500 logiska grindar som gör det möjligt för designers att skapa anpassade logiska kretsar såsom styrlogik, gränssnittshantering och tillståndsmaskiner.Dess struktur organiserar programmerbar logik inom flera logiska arrayblock anslutna via ett internt routingnätverk som distribuerar signaler över enheten.Den fungerar från ett matningsintervall på 3 V till 3,6 V och stöder utbredningsfördröjning upp till 10 ns, vilket möjliggör förutsägbar logisk timing.100-stifts TQFP-paketet stöder kompakt ytmonteringsinstallation i kretskonstruktioner med begränsat utrymme.
Letar du efter EPM7128ATC100-10?Kontakta oss för att kontrollera aktuellt lager, ledtid och pris.

Fyrkantig paketlayout presenterar en enhet i fyrkantig platt stil med metallkablar som sträcker sig från kroppens alla fyra sidor.Pinnumren är ordnade sekventiellt runt omkretsen, som börjar med pinne 1 i det övre vänstra hörnet och fortsätter längs varje sida i ordning tills de sista pinnarna visas på de återstående kanterna.Hörnindikatorer markerar nyckelorienteringspunkter som används för korrekt enhetsplacering på ett kretskort.Det mittersta området innehåller enhetsidentifieringsmarkeringar som är associerade med MAX 7000A programmerbar logikfamilj.Elektrodavstånd och symmetriskt arrangemang stöder installation av ytmontering och gör att varje externt stift kan anslutas till signalrouting på kortet.

Stiftarrangemang visar en delad layout för kretskort som stöder flera FineLine BGA-paketstorlekar.En centralkortsdesign som ursprungligen förberetts för ett 256-stifts FineLine BGA-fotavtryck visas med ett tätt rutnät av lödkulor.Layouten gör att en mindre 100-stifts FineLine BGA-enhet kan placeras inom samma stiftfält samtidigt som kompatibla routinganslutningar bibehålls.Yttre kulpositioner förblir oanvända när det mindre paketet är installerat, medan hela gallret används för den större enheten.Detta arrangemang möjliggör en design med en enda kort för att stödja enheter med olika ingångsutdata eller logiska krav utan att ändra PCB-layouten.
Enheten använder en makrocellbaserad programmerbar logikstruktur som gör att digitala kretsar kan konfigureras efter tillverkning.Varje makrocell kan implementera kombinationslogik eller registrerade logiska funktioner, vilket ger designers flexibilitet när de bygger styrvägar, signalroutningslogik och tidskretsar.Denna arkitektur tillåter att flera diskreta logiska funktioner integreras i en enhet samtidigt som förutsägbart logiskt beteende bibehålls.
Interna logiska resurser är organiserade i logiska arrayblock som grupperar makroceller och delar routingresurser.Detta arrangemang förenklar intern signaldistribution och hjälper till att upprätthålla en stabil logikdrift över enheten.Signaler kan dirigeras mellan block genom ett internt sammankopplingsnätverk som stöder komplexa digitala logiska arrangemang.
Upp till åttiofyra in- och utgångsstift gör att enheten kan anslutas direkt med flera digitala signaler i ett inbyggt system.Dessa stift kan konfigureras för ingång, utgång eller dubbelriktad drift beroende på designkravet.Denna flexibilitet gör att enheten kan hantera kommunikation mellan processorer, minnesenheter och perifera logiska kretsar.
Enheten stöder utbredningsfördröjning på upp till tio nanosekunder, vilket möjliggör lyhörd digital logik.Denna timingprestanda stöder kontrollfunktioner som kräver konsekvent signalväxling och pålitlig synkronisering med andra digitala komponenter i systemet.
Konfigurationen lagras med hjälp av elektriskt raderbar programmerbar teknik som gör att enhetens logik kan uppdateras när systemkraven ändras.Designers kan modifiera digital logik under utveckling eller systemunderhåll utan att ersätta hårdvarukomponenten.
Drift inom ett matningsintervall på tre volt till tre komma sex volt gör att enheten kan integreras med många moderna digitala system.Detta spänningsområde stöder stabila logiska nivåer samtidigt som kompatibiliteten med vanliga digitala gränssnittsstandarder bibehålls.
Enheten tillhandahålls i en hundrastifts tunn fyrkantig platt förpackning avsedd för ytmontering.Det kompakta paketets fotavtryck hjälper till att spara kortutrymme och stöder automatiserade tillverkningsprocesser som används i modern elektronisk produktion.
Genom att kombinera programmerbar logik, flexibel routing och konfigurerbara in- och utgångsanslutningar kan enheten utföra olika digitala kontrolluppgifter.Den kan ersätta flera diskreta logiska kretsar samtidigt som det bibehåller stabilt signalbeteende över inbyggda elektroniska konstruktioner.
| Produktattribut | Attributvärde |
| Tillverkare | Altera (Intel) |
| Spänningsförsörjning - intern | 3V ~ 3,6V |
| Leverantörsenhetspaket | 100-TQFP (14x14) |
| Serie | MAX® 7000A |
| Programmerbar typ | EE PLD |
| Paket/fodral | 100-TQFP |
| Paket | Bulk |
| Driftstemperatur | 0°C ~ 70°C (TA) |
| Antal makroceller | 128 |
| Antal logiska element/block | 8 |
| Antal I/O | 84 |
| Antal grindar | 2500 |
| Monteringstyp | Ytmontering |
| Fördröjningstid tpd(1) Max | 10 ns |
| Basproduktnummer | EPM7128 |
| RoHs status | RoHS icke-kompatibel |
| Moisture Sensitivity Level (MSL) | 3 (168 timmar) |
| REACH-status | REACH Opåverkad |
| ECCN | EAR99 |
| HTSUS | 8542.39.0001 |

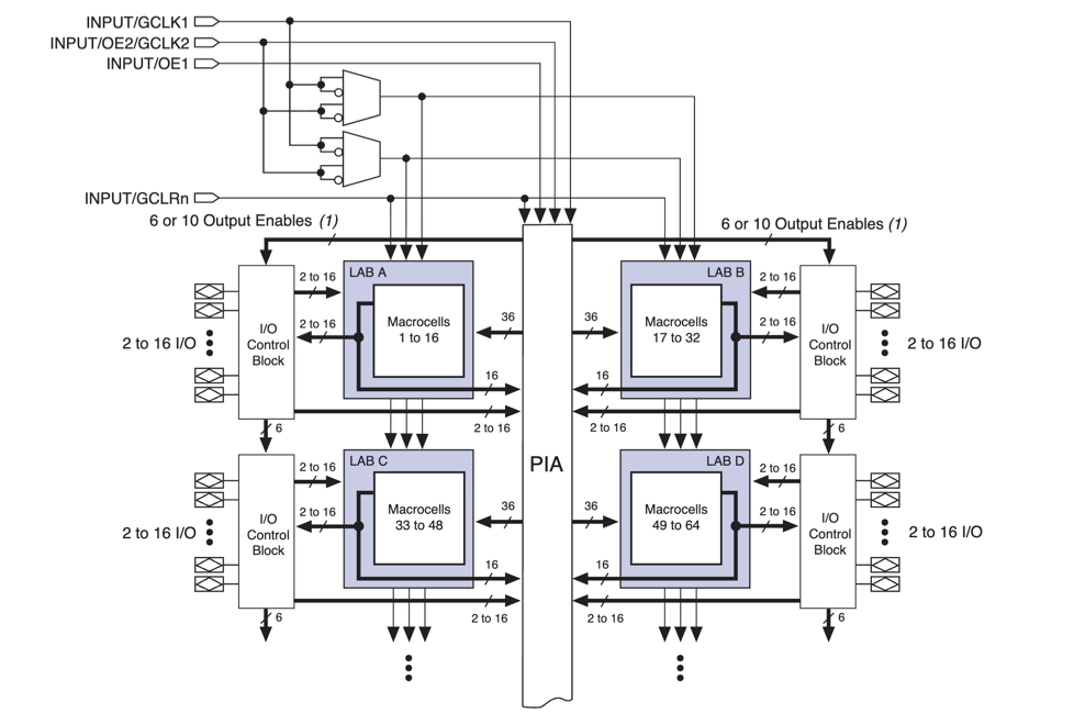
Diagrammet illustrerar den interna logiska arkitekturen som används av MAX 7000A CPLD-enheter som EPM7128ATC100-10.Strukturen är organiserad kring flera logiska arrayblock märkta LAB A, LAB B, LAB C och LAB D, var och en innehåller grupper av makroceller som implementerar programmerbara logiska funktioner.Dessa makroceller stöder kombinationslogik och registrerade logiska operationer inom enheten.Logic Array-blocken är anslutna via en central programmerbar interconnect Array som dirigerar signaler mellan logiska sektioner.Varje Logic Array Block ansluts till ett I O Control Block som hanterar enhetens in- och utgångsstift.Globala styrsignaler inklusive klockingångar, utgångsaktiveringssignaler och globala tömningsingångar kommer in från toppen av arkitekturen och distribuerar styrsignaler över den interna logiska strukturen för att koordinera enhetens drift.

Logiska signaler kommer in i makrocellen från den programmerbara sammankopplingsmatrisen genom trettiosex dirigeringslinjer anslutna till den lokala LAB-matrisen.En produkttermvalsmatris kombinerar dessa signaler med upp till sexton expanderprodukttermer för att skapa programmerbara logiska funktioner.Parallella logiska expanderare tillåter ytterligare termer från angränsande makroceller, medan delade logiska expanderare distribuerar extra produkttermer över logikmatrisblocket för att öka logikkapaciteten.Utgångsvägar matar ett programmerbart register som arbetar med global klocka och klara kontrolllinjer, vilket tillåter antingen registrerad eller direkt kombinationsutgång.En snabb ingångsvalsväg accepterar signaler från ett externt I O-stift, och en registerförbikopplingsbana tillåter signalen att passera utan klockad lagring.Slutliga utsignaler dirigeras antingen till I O-kontrollblocket för externa stift eller tillbaka till den programmerbara interconnect Array för intern signaldirigering.
Programmerbara logiska enheter som den här används ofta för att implementera anpassad kontrolllogik i inbyggda system.Den kan koordinera timingförhållanden mellan processorer, sensorer och kommunikationsenheter samtidigt som det upprätthåller ett stabilt signalflöde över systemet.
Automationsutrustning kräver ofta dedikerad logik för att hantera sensorer, reläer och ställdonsignaler.Enheten kan programmeras för att hantera kontrollsekvenser, säkerhetskontroller och signaldirigeringsuppgifter som används i automatiserade maskiner och övervakningssystem.
Kommunikationsutrustning använder programmerbar logik för att hantera signaldirigering mellan processorer och gränssnittskretsar.Enheten kan stödja digital omkoppling, protokollhantering och signalkonditionering som hjälper till att upprätthålla tillförlitlig kommunikation mellan systemkomponenter.
Digitala konsumentprodukter förlitar sig ofta på kompakta logiska enheter för att koordinera intern verksamhet.Enheten kan hantera timing, ingångsbearbetning och signalkontroll inom elektroniska produkter som multimediautrustning, hemelektronik och kringutrustning.
System som kombinerar flera digitala delsystem kräver kontrollerad signaldirigering mellan komponenter.Den programmerbara logikstrukturen tillåter designers att skapa anpassad routinglogik som styr signaler mellan minne, processorer och externa gränssnitt.
Många elektroniska system är beroende av statliga maskiner för att hantera driftssekvenser.Enheten kan implementera dessa tillståndsbaserade styrstrukturer med hjälp av programmerbara logiska vägar som svarar på ingångsförhållanden och tidshändelser.
Flera separata logiska grindar och styrkretsar kan ofta konsolideras till en programmerbar enhet.Detta tillvägagångssätt minskar kortets komplexitet samtidigt som det tillåter att logikbeteendet justeras genom konfigurationsuppdateringar när systemkraven ändras.
• Flexibel programmerbar logik tillåter designers att implementera anpassade digitala kretsar
• Snabbare utvecklingscykel jämfört med fasta logiska enheter
• Kompakt integration av flera logiska funktioner inom en enda enhet
• Pålitlig drift med relativt låg utbredningsfördröjning för styrlogikuppgifter
• Stöder flera in- och utgångsanslutningar via 84 I/O-stift
• Omprogrammerbar arkitektur tillåter designuppdateringar under utveckling
• Lämplig för att ersätta flera diskreta logiska IC:er i inbyggda system
• Lägre logikdensitet jämfört med moderna FPGA-enheter
• Begränsade interna resurser i förhållande till nyare programmerbara logikfamiljer
• Begränsat driftstemperaturområde jämfört med enheter av industrikvalitet
• En version som inte är kompatibel med RoHS kan begränsa användningen i vissa moderna miljömässiga överensstämmelsedesigner
| Artikelnummer | Tillverkare | Nyckelfunktioner | Använd fall/anteckningar |
| EPM7128ATC100-12F | Altera | MAX 7000A familj CPLD med 128 makroceller och ungefär 2 500 användbara logiska grindar.Använder elektriskt raderbar programmerbar logikteknik och ett 100-stifts TQFP-paket med många programmerbara I/O-anslutningar. | Används för digital styrlogik, bussgränssnittslogik och systemlimlogik där flera digitala funktioner måste implementeras i en programmerbar enhet. |
| EPM7128ATC100-6 | Altera | CPLD med högre hastighet från MAX 7000A-arkitekturen.Tillhandahåller programmerbara makroceller, interna routingresurser och flexibla digitala in- och utgångsstift. | Suitable for timing-sensitive digital logic, interface management, and embedded control systems that require faster logic response. |
| EPM7128ATC144-10 | Altera | CPLD-enhet som använder MAX 7000A-arkitektur med beständigt konfigurationsminne och ett större paket som stöder fler I/O-anslutningar för digital systemintegration. | Vanligt i industriella styrkort, kommunikationshårdvara och programmerbara logiska styruppgifter där ytterligare externa signaler måste hanteras. |
Altera var ett halvledarföretag känt för att utveckla programmerbara logiska enheter som används i digitala system och inbyggd elektronik.Företaget specialiserade sig på fältprogrammerbara gate-arrayer och komplexa programmerbara logiska enheter som gör det möjligt för designers att implementera anpassade digitala kretsar inom en enda komponent.Dess produktfamiljer användes i stor utsträckning inom kommunikationsutrustning, datorplattformar, industriella styrsystem och konsumentelektronik.2015 blev företaget en del av Intel, där dess programmerbara logikteknologier fortsätter att utvecklas och integreras i datacenter, nätverk och inbyggda datorplattformar.
The EPM7128ATC100-10 is a programmable logic device designed to handle configurable digital control tasks in electronic systems.Den kombinerar 128 makroceller och en intern routingstruktur som låter dig bygga anpassade logiska funktioner inuti ett kompakt chip.Enheten organiserar sina logiska resurser genom logiska arrayblock som ansluter via ett programmerbart routingnätverk.Dess stiftkonfiguration och kompakta TQFP-paket stödjer ytmonteringsdesigner som används i moderna kretskort.Du kan använda den här enheten för att hantera signaldirigering, logisk sekvensering och kontrollfunktioner i många digitala applikationer.Denna flexibilitet hjälper till att förenkla kretsdesign samtidigt som systemets beteende är förutsägbart.
Skicka en förfrågan, vi svarar omedelbart.
EPM7128ATC100-10 is a complex programmable logic device that allows configurable digital logic to be implemented inside a single integrated krets.
Enheten innehåller 128 makroceller som kan implementera programmerbara kombinations- eller registrerade logiska funktioner.
It is available in a 100 pin thin quad flat package that supports surface mount installation on printed circuit boards.
Det används ofta för digital styrlogik, signaldirigering, gränssnittshantering och implementering av tillståndsmaskin i inbäddad system.
Enheten arbetar med ett internt matningsspänningsområde på cirka 3 volt till 3,6 volt.
på 2026/03/13
på 2026/03/10
på 8000/04/18 147770
på 2000/04/18 111999
på 1600/04/18 111351
på 0400/04/18 83767
på 1970/01/1 79560
på 1970/01/1 66957
på 1970/01/1 63098
på 1970/01/1 63039
på 1970/01/1 54095
på 1970/01/1 52179