
De GC5330izeV är en sofistikerad bredbandsöverföring-mottagande digital signalprocessor (DSP), utformad specifikt för avancerade trådlösa kommunikationssystem.Denna DSP stöder ett brett spektrum av standarder som CDMA, GSM, TD-SCDMA, W-CDMA och WiMAX, vilket gör det mycket mångsidigt för olika kommunikationsinfrastrukturer.Den har en 484-ball rutnät Array (BGA) förpackning som är lämplig för ytmonteringstekniska applikationer, vilket säkerställer sömlös integration i moderna elektroniska enheter.En del av den bredare GC5330-familjen, GC5330IZEV delar en gemensam kärnarkitektur med sina syskon, som syftar till att optimera prestanda och effektivitet i bredbandsöverföring-mottagningsoperationer.
Om du vill låsa in en pålitlig DSP för dina system är det nu en bra tid att tänka på att placera en bulkorder hos oss för GC5330izeV.

GC5330izeV -symbol

GC5330izeV fotavtryck

GC5330izeV 3D -modell
• Integrerad överföring och ta emot digital if lösning: DSP inkluderar Integrated Digital UpConverter (DUC) och Digital Downconverter (DDC) -funktioner.Denna integration förenklar signalbehandlingskedjan genom att kombinera flera funktionaliteter till en kompakt lösning och därmed minska systemets komplexitet och storlek.
• Flera kanalstöd: GC5330izeV stöder upp till 4 sändningar (TX) och 8 mottagningskanaler (Rx).Denna funktion möjliggör hantering av komplexa multi-antennsystem, som är bra för modern trådlös kommunikationsteknik som kräver hög data genomströmning och förbättrad signalintegritet.
• Överföra sökvägsfunktioner: Nyckelfunktioner i sändningsvägen för GC5330izeV inkluderar Crest Factor Reduction (CFR), Digital Predistortion (DPD) och överför utjämning.Dessa funktioner är behov av att förbättra signalkvaliteten och lineariteten, vilket i sin tur förbättrar den totala effektiviteten och prestanda för kommunikationssystem.
• Synkroniseringsfunktioner: Enheten är utrustad med två LVD -ingångssynkronisering (Synca och SyncB) och en LVDS -utgångssynkronisering.Dessa synkroniseringsfunktioner säkerställer exakt anpassning av tidpunkten mellan flera enheter inom ett system för att upprätthålla integritet och sammanhållning i dataöverföring.

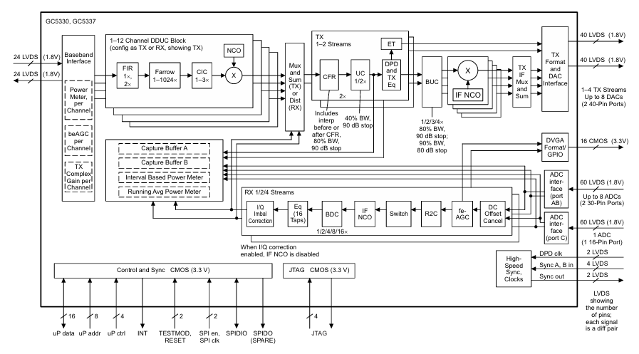
Blockdiagrammet för GC5330/GC5337 illustrerar en högpresterande digital sändlösning utformad för basstationssystem.Det börjar med en Basbandgränssnitt, mottagande upp till 24 LVD -skivor med olika par vid 1,8V, som bär digital basbandsdata i chipet.Detta gränssnitt inkluderar kraftmätare per kanal och Agc (Automatisk förstärkningskontroll) För att säkerställa optimala signalnivåer.De Digital Down/Up Converter (DUC) Block är konfigurerbar för antingen sändning (TX) eller mottagning (RX) och stöder upp till 12 kanaler.Den bearbetar basbandssignalen genom flera filtreringssteg som FIR, Farrow och CIC för att justera provhastigheter och tillämpa interpolering eller decimering.Ett valfritt Numeriskt kontrollerad oscillator (NCO) ingår också för frekvensöversättning.När den filtreras och konditioneras, kommer signalen in i TX-banan, där den ytterligare interpoleras av CFR (Crest Factor Reduction) och DPD (Digital Pre-Distortion) -block.Dessa komponenter optimerar signalens dynamiska intervall och lineariserar den för effektiv överföring.ET (kuvertspårning) och BUC (blockera omvandlare) -element förbereder signalen för högfrekventa modulering.IF NCO -steget flyttar signalen till mellanfrekvensen innan den skickas till TX -format- och DAC -gränssnittet, som matar ut till 4 TX -strömmar till 8 DAC genom 40 LVD -linjer.
På mottagningssidan fångar systemet höghastighets-ADC-data genom 60 LVD-linjer.Uppgifterna behandlas genom DC-offsetavbokning, FE-AGC, switch och om NCO blockerar.Därefter fortsätter den till R2C och BDC, passerar genom utjämning och valfritt I/Q -obalanskorrigering före slutlig fångst och kraftmätning.Denna process stöder flexibla bandbredd och decimering.Längst ner i diagrammet visas flera kontroll- och synkroniseringsgränssnitt.Dessa inkluderar mikroprocessorgränssnitt för kommando- och datainmatning, JTAG för testning och felsökning och SPI för konfiguration.Höghastighetsklockor och synkroniseringssignaler säkerställer exakt tidpunkt mellan ingång, bearbetning och utgångsblock.Sammantaget är GC5330/GC5337-arkitekturen optimerad för högeffektiv digital överföring med flexibel konfigurerbarhet för olika trådlösa standarder.
|
Typ |
Parameter |
|
Tillverkare |
Texas instrument |
|
Förpackning |
Bulk |
|
Delstatus |
Föråldrad |
|
Fungera |
Digital signalprocessor |
|
RF -typ |
CDMA, GSM, TD-SCDMA, W-CDMA, WiMAX |
|
Monteringstyp |
Ytfäste |
|
Förpackning / fodral |
484-bga |
|
Leverantörspaket |
484-bga |
|
Basproduktnummer |
GC5330 |
Trådlösa kommunikationssystem
GC5330izeV är utformat för att hantera avancerade trådlösa protokoll som CDMA, GSM, TD-SCDMA, W-CDMA och WiMAX.Detta gör det till en idealisk DSP för användning i moderna basstationer och trådlös infrastruktur.Dess integrerade digitala upconversion och nedkonversionsfunktioner, tillsammans med flera kanalstöd, gör det möjligt för den att hantera bredbands -RF -signalbehandling effektivt.Enheten förbättrar prestandan för trådlösa kommunikationssystem genom att minska antalet nödvändiga externa komponenter och erbjuda överlägsen signalintegritet.
Trådlösa repeater
I trådlösa repeater -applikationer fungerar GC5330izeV som en bro mellan mottagnings- och överföringskedjor.Det ger digital filtrering, nedkonvertering av inkommande signaler och uppkonvertering av utgående signaler.Detta gör det möjligt för repeater att vidarebefordra kommunikationssignaler över längre avstånd utan snedvridning.Införandet av funktioner som CREST -faktorreduktion och digital predistortion gör det också mycket lämpligt för att upprätthålla överföringskvaliteten i förstärkta vägar.
Test- och mätutrustning
GC5330izeV är värdefull i test- och mätutrustning.Dess bredbandsbehandlingskapacitet och flexibel kanalhantering gör att den kan simulera, bearbeta och analysera signaler över olika trådlösa protokoll.Den höga synkroniseringsnoggrannheten och avancerade signalkonditioneringsfunktioner hjälper till att säkerställa tillförlitliga och repeterbara mätningar i labb- och fälttestmiljöer.
Radioapparater
GC5330izeV är väl lämpad för användning i punkt-till-punkt-mikrovågsugn och millimetervågradiolänkar.I sådana system kräver hög datahastighetsöverföring och mottagning DSP: er som kan hantera breda bandbredd och tät synkronisering.Den här enheten stöder dessa behov med dess effektiva digitala bearbetning, vilket möjliggör tillförlitlig kommunikation i fast trådlös åtkomst, backhaul -nätverk eller specialiserade industriella länkar.
Förbättrad effektförstärkareffektivitet
GC5330izeV erbjuder förbättringar i den övergripande systemeffektiviteten genom att integrera Crest Factor Reduction (CFR) och Digital Predistortion (DPD).Dessa tekniker arbetar tillsammans för att minska topp-till-genomsnittliga förhållandet (PAR) för RF-signaler och korrigera olinjäriteter i kraftförstärkare.Som ett resultat fungerar förstärkare mer effektivt och minskar kraftförbrukningen och värmeproduktionen.Detta leder till kostnadsbesparingar för systemoperatörer och förlänger den operativa livslängden för RF -komponenter.
Flexibel systemintegration
Tack vare sitt stöd för olika MIMO-konfigurationer som 2 × 2, 4 × 4, eller till och med 4 × 8, och kompatibilitet med flera trådlösa standarder som GSM, CDMA, TD-SCDMA, W-CDMA och WIMAX, GC5330izeV är otroligt mångsidig.Du kan använda en enda plattform över olika kommunikationsinfrastrukturtyper, minska utvecklingskomplexiteten, tid till marknad och behovet av att hantera flera DSP-lösningar för olika nätverk.
Minskat komponentantal och kostnad
Genom att integrera flera bearbetningsfunktioner såsom digital upkonversion, nedkonversion och överför utjämning i en enda enhet minimerar GC5330izeV behovet av externa stödkomponenter.Detta förenklar inte bara PCB-layouten utan minskar också kostnader (BOM) kostnader och systemavtryck.Slutresultatet är en mer kompakt, kostnadseffektiv design som är lättare att tillverka och underhålla.
Förbättrad signalkvalitet och tillförlitlighet
Med inbyggd avancerad signalbehandling såsom CFR, DPD och överför utjämning förbättrar GC5330izeV signalens tydlighet och minskar angränsande kanalläckage.Detta resulterar i en mer robust och interferensresistent kommunikationskanal, vilket säkerställer att användare får konsekvent och högkvalitativ transmission även i täta RF-miljöer eller scenarier med hög datatränta.
1. Val av gränssnitt: Det första steget för att programmera GC5330izeV innebär att du väljer lämpligt kommunikationsgränssnitt.Den här enheten stöder både ett mikroprocessorenhet (MPU) -gränssnitt och ett seriellt perifert gränssnitt (SPI).Valet beror på systemets krav på arkitektur och datakontroll. SPI -gränssnittet blir endast aktivt när EMIFENA (externt minnesgränssnitt Aktivera) PIN: er är inställd på logik låg.Du måste se till att korrekt hårdvarukonfiguration är på plats innan kommunikationen påbörjas.Detta beslut avgör hur kontrollkommandon, konfigurationsdata och statusinformation utbyts mellan värdkontrollen och GC5330.
2. Klockkonfiguration: När gränssnittet är etablerat är nästa steg att konfigurera klocksignalerna.GC5330izeV fungerar med två huvudklockor: den digitala klockan före distortion (DPDCLK) och basbandsklockan (BBCLK).Dessa klockor driver den interna databehandlingsrörledningen.DPDCLK stöder frekvenser upp till 310 MHz, medan BBCLK stöder upp till 290 MHz.Båda måste konfigureras korrekt för att uppfylla bandbredd och tidskrav i den avsedda trådlösa kommunikationsstandarden.Korrekt synkronisering mellan dessa klockdomäner säkerställer att signalbehandlingsstadierna såsom filtrering, interpolering och blandning av funktion och inom specifikation.
3. Synkronisering: Synkronisering är viktig för tidsinriktad operation över olika moduler inom GC5330izeV.Chipet tillhandahåller inmatningssynkroniseringssignaler Synca och SYNCB, samt en utgångssynkroniseringssignalsynkout.Dessa signaler används för att anpassa interna händelser såsom kraftmätning, signalfångst eller DPD -uppdatering.I system med flera chip eller flera kanals måste externa hårdvaru- eller basbandsprocessorer koordinera synkpulser för att säkerställa konsekventa bearbetningsfönster.Genom att programmera Sync Control -register kan du anpassa hur och när synkroniseringsutlösare inträffar, vilket säkerställer stabil drift även under dynamiska systemförhållanden.
4. Dataformatering : GC5330izeV erbjuder flexibla dataformateringsalternativ för både dess sändnings- och mottagningsvägar.Du måste konfigurera basbandingångsformateraren för överföring och basbandsutgångsformaterare för mottagning.Detta innebär att välja lämpliga databreddar och format, såsom serie-, byte-parallella eller nibble-parallella lägen.Rätt dataformatering säkerställer kompatibilitet med basbandsprocessorn eller FPGA -hantering av digitala I/Q -strömmar.Programmerbara inramningsalternativ möjliggör anpassade justeringsmarkörer och datainkapsling för system som använder komplexa inramningsstrukturer eller använder dynamiska sprängöverföringar.
5. DUC- och DDC -konfiguration: En viktig funktion av GC5330izeV är dess digitala upconversion (DUC) och nedkonversion (DDC).Dessa block är konfigurerade för att hantera signalinterpolering, decimering, filtrering och frekvensöversättning.På sändningssidan ökar duc provhastigheten och förskjuter signalen till det önskade frekvensbandet, redo för RF -omvandling.På mottagningssidan sänker DDC provhastigheten och filtrerar ut oönskade frekvenskomponenter.Korrekt DUC- och DDC -inställningar är bra för att optimera signalens trohet, minska aliasing och säkerställa effektiv bandbreddanvändning.Konfigurationsparametrar inkluderar interpolering/decimeringshastigheter, filterkoefficienter och mixerinställningar.
6. Få kontroll: Automatisk förstärkningskontroll (AGC) i GC5330izeV delas upp i två viktiga områden: front-end AGC (FEAGC) och back-end AGC (BEAGC).Dessa block hjälper till att upprätthålla optimala signalnivåer när signaler rör sig genom bearbetningskedjan.FEAGC behandlar främst den inkommande signalnivån och justerar förstärkning för att förhindra mättnad eller klippning.BEAGC fokuserar på den bearbetade signalen och säkerställer att den förblir inom förväntade dynamiska intervall för efterföljande digitala operationer.Du måste programmera AGC -trösklar, attack/förfallshastigheter och få steg för att hantera olika signalförhållanden som blekning, störningar eller förändringar i signalkraft.
7. Strömmätning och larminställning: GC5330izeV inkluderar programmerbara kraftmätningsenheter som kan övervaka signalnivåer.Dessa mätare hjälper till att upptäcka avvikelser som kraftöverskådor, droppar eller utsläpp utanför band.Programmerbara larm kan konfigureras för att utlösa baserat på förinställda trösklar, vilket möjliggör skyddande eller korrigerande åtgärder såsom förstärkningsjusteringar eller felsignalering.Du måste konfigurera mätblocken genom att ställa in kraftfönsterstorlekar, tröskelnivåer och filterinställningar.Denna funktionalitet är viktig i system som kräver hög tillförlitlighet, såsom basstationer, som kräver lagstiftning och driftssäkerhet.
|
Parameter |
Dimension (mm) |
|
Kroppsstorlek (totalt) |
22.80 - 23.20 |
|
Substratstorlek (inre fyrkant) |
19.30 - 19.70 |
|
Bollhöjd (typisk) |
1 |
|
Antal bollar |
22 × AB (Grid Array) |
|
Pakethöjd (kropp) |
1.12 - 1.22 |
|
Maximal pakethöjd (totalt) |
2.48 |
|
Bolldiameter |
0,50 - 0,70 |
|
Bollhöjd över sittplanen |
0,40 - 0,60 |
|
Tolerans av kuldiameter |
± 0,10 |
|
Bollavstånd (sittplan) |
0,15 |

GC5330izeV tillverkas av Texas instrument, en globalt känd ledare inom design och produktion av analog och inbäddad bearbetning av halvledare.Huvudkontor i Dallas, Texas, Texas Instruments (TI) har ett långvarigt rykte för innovation och tillförlitlighet inom elektronikindustrin och betjänar olika sektorer inklusive bil-, industri-, kommunikation och konsumentelektronik.TI är känd för sin robusta portfölj av högpresterande integrerade kretsar, och GC5330izeV exemplifierar företagets expertis när det gäller att leverera komplexa digitala radiolösningar.Med fokus på kvalitet, skalbarhet och stöd för nya kommunikationsstandarder säkerställer Texas Instruments att komponenter som GC5330izeV uppfyller de krävande kraven i moderna RF- och basbandbehandlingsapplikationer.
GC5330izeV sticker ut som en högpresterande DSP-lösning konstruerad för att möta de stränga kraven från nästa generations trådlös infrastruktur.Dess flexibla kanalstöd, integrerade bearbetningsblock och robust synkronisering gör det idealiskt för att minska systemkomplexiteten, förbättra effektförstärkareffektiviteten och förbättra signalens trohet.Med stöd av Texas Instruments rykte för tillförlitlighet och innovation är GC5330izeV ett val till val, som syftar till att bygga skalbara och effektiva RF-system med minimal komponent-omkostnader.
Skicka en förfrågan, vi svarar omedelbart.
Ja, GC5330izeV är mycket kompatibel med anpassade FPGA-baserade system.Dess konfigurerbara digitala gränssnitt och dataformateringsalternativ gör det enkelt att integrera med programmerbara logikplattformar.Du kan använda LVDS -datalänkar, SPI eller mikroprocessorgränssnitt för att kommunicera mellan din FPGA och DSP -chipet, vilket säkerställer sömlös signalbehandling i applikationer som basstationer eller testutrustning.
Till skillnad från traditionella inställningar som förlitar sig på flera diskreta DSP -komponenter, konsoliderar GC5330izeV nyckelfunktioner såsom Crest Factor Reduction (CFR), digital predistortion (DPD) och avancerad filtrering.Denna integration säkerställer stramare kontroll över signalintegritet, lägre latens och bättre synkronisering, vilket direkt leder till förbättrad felvektorstorlek (EVM) och reducerad angränsande kanalinterferens.
Medan GC5330izeV främst var designad för 3G- och 4G-trådlösa standarder, kan den fortfarande fungera som ett kraftfullt bearbetningsblock i Sub-6 GHz 5G-system som inte kräver extremt låg latens eller massiv MIMO-skalbarhet.Dess höga bandbreddstöd och flera TX/RX -kanaler kan hjälpa till att bearbeta bredbandssignaler och stödja fast trådlös åtkomst eller backhaul i övergångs 5G -distributioner.
Ja, GC5330izeV kan stödja flerbandssystem genom sin flerkanals digitala bearbetningsarkitektur.Den kan samtidigt hantera upp till 4 Tx och 8 RX -kanaler, vilket möjliggör implementering av bäraraggregering över frekvensband, särskilt i scenarier som kräver digitala om för RF -framändar.Inställningar för noggrann klockning och synkronisering är nödvändiga för optimal prestanda.
Ja.GC5330izeV är kompatibel med SDR -arkitekturer, särskilt de som behöver en dedikerad hårdvara DSP för intensiv basbandsbehandling.Dess realtids digitala omvandlings- och kanaliseringsfunktioner tillåter avlastning av datortunga uppgifter från den allmänna processorn i en SDR-miljö.
på 2025/04/1
på 2025/04/1
på 8000/04/18 147776
på 2000/04/18 112018
på 1600/04/18 111351
på 0400/04/18 83775
på 1970/01/1 79571
på 1970/01/1 66964
på 1970/01/1 63104
på 1970/01/1 63041
på 1970/01/1 54097
på 1970/01/1 52186