
Den XC3042-100PC84C är en CMOS SRAM-baserad fältprogrammerbar grindmatris designad för konfigurerbar digital logikimplementering.Den tillhör XC3000-familjen och levereras i ett 84-stifts PLCC-paket.Enheten arbetar med en 5 volts strömförsörjning och kräver konfigurationsdata vid uppstart för att definiera dess logiska funktioner.Dess interna struktur stöder programmerbara logikblock och flexibla in- och utgångsanslutningar för kontroll-, gränssnitts- och datahanteringsuppgifter.Denna komponent används ofta i inbyggda system, industriell utrustning och äldre digitala plattformar som kräver anpassningsbar hårdvarulogik.Letar du efter XC3042-100PC84C Kontakta oss för att kontrollera aktuellt lager, ledtid och prissättning.

Grafen plottar typisk matningsström på den vertikala axeln i milliampere mot klockfrekvensen på den horisontella axeln i megahertz, och visar ström som ökar med arbetsfrekvensen.Två driftlägen identifieras, märkta Low Power och High Performance, var och en representerad av en stigande linje.Low Power-läget når cirka 104 MHz vid en ström nära 120 mA, medan High Performance-läget sträcker sig till cirka 178 MHz med en ström som närmar sig 240 mA.Den linjära trenden i båda kurvorna indikerar proportionell tillväxt av dynamisk strömförbrukning när växlingsfrekvensen ökar, vilket återspeglar enhetens frekvensberoende effektegenskaper.



XC3042-100PC84C tillhandahåller cirka 3000 användbara logiska grindar för implementering av digitala kretsar.Denna kapacitet stöder styrlogik, datarouting, tillståndsmaskiner och aritmetiska operationer inom en enda programmerbar enhet.Genom att integrera flera logiska funktioner i en komponent minskar det behovet av separata fasta logiska IC:er och stöder kompakta kortlayouter.
Enheten innehåller 144 konfigurerbara logikblock som utgör kärnan i dess programmerbara arkitektur.Varje block kan arrangeras för att utföra kombinations- och sekventiell logikfunktioner.Denna struktur gör det möjligt för designers att definiera anpassat hårdvarubeteende baserat på applikationskrav samtidigt som förutsägbar digital drift bibehålls.
XC3042-100PC84C inkluderar 74 användartillgängliga in- och utgångsstift.Dessa stift möjliggör direktanslutning till externt minne, processorer, kontrolllinjer och kommunikationsgränssnitt.Det tillgängliga I O-talet stöder flexibel systemintegration i inbyggda och äldre plattformar.
Enheten har totalt 30784 RAM-bitar i sin interna struktur.Detta minne kan användas för tillfällig datalagring, buffring och logikrelaterade funktioner.Att ha inbyggt RAM-minne minskar beroendet av externt minne för måttliga lagringsbehov.
XC3042-100PC84C arbetar inom ett matningsspänningsområde på 4,75 volt till 5,25 volt.Denna serie är anpassad till standard 5 volt digitala system och stöder kompatibilitet med TTL- och CMOS-baserade kretsar som vanligtvis används i etablerade konstruktioner.
Det specificerade driftstemperaturområdet är 0 grader Celsius till 85 grader Celsius.Detta gör enheten lämplig för kontrollerade kommersiella och industriella inomhusmiljöer där stabila termiska förhållanden upprätthålls.
Enheten levereras i en 84-stifts plastspånbärare med J-kablar.Det här ytmonteringsformatet stöder säker kortfästning och effektiv användning av kretskortsutrymmet i layouter med medium densitet.
XC3042-100PC84C använder ett SRAM-baserat konfigurationssystem.Dess logiska konfiguration laddas vid uppstart från en extern källa, vilket gör att enheten kan programmeras om när designuppdateringar krävs.Detta stöder designflexibilitet utan hårdvarubyte.
Enheten följer arkitekturen för XC3000 FPGA-familjen.Den stöder etablerade konfigurationsmetoder och designmetoder som används inom denna produktserie, vilket möjliggör konsekvent integration med relaterade enheter.
Graden -100 hastigheter definierar enhetens timingprestandakategori.Den indikerar omkopplings- och utbredningsegenskaper inom XC3000-familjen, vilket stöder stabilt och förutsägbart digitalt signalbeteende i praktiska tillämpningar.
| Produktattribut | Attributvärde |
| Tillverkare | AMD Xilinx |
| Spänning - Matning | 4,75V ~ 5,25V |
| Totalt RAM-bitar | 30784 |
| Leverantörsenhetspaket | 84-PLCC (29,31 x 29,31) |
| Serie | XC3000 |
| Paket/fodral | 84-LCC (J-Lead) |
| Paket | Bricka |
| Driftstemperatur | 0°C ~ 85°C (TJ) |
| Antal LAB/CLB | 144 |
| Antal I/O | 74 |
| Antal grindar | 3000 |
| Monteringstyp | Ytmontering |
| Basproduktnummer | XC3042 |
| RoHs status | RoHS icke-kompatibel |
| Moisture Sensitivity Level (MSL) | 3 (168 timmar) |
| REACH-status | REACH opåverkad |
| ECCN | EAR99 |
| HTSUS | 8542.39.0001 |

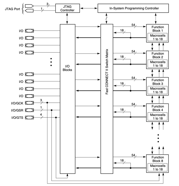
Strukturerad kring åtta funktionsblock, som var och en innehåller 18 makroceller, ansluter enheten programmerbara logiska resurser genom en central FastCONNECT II-växelmatris som hanterar intern signaldirigering.Varje funktionsblock samverkar med matrisen med hjälp av 54 ingångslinjer och 18 utgångsvägar, vilket stöder förutsägbara sammankopplingsfördröjningar som är typiska för CPLD-strukturer.I/O-block placerade längs den vänstra sidan ger extern stiftanslutning och integrerar globala styrsignaler märkta I O GCK, I O GSR och I O GTS för klocka, återställning och tristate-distribution.En JTAG-styrenhet och styrenhet för programmering i systemet visas överst, vilket indikerar gränsavsökningskompatibilitet och omprogrammerbar konfigurationskapacitet.Fet signalvägar visar direkta anslutningar från funktionsblockutgångar till I O-block, vilket minskar routingstegen för valda utgångar.

Testbelastningskonfiguration ansluter enhetens utgång till en resistiv delare bildad av R1 bunden till VTEST och R2 bunden till jord, med en kapacitiv belastning CL ansluten från utgångsnoden till jord.Kretsmodellerna utmatar omkopplingsförhållanden för AC-tidmätningar genom att definiera kontrollerad resistiv och kapacitiv belastning.En tabell anger värden för två driftnivåer, med VCCIO och VTEST inställda på 3,3 V med R1 på 320 ohm och R2 på 360 ohm, eller 2,5 V med R1 på 250 ohm och R2 på 660 ohm, medan CL förblir 35 pF i båda fallen.Denna konfiguration fastställer standardiserade belastningsparametrar för att utvärdera utgångens stig- och fallegenskaper under definierade spänningsförhållanden.
XC3042-100PC84C används ofta för att underhålla inbyggda system som utvecklats under det tidiga införandet av programmerbar logik.Många styrkort i tillverkningsutrustning, instrumentering och kommunikationshårdvara designades kring XC3000-arkitekturen.När dessa system kräver reparation, tillåter enheten att den ursprungliga programmerbara logiken återställs utan att modifiera det tryckta kretskortet.Detta hjälper till att bevara systemets beteende, timingrelationer och signalkompatibilitet.
I industriella styrplattformar byggda med enheter i XC3000-serien hanterar XC3042-100PC84C sekvensering, signaldirigering och gränssnittskoordination mellan sensorer och ställdon.Dess 5 volts driftområde matchar de logiska nivåerna som används i äldre automationssystem.Enheten kan hantera tidsstyrning, datavägshantering och diskret logikbyte inom programmerbar hårdvara, vilket möjliggör stabil drift i långvariga produktionsmiljöer.
XC3042-100PC84C används i retrodatorprojekt som syftar till att bevara eller återskapa tidiga programmerbara logikdesigner.Det möjliggör återställning av expansionskort, utvecklingskort och gränssnittsmoduler som ursprungligen byggdes med XC3042-enheter.Genom att stödja samma konfigurationsstruktur och stiftlayout hjälper det till att upprätthålla autentiskt hårdvarubeteende samtidigt som det tillåter omprogrammering när designfiler är tillgängliga.
Enheten fungerar som en undervisningsplattform för att förstå första generationens SRAM-baserade FPGA-strukturer.Eleverna kan undersöka konfigurerbara logikblock, interna minnesresurser och externa konfigurationsmetoder i en riktig hårdvaruenhet.Att arbeta med denna arkitektur ger praktisk inblick i hur tidiga programmerbara logiksystem organiserades och hur digitala funktioner mappades till hårdvara.
XC3042-100PC84C fungerar som en ersättning för system som redan använder komponenter i XC3042-serien.Den stöder samma paketformat, spänningsområde och arkitektoniska struktur, vilket möjliggör reparation eller renovering av åldrande utrustning.Detta tillvägagångssätt förlänger livslängden för äldre system utan att kräva omdesign eller konvertering till nyare programmerbara plattformar.

Paketillustrationen visar toppvyn av en TQ144-enhet med märkta delmarkeringsfält som definierar beställningsinformation.Enhetstyp visas som XC95xxxXL, vilket indikerar familjebeteckningen, medan paketkoden TQ144 identifierar det 144-stiftiga tunna fyrflatpaketet.Hastighetsgraden är markerad som 7C, där det numeriska värdet anger timingprestanda och bokstaven indikerar det kommersiella driftstemperaturområdet.En separat horisontell linje visas som inte relaterad till enhetens artikelnummer, vilket skiljer spårbarhet eller partiinformation från beställningsidentifierare.Stift 1-platsen är markerad med en cirkulär indikator i ena hörnet för att definiera förpackningens orientering.
• SRAM-baserad struktur gör att logik kan programmeras om när designändringar krävs
• Etablerad XC3000-arkitektur stöder stabil drift i äldre system på lång sikt
• 5 volts matningsintervall matchar äldre TTL- och CMOS-logiknivåer
• Måttligt antal grindar passar små till medelstora digitala kontrolluppgifter
• Vanligtvis integrerad i tidigare inbyggda och industriella plattformar
• 84-stifts PLCC-paket stöder kompakta ytmonteringskortlayouter
• 5-voltsdrift överensstämmer inte med moderna digitala lågspänningssystem
• Logikkapaciteten är begränsad jämfört med nuvarande generations FPGA-enheter
• Strömförbrukningen är högre än nyare lågspänningsprogrammerbara logikfamiljer
• Saknar inbäddade multiplikatorer och dedikerade signalbehandlingsresurser
• Inkluderar inte avancerad klockhantering eller höghastighetsgränssnittsfunktioner
• Utvecklingsverktygens kompatibilitet är begränsad i moderna FPGA-designmiljöer
| Artikelnummer | Tillverkare | Nyckelfunktioner | Använd fall/anteckningar |
| XC3042-100PQ100C | AMD | XC3000-familjen FPGA med cirka 3 000 systemgrindar och 144 konfigurerbara logikblock.Fungerar från 5V-försörjning och stöder ytmonterad förpackning. | Används i äldre programmerbar logikdesign, gränssnittskontroll och digitala applikationer med moderat densitet. |
| XC3042-125PQ100C | AMD | Liknande XC3042-enhet med alternativ hastighetsklass.Ger konfigurerbara logiska resurser och flexibel I/O i ett PQFP-paket. | Lämplig för digitala styr- och kommunikationskretsar där tidskraven är måttliga. |
| XC3030L-8VQ64C | AMD | Lågeffekt FPGA från XC3000L-serien med konfigurerbara logikblock och kompakt paketdesign.Designad för minskad strömförbrukning. | Lämplig för strömkänsliga inbyggda system och konsumentelektronikprodukter. |
| XC3030L-8VQ64I | AMD | Industriell lågeffekts FPGA med utökat temperaturområde och flexibla programmerbara logiska resurser. | Används i industriell styrning och inbyggda system som kräver tillförlitlig drift i tuffare miljöer. |
AMD Xilinx fungerar som den adaptiva och inbyggda datoravdelningen för Advanced Micro Devices, Inc. Organisationen spårar sitt ursprung till Xilinx, Inc., som grundades 1984 i Kalifornien, där man introducerade programmerbara logiska enheter som kunde konfigureras efter tillverkning.Under åren har företaget expanderat till programmerbara plattformar som används inom kommunikationsinfrastruktur, industriell automation, flygsystem, fordonselektronik och acceleration av datacenter.Dess portfölj inkluderar programmerbara logiska enheter, adaptiva system på chipplattformar, utvecklingsprogramvara och designverktyg som stöder anpassning av hårdvarunivå.Efter förvärvet av AMD 2022 blev dess teknologier en del av en bredare halvledarportfölj som kombinerar programmerbar logik med högpresterande bearbetningslösningar.
XC3042-100PC84C ger dig ett praktiskt sätt att hantera programmerbar logik i 5V digitala system.Med sin SRAM-baserade struktur kan du ladda om och uppdatera konfigurationen när det behövs.Den erbjuder en solid blandning av logisk kapacitet, internt RAM och flexibla I/O-anslutningar.PLCC84-paketet gör det enkelt att integrera i många kortlayouter.Oavsett om du underhåller äldre utrustning eller arbetar med restaureringsprojekt, hjälper den här enheten dig att hålla den ursprungliga hårdvaran igång smidigt.Det förblir ett pålitligt val när kompatibilitet och flexibilitet spelar roll.
Skicka en förfrågan, vi svarar omedelbart.
XC3042-100PC84C är en CMOS SRAM-baserad fältprogrammerbar grind array (FPGA).Den tillhör XC3000-familjen och låter dig definiera anpassad digital logik genom att ladda konfigurationsdata vid uppstart.Detta betyder att du kan ändra hur det fungerar utan att byta ut hårdvaran.
Den fungerar inom ett intervall på 4,75V till 5,25V, vilket matchar standard 5V digitala system.Detta gör den kompatibel med många äldre TTL och CMOS kretsar som vanligtvis finns i äldre kort.
Enheten erbjuder cirka 3000 användbara logiska grindar och inkluderar 144 konfigurerbara logiska block.Den har också 74 användartillgängliga I/O-stift och över 30 000 bitar internt RAM för tillfällig datalagring och logiska funktioner.
Ja, det kan det.Eftersom den använder SRAM-baserad konfiguration kan du ladda nya konfigurationsdata varje gång systemet startar.Detta tillåter uppdateringar och designändringar utan att fysiskt ersätta chipet.
Du hittar det ofta i inbyggda system, industriell styrning utrustning och retrodatorprojekt.Det är särskilt användbart när underhålla eller återställa hårdvara byggd kring XC3000-arkitekturen.
på 2026/02/18
på 2026/02/16
på 8000/04/18 147766
på 2000/04/18 111994
på 1600/04/18 111351
på 0400/04/18 83755
på 1970/01/1 79550
på 1970/01/1 66951
på 1970/01/1 63094
på 1970/01/1 63028
på 1970/01/1 54094
på 1970/01/1 52176